SUPER MICRO
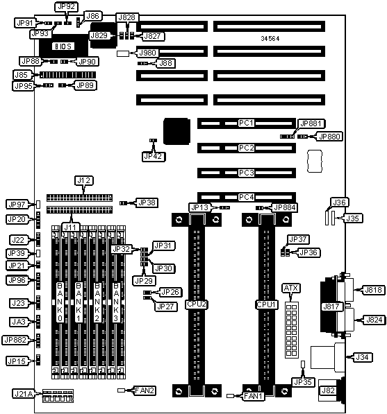
P6DKE
| Processor | Pentium II | 
| Processor Speed | 233/266/300/333/366/400MHz | 
| Chip Set | Intel | 
| Video Chip Set | None | 
| Maximum Onboard Memory | 1GB (EDO supported) | 
| Maximum Video Memory | None | 
| Cache | 256/512KB (located on Pentium II CPU) | 
| BIOS | AMI | 
| Dimensions | 305mm x 244mm | 
| I/O Options | 32-bit PCI slots (4), floppy drive interface, IDE interfaces (2), parallel port, PS/2 mouse port, serial ports (2), IR connector, USB connector, ATX power connector | 
| NPU Options | None | 
 
| CONNECTIONS | |||
| Purpose | Location | Purpose | Location | 
| ATX power connector | ATX | SCSI interface LED | JA3 | 
| Chassis fan power | FAN1 | Power LED & keylock | JP20 | 
| Chassis fan power | FAN2 | Reset switch | JP21 | 
| IDE interface 1 | J11 | Green PC connector | JP39 | 
| IDE interface 2 | J12 | Fan Replacement Buzzer | JP89 | 
| Speaker | J22 | Overheat LED | JP90 | 
| 3.3v power | J21A | Backup cooling fan power | JP91 | 
| IDE interface LED | J23 | Backup cooling fan power | JP92 | 
| USB connector | J34 | Backup cooling fan power | JP93 | 
| PS/2 mouse port | J82 | IR connector | JP96 | 
| Floppy drive interface | J85 | External battery | JP881 | 
| Parallel port | J817 | Soft off power supply | JP882 | 
| Serial port 1 | J818 | 32-bit PCI slots | PC1 – PC4 | 
| Serial port 2 | J824 | ||
| USER CONFIGURABLE SETTINGS | |||
| Function | Label | Position | |
| » | Factory configured - do not alter | J35 | Unidentified | 
| » | Factory configured - do not alter | J36 | Unidentified | 
| » | Factory configured - do not alter | J86 | Pins 1 & 2 closed | 
| » | Factory configured - do not alter | J88 | Pins 1 & 2 closed | 
| » | Factory configured - do not alter | J827 | Closed | 
| » | Factory configured - do not alter | J828 | Closed | 
| » | Factory configured - do not alter | J829 | Closed | 
| » | Factory configured - do not alter | J980 | Unidentified | 
| » | Factory configured - do not alter | JP13 | Pins 2 & 3 closed | 
| » | Factory configured - do not alter | JP15 | Pins 2 & 3 closed | 
| » | Factory configured - do not alter | JP26 | Open | 
| » | Factory configured - do not alter | JP27 | Closed | 
| » | Factory configured - do not alter | JP35 | Unidentified | 
| » | Factory configured - do not alter | JP38 | Open | 
| ISA CLK = PCI CLK/4 | JP42 | Closed | |
| ISA CLK = PCI CLK/3 | JP42 | Open | |
| » | Buzzer control select standby | JP88 | Closed | 
| Buzzer control select disabled | JP88 | Open | |
| » | Factory configured - do not alter | JP97 | Unidentified | 
| » | CMOS memory normal operation | JP880 | Pins 1 & 2 closed | 
| CMOS memory clear | JP880 | Pins 2 & 3 closed | |
| » | Factory configured - do not alter | JP884 | Open | 
| SIMM CONFIGURATION | ||||
| Size | Bank 0 | Bank 1 | Bank 2 | Bank 3 | 
| 8MB | (2) 1M x 36 | None | None | None | 
| 16MB | (2) 2M x 36 | None | None | None | 
| 16MB | (2) 1M x 36 | (2) 1M x 36 | None | None | 
| 24MB | (2) 2M x 36 | (2) 1M x 36 | None | None | 
| 24MB | (2) 1M x 36 | (2) 1M x 36 | (2) 1M x 36 | None | 
| 32MB | (2) 4M x 36 | None | None | None | 
| 32MB | (2) 2M x 36 | (2) 2M x 36 | None | None | 
| 32MB | (2) 1M x 36 | (2) 1M x 36 | (2) 1M x 36 | (2) 1M x 36 | 
| 40MB | (2) 4M x 36 | (2) 1M x 36 | None | None | 
| 48MB | (2) 4M x 36 | (2) 2M x 36 | None | None | 
| 48MB | (2) 2M x 36 | (2) 2M x 36 | (2) 2M x 36 | None | 
| 64MB | (2) 8M x 36 | None | None | None | 
| 64MB | (2) 4M x 36 | (2) 4M x 36 | None | None | 
| 64MB | (2) 2M x 36 | (2) 2M x 36 | (2) 2M x 36 | (2) 2M x 36 | 
| 72MB | (2) 8M x 36 | (2) 1M x 36 | None | None | 
| 80MB | (2) 8M x 36 | (2) 2M x 36 | None | None | 
| 96MB | (2) 8M x 36 | (2) 4M x 36 | None | None | 
| 96MB | (2) 4M x 36 | (2) 4M x 36 | (2) 4M x 36 | None | 
| 128MB | (2) 8M x 36 | (2) 8M x 36 | None | None | 
| 128MB | (2) 16M x 36 | None | None | None | 
| 128MB | (2) 4M x 36 | (2) 4M x 36 | (2) 4M x 36 | (2) 4M x 36 | 
| 136MB | (2) 16M x 36 | (2) 1M x 36 | None | None | 
| 144MB | (2) 16M x 36 | (2) 2M x 36 | None | None | 
| 160MB | (2) 16M x 36 | (2) 4M x 36 | None | None | 
| 192MB | (2) 16M x 36 | (2) 8M x 36 | None | None | 
| 192MB | (2) 8M x 36 | (2) 8M x 36 | (2) 8M x 36 | None | 
| 256MB | (2) 16M x 36 | (2) 16M x 36 | None | None | 
| 256MB | (2) 32M x 36 | None | None | None | 
| 256MB | (2) 8M x 36 | (2) 8M x 36 | (2) 8M x 36 | (2) 8M x 36 | 
| 264MB | (2) 32M x 36 | (2) 1M x 36 | None | None | 
| 272MB | (2) 32M x 36 | (2) 2M x 36 | None | None | 
| 288MB | (2) 32M x 36 | (2) 4M x 36 | None | None | 
| 320MB | (2) 32M x 36 | (2) 8M x 36 | None | None | 
| 384MB | (2) 32M x 36 | (2) 16M x 36 | None | None | 
| 384MB | (2) 16M x 36 | (2) 16M x 36 | (2) 16M x 36 | None | 
| 512MB | (2) 32M x 36 | (2) 32M x 36 | None | None | 
| 512MB | (2) 16M x 36 | (2) 16M x 36 | (2) 16M x 36 | (2) 16M x 36 | 
| 768MB | (2) 32M x 36 | (2) 32M x 36 | (2) 32M x 36 | None | 
| 1GB | (2) 32M x 36 | (2) 32M x 36 | (2) 32M x 36 | (2) 32M x 36 | 
| Note: Board accepts EDO memory. | ||||
| CACHE CONFIGURATION | 
| Note: 256KB/512KB cache is located on the Pentium II CPU. | 
| CPU SPEED SELECTION | ||||||
| CPU speed | JP29 | JP30 | JP31 | JP32 | JP36 | JP37 | 
| 233MHz | Open | Open | Closed | Closed | Open | Closed | 
| 266MHz | Closed | Closed | Open | Closed | Open | Closed | 
| 300MHz | Open | Closed | Open | Closed | Open | Closed | 
| 333MHz | Closed | Open | Open | Closed | Open | Closed | 
| 366MHz | Open | Open | Open | Closed | Open | Closed | 
| 400MHz | Closed | Closed | Closed | Open | Open | Closed | 
| THERMAL CONTROL SELECTION | ||
| Temperature | JP95 | |
| 41C | Pins 1 & 2 closed | |
| » | 46C | Pins 2 & 3 closed | 
| Note: Depending on temperature selected, a backup fan or alarm will sound, letting user know the system is overheating. | ||