SUPER MICRO
P6DLE
| Processor | Pentium II | 
| Processor Speed | 200/233/266/300/333/366/400MHz | 
| Chip Set | Intel | 
| Video Chip Set | None | 
| Maximum Onboard Memory | 1GB (EDO supported) | 
| Maximum Video Memory | None | 
| Cache | 256/512KB (located on Pentium II CPU) | 
| BIOS | AMI | 
| Dimensions | 305mm x 244mm | 
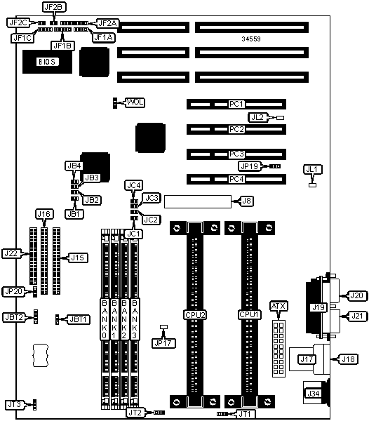
| I/O Options | 32-bit PCI slots (4), floppy drive interface, IDE interfaces (2), parallel port, PS/2 mouse port, serial ports (2), IR connector, USB connectors (2), ATX power connector, AGP slot | 
| NPU Options | None | 
 
| CONNECTIONS | |||
| Purpose | Location | Purpose | Location | 
| ATX power connector | ATX | IDE interface LED | JF1A | 
| AGP slot | J8 | Power LED & keylock | JF1B | 
| IDE interface 1 | J15 | Speaker | JF1C | 
| IDE interface 2 | J16 | IR connector | JF2A | 
| USB connector | J17 | Soft off power supply | JF2B | 
| USB connector | J18 | Reset switch | JF2C | 
| Parallel port | J19 | Chassis intrusion connector | JL1 | 
| Serial port 1 | J20 | CPU fan | JT1 | 
| Serial port 2 | J21 | CPU fan | JT2 | 
| Floppy drive interface | J22 | Thermal control fan | JT3 | 
| PS/2 mouse port | J34 | 32-bit PCI slots | PC1 – PC4 | 
| External battery | JBT2 | Wake on LAN connector | WOL | 
| USER CONFIGURABLE SETTINGS | |||
| Function | Label | Position | |
| » | Factory configured - do not alter | JA4 | Unidentified | 
| » | CMOS memory normal operation | JBT1 | Pins 1 & 2 closed | 
| CMOS memory clear | JBT1 | Pins 2 & 3 closed | |
| » | Factory configured - do not alter | JC4 | Open | 
| » | Factory configured - do not alter | JL2 | Open | 
| » | Factory configured - do not alter | JP17 | Pins 2 & 3 closed | 
| » | SMI select APIC SMI | JP19 | Pins 1 & 2 closed | 
| SMI select PIIX4 SMI | JP19 | Pins 2 & 3 closed | |
| » | Power on/off select save PD state | JP20 | Pins 2 & 3 closed | 
| 
 | Power on/off select PIIX4 | JP20 | Pins 1 & 2 closed | 
| DIMM CONFIGURATION | ||||
| Size | Bank 0 | Bank 1 | Bank 2 | Bank 3 | 
| 8MB | (1) 1M x 64 | None | None | None | 
| 16MB | (1) 2M x 64 | None | None | None | 
| 16MB | (1) 1M x 64 | (1) 1M x 64 | None | None | 
| 24MB | (1) 2M x 64 | (1) 1M x 64 | None | None | 
| 24MB | (1) 1M x 64 | (1) 1M x 64 | (1) 1M x 64 | None | 
| 32MB | (1) 4M x 64 | None | None | None | 
| 32MB | (1) 2M x 64 | (1) 2M x 64 | None | None | 
| 32MB | (1) 1M x 64 | (1) 1M x 64 | (1) 1M x 64 | (1) 1M x 64 | 
| 40MB | (1) 4M x 64 | (1) 1M x 64 | None | None | 
| 48MB | (1) 4M x 64 | (1) 2M x 64 | None | None | 
| 48MB | (1) 2M x 64 | (1) 2M x 64 | (1) 2M x 64 | None | 
| 64MB | (1) 8M x 64 | None | None | None | 
| 64MB | (1) 4M x 64 | (1) 4M x 64 | None | None | 
| DIMM CONFIGURATION (CON’T) | ||||
| Size | Bank 0 | Bank 1 | Bank 2 | Bank 3 | 
| 64MB | (1) 2M x 64 | (1) 2M x 64 | (1) 2M x 64 | (1) 2M x 64 | 
| 72MB | (1) 8M x 64 | (1) 1M x 64 | None | None | 
| 80MB | (1) 8M x 64 | (1) 2M x 64 | None | None | 
| 96MB | (1) 8M x 64 | (1) 4M x 64 | None | None | 
| 96MB | (1) 4M x 64 | (1) 4M x 64 | (1) 4M x 64 | None | 
| 128MB | (1) 8M x 64 | (1) 8M x 64 | None | None | 
| 128MB | (1) 4M x 64 | (1) 4M x 64 | (1) 4M x 64 | (1) 4M x 64 | 
| 128MB | (1) 16M x 64 | None | None | None | 
| 256MB | (1) 8M x 64 | (1) 8M x 64 | (1) 8M x 64 | (1) 8M x 64 | 
| 256MB | (1) 16M x 64 | (1) 16M x 64 | None | None | 
| 384MB | (1) 16M x 64 | (1) 16M x 64 | (1) 16M x 64 | None | 
| 1024MB | (1) 16M x 64 | (1) 16M x 64 | (1) 16M x 64 | (1) 16M x 64 | 
| Note: Board accepts EDO memory. | ||||
| CACHE CONFIGURATION | 
| Note: 256KB/512KB cache is located on the Pentium II CPU. | 
| CPU SPEED SELECTION | |||||||
| Speed | JB1 | JB2 | JB3 | JB4 | JC1 | JC2 | JC3 | 
| 200MHz | Closed | Open | Closed | Closed | Open | Open | Open | 
| 233MHz | Open | Open | Closed | Closed | Open | Open | Open | 
| 266MHz | Closed | Closed | Open | Closed | Open | Open | Open | 
| 300MHz | Open | Closed | Open | Closed | Open | Open | Open | 
| 333MHz | Closed | Open | Open | Closed | Open | Open | Open | 
| 366MHz | Open | Open | Open | Closed | Open | Open | Open | 
| 400MHz | Closed | Closed | Closed | Open | Open | Open | Open | 
| MISCELLANEOUS TECHNICAL NOTE | 
| The CPU fan will automatically turn on when the CPU temperature exceeds the user defined temperature. |