SANYO BUSINESS SYSTEMS CORPORATION
MBC-18SX
| Processor | 80386SX | 
| Processor Speed | 16MHz | 
| Chip Set | Zymos | 
| Max. Onboard DRAM | 2MB | 
| Cache | None | 
| BIOS | Sanyo | 
| Dimensions | 332mm x 136mm | 
| I/O Options | Serial port, parallel port, floppy drive interface, IDE interface | 
| NPU Options | 80387SX | 
 
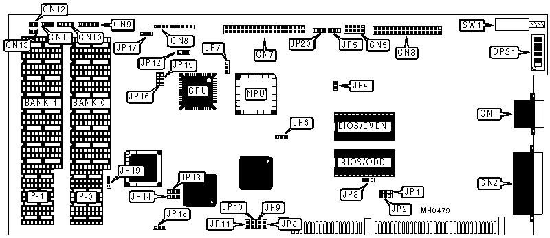
| CONNECTIONS | |||
| Purpose | Location | Purpose | Location | 
| Serial port | CN1 | Speaker & I/O LED | CN10 | 
| Parallel port | CN2 | Keylock | CN11 | 
| Floppy drive interface | CN3 | External batteries | CN12 & CN13 | 
| IDE interface | CN7 | Reset switch | SW1 | 
| Keyboard connector | CN9 | ||
| Note:The purpose of connectors CN5 & CN8 is unidentified. | |||
| USER CONFIGURABLE SETTINGS | |||
| Function | Jumper/Switch | Position | |
| » | Serial port interrupt select primary | JP1 | pins 2 & 3 closed | 
| Serial port interrupt select secondary | JP1 | pins 1 & 2 closed | |
| » | Parallel port interrupt select primary | JP2 | pins 2 & 3 closed | 
| Parallel port interrupt select secondary | JP2 | pins 1 & 2 closed | |
| » | Factory configured - do not alter | JP3 | pins 1 & 2 closed | 
| » | Factory configured - do not alter | JP4 | Open | 
| » | IDE interface enabled | JP5 | pins 1 & 2 closed | 
| » | IDE interface disabled | JP5 | pins 2 & 3 closed | 
| » | Factory configured - do not alter | JP6 | pins 2 & 3 closed | 
| » | Factory configured - do not alter | JP7 | Open | 
| » | Bus mouse address select primary | JP12 | pins 2 & 3 closed | 
| Bus mouse address select secondary | JP12 | pins 1 & 2 closed | |
| » | Factory configured - do not alter | JP13 | pins 1 & 2 closed | 
| » | Factory configured - do not alter | JP14 | pins 1 & 2 closed | 
| » | Factory configured - do not alter | JP15 | pins 1 & 2 closed | 
| » | Factory configured - do not alter | JP16 | pins 1 & 2 closed | 
| » | Factory configured - do not alter | JP17 | pins 2 & 3 closed | 
| » | Factory configured - do not alter | JP18 | pins 2 & 3 closed | 
| » | Factory configured - do not alter | JP19 | pins 1 & 2 closed | 
| » | IDE interrupt select SLVAC disabled | JP20 | pins 1 & 2 closed | 
| IDE interrupt select SLVAC enabled | JP20 | pins 2 & 3 closed | |
| » | Factory configured - do not alter | DPS1/1 | Off | 
| » | Parallel port address select primary | DPS1/2 | On | 
| Parallel port address select secondary | DPS1/2 | Off | |
| » | Serial port address select primary | DPS1/3 | On | 
| Serial port address select secondary | DPS1/3 | Off | |
| » | Floppy drive interface address select primary | DPS1/4 | On | 
| Floppy drive interface address select secondary | DPS1/4 | Off | |
| » | Monitor type select color | DPS1/5 | On | 
| Monitor type select monochrome | DPS1/5 | Off | |
| » | CPU speed select fast | DPS1/6 | On | 
| CPU speed select slow | DPS1/6 | Off | |
| DRAM CONFIGURATION | ||||
| Size | Bank 0 | P-0 | Bank 1 | P-1 | 
| 1MB | (8) 44256 | (4) 41256 | NONE | NONE | 
| 2MB | (8) 44256 | (4) 41256 | (8) 44256 | (4) 41256 | 
| MOUSE IRQ CONFIGURATION | ||||
| IRQ | JP8 | JP9 | JP10 | JP11 | 
| IRQ3 | Open | Open | Closed | Open | 
| IRQ4 | Open | Closed | Open | Open | 
| IRQ5 | Closed | Open | Open | Open | 
| IRQ9 | Open | Open | Open | Closed |