PHILIPS CONSUMER ELECTRONICS, CO.
E853
|
Device Type |
Mainboard |
|
Processor |
AM K5/AM K6/Pentium/Pentium MMX/P24T |
|
Processor Speed |
75/90/100/120/133/150/166/200/233MHz |
|
Chip Set |
Intel |
|
Maximum Onboard Memory |
256MB (EDO supported, DIMMs support EDO & SDRAM) |
|
Cache |
512KB |
|
BIOS |
Award |
|
Dimensions |
250mm x 220mm |
|
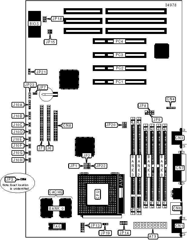
I/O Options |
32-bit PCI slots (4), floppy drive interface, green PC connector, IDE interfaces (2), parallel port, PS/2 mouse interface, serial ports (2), cache slot, IR connector, USB connectors (2) |
|
NPU Options |
None |

|
CONNECTIONS |
|||
|
Purpose |
Location |
Purpose |
Location |
|
Serial port 1 |
CN1 |
Green PC connector |
J10D |
|
Serial port 2 |
CN3 |
Power switch |
J10E |
|
PS/2 mouse interface |
CN6 |
Green PC LED |
J10F |
|
Parallel port |
CN7 |
IDE interface LED |
J10G |
|
Floppy drive interface |
CN8 |
ATX LED |
J10H |
|
IDE interface 2 |
J6 |
32-bit PCI slots |
PC1 - PC4 |
|
IDE interface 1 |
J7 |
IR connector |
CN4 |
|
Keylock |
J10A |
USB connector 1 |
JP8 |
|
Speaker |
J10B |
USB connector 2 |
JP9 |
|
Reset switch |
J10C |
|
|
|
USER CONFIGURABLE SETTINGS |
|||
|
Function |
Label |
Position |
|
|
» |
Monitor type select color |
JP3 |
Pins 1 & 2 closed |
|
Monitor type select monochrome |
JP3 |
Pins 2 & 3 closed |
|
|
» |
CMOS memory normal operation |
JP7 |
Closed |
|
CMOS memory clear |
JP7 |
Open |
|
|
» |
Factory configured - do not alter |
JP14 |
Pins 5 & 6, 7 & 8 closed |
|
» |
Factory configured - do not alter |
JP18 |
Pins 1 & 3, 4 & 6 closed |
|
» |
Factory configured - do not alter |
JP22 |
Open |
|
» |
Factory configured - do not alter |
JP23 |
Open |
|
Note: Exact location of JP3 is unidentified. |
|||
|
MODEM RING ON SETTINGS |
|||
|
Function |
Label |
Position |
|
|
» |
Disabled |
JP21 |
Open |
|
|
COM 1 enabled |
JP21 |
Pins 1 & 2 closed |
|
|
COM 2 enabled |
JP21 |
Pins 2 & 3 closed |
|
DRAM CONFIGURATION |
|||
|
Size |
Bank 0 |
Bank 1 |
|
|
8MB |
(2) 1MB x 36 |
None |
|
|
16MB |
(2) 2MB x 36 |
None |
|
|
16MB |
(2) 1MB x 36 |
(2) 1MB x 36 |
|
|
24MB |
(2) 2MB x 36 |
(2) 1MB x 36 |
|
|
32MB |
(2) 4MB x 36 |
None |
|
|
32MB |
(2) 2MB x 36 |
(2) 2MB x 36 |
|
|
40MB |
(2) 4MB x 36 |
(2) 1MB x 36 |
|
|
48MB |
(2) 4MB x 36 |
(2) 2MB x 36 |
|
|
64MB |
(2) 8MB x 36 |
None |
|
|
64MB |
(2) 4MB x 36 |
(2) 4MB x 36 |
|
|
72MB |
(2) 8MB x 36 |
(2) 1MB x 36 |
|
|
80MB |
(2) 8MB x 36 |
(2) 2MB x 36 |
|
|
96MB |
(2) 8MB x 36 |
(2) 4MB x 36 |
|
|
128MB |
(2) 8MB x 36 |
(2) 8MB x 36 |
|
|
128MB |
(2) 16MB x 36 |
None |
|
|
136MB |
(2) 16MB x 36 |
(2) 1MB x 36 |
|
|
DRAM CONFIGURATION (CONT.) |
||
|
Size |
Bank 0 |
Bank 1 |
|
144MB |
(2) 16MB x 36 |
(2) 2MB x 36 |
|
160MB |
(2) 16MB x 36 |
(2) 4MB x 36 |
|
192MB |
(2) 16MB x 36 |
(2) 8MB x 36 |
|
256MB |
(2) 16MB x 36 |
(2) 16MB x 36 |
|
Note: Board accepts EDO memory. Board also accepts x 32 SIMMs. Banks are interchangeable |
||
|
DIMM CONFIGURATION |
||
|
Size |
Bank 2 |
Bank 3 |
|
8MB |
(1) 1MB x 64 |
None |
|
16MB |
(1) 1MB x 64 |
(1) 1MB x 64 |
|
16MB |
(1) 2MB x 64 |
None |
|
24MB |
(1) 2MB x 64 |
(1) 1MB 64 |
|
32MB |
(1) 2MB x 64 |
(1) 2MB x 64 |
|
32MB |
(1) 4MB x 64 |
None |
|
40MB |
(1) 4MB x 64 |
(1) 1MB x 64 |
|
48MB |
(1) 4MB x 64 |
(1) 2MB x 64 |
|
64MB |
(1) 4MB x 64 |
(1) 4MB x 64 |
|
64MB |
(1) 8MB x 64 |
None |
|
Note: Board accepts EDO & SDRAM DIMM modules. Banks are interchangeable. DIMM modules cannot be used in conjunction with SIMM modules. |
||
|
CPU SPEED SELECTION (AMD K5) |
|||||
|
CPU speed |
Clock speed |
Multiplier |
JP1 |
JP2 |
JP20 |
|
90MHz |
60MHz |
1.5x |
1 & 2 |
1 & 2 |
Closed |
|
100MHz |
66MHz |
1.5x |
1 & 2 |
1 & 2 |
Open |
|
120MHz |
60MHz |
1.5x |
1 & 2 |
1 & 2 |
Closed |
|
133MHz |
66MHz |
2x |
2 & 3 |
1 & 2 |
Open |
|
166MHz |
66MHz |
2.5x |
2 & 3 |
2 & 3 |
Open |
|
Note: Pins designated should be in the closed position. |
|||||
|
CPU SPEED SELECTION (AMD K6) |
|||||
|
CPU speed |
Clock speed |
Multiplier |
JP1 |
JP2 |
JP20 |
|
166MHz |
66MHz |
2.5x |
2 & 3 |
2 & 3 |
Open |
|
200MHz |
66MHz |
3x |
1 & 2 |
2 & 3 |
Open |
|
233MHz |
66MHz |
3.5x |
1 & 2 |
1 & 2 |
Open |
|
Note: Pins designated should be in the closed position. |
|||||
|
CPU SPEED SELECTION (PENTIUM) |
|||||
|
CPU speed |
Clock speed |
Multiplier |
JP1 |
JP2 |
JP20 |
|
90MHz |
60MHz |
1.5x |
1 & 2 |
1 & 2 |
Closed |
|
100MHz |
66MHz |
1.5x |
1 & 2 |
1 & 2 |
Open |
|
120MHz |
60MHz |
2x |
2 & 3 |
1 & 2 |
Closed |
|
133MHz |
66MHz |
2x |
2 & 3 |
1 & 2 |
Open |
|
150MHz |
60MHz |
2.5x |
2 & 3 |
2 & 3 |
Closed |
|
166MHz |
66MHz |
2.5x |
2 & 3 |
2 & 3 |
Open |
|
200MHz |
66MHz |
3x |
1 & 2 |
2 & 3 |
Open |
|
Note: Pins designated should be in the closed position. |
|||||
|
CPU SPEED SELECTION (PENTIUM MMX) |
|||||
|
CPU speed |
Clock speed |
Multiplier |
JP1 |
JP2 |
JP20 |
|
166MHz |
66MHz |
2.5x |
2 & 3 |
2 & 3 |
Open |
|
200MHz |
66MHz |
3x |
1 & 2 |
2 & 3 |
Open |
|
233MHz |
66MHz |
1.5x |
1 & 2 |
1 & 2 |
Open |
|
Note: Pins designated should be in the closed position. |
|||||
|
CPU VOLTAGE SELECTION |
|
|
Voltage |
JP13 |
|
2.8v |
Pins 7 & 8 closed |
|
2.9v |
Pins 5 & 6 closed |
|
3.2v |
Pins 9 & 10 closed |
|
» 3.3v |
Pins 3 & 4 closed |
|
3.5v |
Pins 1 & 2 closed |
|
CHIPSET VOLTAGE SELECTION |
||
|
Voltage |
JP15 |
|
|
» |
3.3v |
Pins 1 & 2 closed |
|
|
3.5v |
Pins 3 & 4 closed |