MICRO-STAR INTERNATIONAL CO., LTD.
MS-6122
| Device Type | Mainboard | 
| Processor | Pentium II | 
| Processor Speed | 200/233/266/300/333MHz | 
| Audio Chip Set | Yamaha | 
| Chip Set | Intel 440EX | 
| Maximum Onboard Memory | 256MB (EDO & SDRAM supported) | 
| Cache | 256/512KB (located on the Pentium II CPU) | 
| BIOS | Unidentified | 
| Dimensions | 305mm x 170mm | 
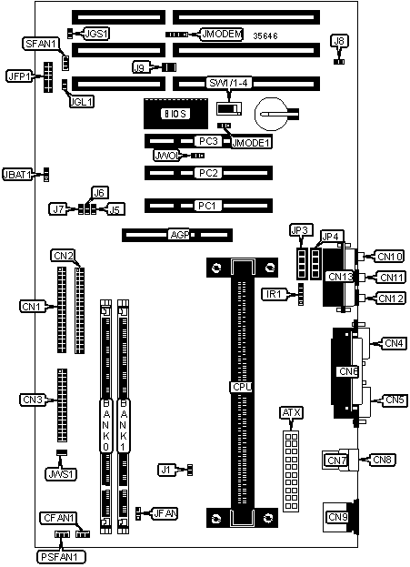
| I/O Options | 32-bit PCI slots (3), floppy drive interface, IDE interfaces (2), parallel port, PS/2 mouse port, serial ports (2), IR connector, USB connectors (2), ATX power connector, AGP slot, line in, line out, speaker out, game/MIDI port | 
 
| CONNECTIONS | |||
| Purpose | Location | Purpose | Location | 
| AGP slot | AGP | External battery connector | JBAT1 | 
| ATX power connector | ATX | CPU fan power | JFAN | 
| CPU fan power | CFAN | IDE interface LED | JFP1/pins 1 & 8 | 
| IDE interface 1 | CN1 | Power LED | JFP1/pins 2 - 4 | 
| IDE interface 2 | CN2 | Power switch | JFP1/pins 5 & 6 | 
| Floppy drive interface | CN3 | Speaker | JFP1/pins 9 - 12 | 
| Serial port 2 | CN4 | Reset switch | JFP1/pins 13 & 14 | 
| Serial port 1 | CN5 | Suspend switch | JGS1 | 
| Parallel port | CN6 | Green PC LED | JGL1 | 
| USB connector 1 | CN7 | Wake on modem connector | JMODEM | 
| USB connector 2 | CN8 | CD-ROM - audio in | JP3 | 
| PS/2 mouse port | CN9 | CD-ROM - audio in | JP4 | 
| Speaker out | CN10 | Wake on LAN connector | JWOL | 
| Line in | CN11 | Soft power off switch | JSW1 | 
| Line out | CN12 | 32-bit PCI slots | PC1 - PC3 | 
| Game/MIDI port | CN13 | Chassis fan power | SFAN | 
| IR connector | IR1 | Power supply fan power | PSFAN | 
| SB link connector | J9 | ||
| USER CONFIGURABLE SETTINGS | |||
| Function | Label | Position | |
| Flash BIOS voltage select 12v | JMODE1 | Pins 1 & 2 closed | |
| Flash BIOS voltage select 5v | JMODE1 | Pins 2 & 3 closed | |
| » | Factory configured - do not alter | J5 | Reserved | 
| » | Factory configured - do not alter | J6 | Reserved | 
| » | Factory configured - do not alter | J7 | Reserved | 
| » | CMOS memory normal operation | JBAT1 | Pins 1 & 2 closed | 
| CMOS memory clear | JBAT1 | Pins 2 & 3 closed | |
| » | Boot up by switch | J8 | Closed | 
| Immediate boot up | J8 | Open | |
| DIMM CONFIGURATION | ||
| Size | Bank 0 | Bank 1 | 
| 8MB | (1) 1M x 64 | None | 
| 16MB | (1) 2M x 64 | None | 
| 16MB | (1) 1M x 64 | (1) 1M x 64 | 
| 24MB | (1) 2M x 64 | (1) 1M x 64 | 
| 32MB | (1) 4M x 64 | None | 
| 32MB | (1) 2M x 64 | (1) 2M x 64 | 
| 40MB | (1) 4M x 64 | (1) 1M x 64 | 
| 48MB | (1) 4M x 64 | (1) 2M x 64 | 
| 64MB | (1) 8M x 64 | None | 
| 64MB | (1) 4M x 64 | (1) 4M x 64 | 
| 72MB | (1) 8M x 64 | (1) 1M x 64 | 
| 80MB | (1) 8M x 64 | (1) 2M x 64 | 
| 96MB | (1) 8M x 64 | (1) 4M x 64 | 
| 128MB | (1) 16M x 64 | None | 
| 128MB | (1) 8M x 64 | (1) 8M x 64 | 
| 136MB | (1) 16M x 64 | (1) 1M x 64 | 
| 144MB | (1) 16M x 64 | (1) 2M x 64 | 
| 160MB | (1) 16M x 64 | (1) 4M x 64 | 
| 192MB | (1) 16M x 64 | (1) 8M x 64 | 
| 256MB | (1) 16M x 64 | (1) 16M x 64 | 
| CACHE CONFIGURATION | 
| Note: The 256/512KB cache is located on the Pentium II CPU. | 
| CPU SPEED SELECTION | ||||||
| CPU speed | Clock speed | Multiplier | SW1/1 | SW1/2 | SW1/3 | SW1/4 | 
| 200MHz | 66MHz | 3x | On | On | Off | On | 
| 233MHz | 66MHz | 3.5x | On | Off | Off | On | 
| 266MHz | 66MHz | 4x | On | On | On | Off | 
| 300MHz | 66MHz | 4.5x | On | Off | On | Off | 
| 333MHz | 66MHz | 5x | On | On | Off | Off |