MICRO-STAR INTERNATIONAL CO., LTD.
MS-6123
| Device Type | Mainboard | 
| Processor | Pentium II | 
| Processor Speed | 200/233/266/300/333MHz | 
| Chip Set | Intel 440EX | 
| Audio Chip Set | Yamaha | 
| Maximum Onboard Memory | 256MB (EDO & SDRAM supported) | 
| Cache | 256/512KB (located on the Pentium II CPU) | 
| BIOS | Unidentified | 
| Dimensions | 244mm x 190mm | 
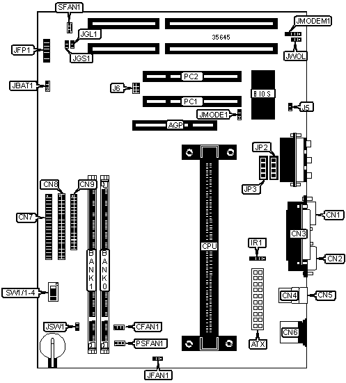
| I/O Options | 32-bit PCI slots (2), floppy drive interfaceIDE interfaces (2), parallel port, PS/2 mouse port, serial ports (2), IR connector, USB connectors (2), ATX power connector, AGP slot | 
 
| CONNECTIONS | |||
| Purpose | Location | Purpose | Location | 
| AGP slot | AGP | CPU fan power | JFAN1 | 
| ATX power connector | ATX | IDE interface LED | JFP1/pins 1 & 8 | 
| CPU fan power | CFAN1 | Power LED | JFP1/pins 2 - 4 | 
| Serial port 2 | CN1 | Power switch | JFP1/pins 5 & 6 | 
| Serial port 1 | CN2 | Speaker | JFP1/pins 9 - 12 | 
| Parallel port | CN3 | Reset switch | JFP1/pins 13 & 14 | 
| USB connector 1 | CN4 | Suspend switch | JGS1 | 
| USB connector 2 | CN5 | Green PC LED | JGL1 | 
| PS/2 mouse port | CN6 | Wake on modem connector | JMODEM1 | 
| IDE interface 1 | CN7 | Wake on LAN connector | JWOL1 | 
| IDE interface 2 | CN8 | Soft power off switch | JSW1 | 
| Floppy drive interface | CN9 | 32-bit PCI slots | PC1 - PC2 | 
| IR connector | IR1 | Chassis fan power | PSFAN1 | 
| SB link connector | J6 | Power supply fan power | SFAN1 | 
| USER CONFIGURABLE SETTINGS | |||
| Function | Label | Position | |
| Flash BIOS voltage select 12v | JMODE1 | Pins 1 & 2 closed | |
| Flash BIOS voltage select 5v | JMODE1 | Pins 2 & 3 closed | |
| » | CMOS memory normal operation | JBAT1 | Pins 1 & 2 closed | 
| CMOS memory clear | JBAT1 | Pins 2 & 3 closed | |
| » | Boot up by switch | JP5 | Closed | 
| Immediate boot up | JP5 | Open | |
| DIMM CONFIGURATION | ||||
| Size | Bank 0 | Bank 1 | Bank 2 | Bank 3 | 
| 8 MB | (1) 1M x 64 | None | None | None | 
| 16 MB | (1) 1M x 64 | (1) 1M x 64 | None | None | 
| 16 MB | (1) 2M x 64 | None | None | None | 
| 24 MB | (1) 1M x 64 | (1) 1M x 64 | (1) 1M x 64 | None | 
| 32 MB | (1) 1M x 64 | (1) 1M x 64 | (1) 1M x 64 | (1) 1M x 64 | 
| 32 MB | (1) 2M x 64 | (1) 2M x 64 | None | None | 
| 32 MB | (1) 4M x 64 | None | None | None | 
| 40 MB | (1) 2M x 64 | (1) 2M x 64 | (1) 1M x 64 | None | 
| 48 MB | (1) 2M x 64 | (1) 2M x 64 | (1) 2M x 64 | None | 
| DIMM CONFIGURATION (CONT’) | ||||
| Size | Bank 0 | Bank 1 | Bank 2 | Bank 3 | 
| 64 MB | (1) 2M x 64 | (1) 2M x 64 | (1) 2M x 64 | (1) 2M x 64 | 
| 64 MB | (1) 4M x 64 | (1) 4M x 64 | None | None | 
| 64 MB | (1) 8M x 64 | None | None | None | 
| 80 MB | (1) 4M x 64 | (1) 4M x 64 | (1) 2M x 64 | None | 
| 96 MB | (1) 4M x 64 | (1) 4M x 64 | (1) 4M x 64 | None | 
| 128 MB | (1) 4M x 64 | (1) 4M x 64 | (1) 4M x 64 | (1) 4M x 64 | 
| 128 MB | (1) 8M x 64 | (1) 8M x 64 | None | None | 
| 130 MB | (1) 8M x 64 | (1) 8M x 64 | (1) 4M x 64 | None | 
| 192 MB | (1) 8M x 64 | (1) 8M x 64 | (1) 8M x 64 | None | 
| 256 MB | (1) 8M x 64 | (1) 8M x 64 | (1) 8M x 64 | (1) 8M x 64 | 
| CACHE CONFIGURATION | 
| Note: The 256/512KB cache is located on the Pentium II CPU. | 
| CPU SPEED SELECTION (PENTIUM) | ||||||
| CPU speed | Clock speed | Multiplier | SW1/1 | SW1/2 | SW1/3 | SW1/4 | 
| 200MHz | 66MHz | 3x | On | On | Off | On | 
| 233MHz | 66MHz | 3.5x | On | Off | Off | On | 
| 266MHz | 66MHz | 4x | On | On | On | Off | 
| 300MHz | 66MHz | 4.5x | On | Off | On | Off | 
| 333MHz | 66MHz | 5x | On | On | Off | Off |