MICRO-STAR INTERNATIONAL CO., LTD.
MS-6116
| Device Type | Mainboard | 
| Processor | Pentium II | 
| Processor Speed | 233/250/266/300/350/400/450MHz | 
| Chip Set | Intel 440BX | 
| Maximum Onboard Memory | 1GB (EDO & SDRAM supported) | 
| Cache | 256/512KB (located on the Pentium II CPU) | 
| BIOS | Unidentified | 
| Dimensions | 300mm x 225mm | 
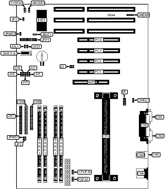
| I/O Options | 32-bit PCI slots (4), floppy drive interfaceIDE interfaces (2), parallel port, PS/2 mouse port, serial ports (2), IR connector, USB connectors (2), ATX power connector, AGP slot | 
 
| CONNECTIONS | |||
| Purpose | Location | Purpose | Location | 
| AGP slot | AGP | Power LED & keylock | JFP1/pins 1 - 5 | 
| ATX power connector | ATX | Speaker | JFP1/pins 7 - 10 | 
| Serial port 2 | CN1 | IDE interface LED | JFP1/pins 12 & 24 | 
| Serial port 1 | CN2 | Turbo LED | JFP1/pins 14 & 15 | 
| Parallel port | CN3 | Reset switch | JFP1/pins 21 & 22 | 
| USB connector 1 | CN4 | Wake on modem connector | JMDM1 | 
| USB connector 2 | CN5 | Chassis intrusion connector | JP3 | 
| PS/2 mouse port | CN6 | Power switch | JRMS1 | 
| IDE interface 1 | CN7 | Power switch | JRMS2 | 
| IDE interface 2 | CN8 | Wake on LAN connector | JWOL1 | 
| Floppy drive interface | CN9 | 32-bit PCI slots | PC1 - PC4 | 
| CPU fan power | CPUFA1 | Power supply fan power | PSFA1 | 
| IR connector | IR | Chassis fan power | SYSFA1 | 
| Sound card connector | J3 | ||
| USER CONFIGURABLE SETTINGS | |||
| Function | Label | Position | |
| Flash BIOS voltage select 12v | JMODE1 | Pins 1 & 2 closed | |
| Flash BIOS voltage select 5v | JMODE1 | Pins 2 & 3 closed | |
| » | CMOS memory normal operation | JBAT1 | Pins 1 & 2 closed | 
| CMOS memory clear | JBAT1 | Pins 2 & 3 closed | |
| » | Boot up by switch | JP2 | Closed | 
| Immediate boot up | JP2 | Open | |
| DIMM CONFIGURATION | ||||
| Size | Bank 0 | Bank 1 | Bank 2 | Bank 3 | 
| 8 MB | (1) 1M x 64 | None | None | None | 
| 16 MB | (1) 1M x 64 | (1) 1M x 64 | None | None | 
| 16 MB | (1) 2M x 64 | None | None | None | 
| 24 MB | (1) 1M x 64 | (1) 1M x 64 | (1) 1M x 64 | None | 
| 32 MB | (1) 1M x 64 | (1) 1M x 64 | (1) 1M x 64 | (1) 1M x 64 | 
| 32 MB | (1) 2M x 64 | (1) 2M x 64 | None | None | 
| 32 MB | (1) 4M x 64 | None | None | None | 
| 40 MB | (1) 2M x 64 | (1) 2M x 64 | (1) 1M x 64 | None | 
| 48 MB | (1) 2M x 64 | (1) 2M x 64 | (1) 2M x 64 | None | 
| DIMM CONFIGURATION (CONT’) | ||||
| Size | Bank 0 | Bank 1 | Bank 2 | Bank 3 | 
| 64 MB | (1) 2M x 64 | (1) 2M x 64 | (1) 2M x 64 | (1) 2M x 64 | 
| 64 MB | (1) 4M x 64 | (1) 4M x 64 | None | None | 
| 64 MB | (1) 8M x 64 | None | None | None | 
| 80 MB | (1) 4M x 64 | (1) 4M x 64 | (1) 2M x 64 | None | 
| 96 MB | (1) 4M x 64 | (1) 4M x 64 | (1) 4M x 64 | None | 
| 128 MB | (1) 4M x 64 | (1) 4M x 64 | (1) 4M x 64 | (1) 4M x 64 | 
| 128 MB | (1) 8M x 64 | (1) 8M x 64 | None | None | 
| 128 MB | (1) 16M x 64 | None | None | None | 
| 130 MB | (1) 8M x 64 | (1) 8M x 64 | (1) 4M x 64 | None | 
| 192 MB | (1) 8M x 64 | (1) 8M x 64 | (1) 8M x 64 | None | 
| 256 MB | (1) 8M x 64 | (1) 8M x 64 | (1) 8M x 64 | (1) 8M x 64 | 
| 256 MB | (1) 16M x 64 | (1) 16M x 64 | None | None | 
| 256 MB | (1) 32M x 64 | None | None | None | 
| 320 MB | (1) 16M x 64 | (1) 16M x 64 | (1) 8M x 64 | None | 
| 384 MB | (1) 16M x 64 | (1) 16M x 64 | (1) 16M x 64 | None | 
| 512 MB | (1) 16M x 64 | (1) 16M x 64 | (1) 16M x 64 | (1) 16M x 64 | 
| 512 MB | (1) 32M x 64 | (1) 32M x 64 | None | None | 
| 640 MB | (1) 32M x 64 | (1) 32M x 64 | (1) 16M x 64 | None | 
| 768 MB | (1) 32M x 64 | (1) 32M x 64 | (1) 32M x 64 | None | 
| 1024 MB | (1) 32M x 64 | (1) 32M x 64 | (1) 32M x 64 | (1) 32M x 64 | 
| CACHE CONFIGURATION | 
| Note: The 256/512KB cache is located on the Pentium II CPU. | 
| CPU SPEED SELECTION | ||
| Speed | SW1/5 | SW1/6 | 
| 66.6MHz | On | Off | 
| 100MHz | Off | Off | 
| CPU MULTIPLIER SELECTION | ||||
| Multiplier | SW1/1 | SW1/2 | SW1/3 | SW1/4 | 
| 2.5x | On | Off | On | On | 
| 3x | On | On | Off | On | 
| 3.5x | On | Off | Off | On | 
| 4x | On | On | On | Off | 
| 4.5x | On | Off | On | Off | 
| 5x | On | On | Off | Off | 
| 5.5x | On | Off | Off | Off | 
| 6x | Off | On | On | On | 
| 6.5x | Off | Off | On | On | 
| 7x | Off | On | Off | On | 
| 7.5x | Off | Off | Off | On | 
| 8x | Off | On | On | Off |