MICRONICS COMPUTERS, INC.
REDSTONE
| Device Type | Mainboard | 
| Processor | Pentium II | 
| Processor Speed | 233/266/300/333/350/400MHz | 
| Chip Set | Intel | 
| Video Chip Set | None | 
| Maximum Onboard Memory | 768MB (SDRAM supported) | 
| Maximum Video Memory | None | 
| Cache | 256/512KB (located on Pentium II CPU) | 
| BIOS | Phoenix | 
| Dimensions | 305mm x 244mm | 
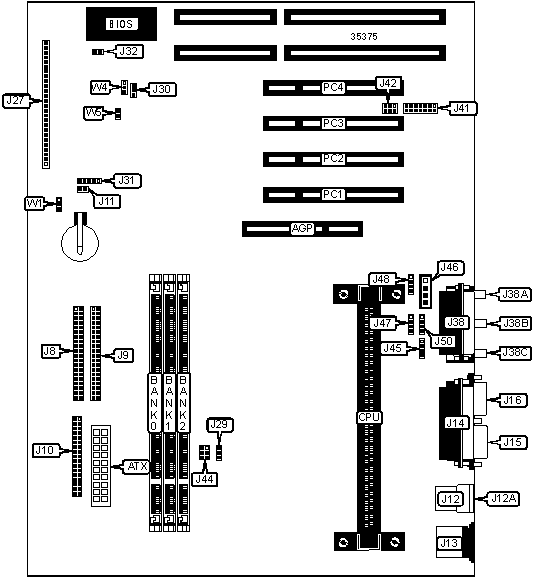
| I/O Options | 32-bit PCI slots (4), floppy drive interface, game/MIDI port, IDE interfaces (2), parallel port, PS/2 mouse port, serial ports (2), USB connectors (2), ATX power connector, AGP slot, line in, line out, microphone in, audio in  CD-ROM | 
| NPU Options | None | 
 
| CONNECTIONS | |||
| Purpose | Location | Purpose | Location | 
| AGP slot | AGP | CPU fan power 1 | J29 | 
| ATX power connector | ATX | Chassis fan power | J30 | 
| IDE interface 1 | J8 | I2C connector | J31 | 
| IDE interface 2 | J9 | Chassis intrusion alarm | J32 | 
| Floppy drive interface | J10 | Game/MIDI port | J38 | 
| IDE interface LED | J11 | Microphone in | J38A | 
| USB connector 1 | J12 | Line in | J38B | 
| USB connector 2 | J12A | Line out | J38C | 
| PS/2 mouse port | J13 | PCI sideband connector | J41 | 
| Parallel port | J14 | PCI sideband connector | J42 | 
| Serial port 1 | J15 | Audio auxiliary input | J45 | 
| Serial port 2 | J16 | Audio in  CD-ROM | J46 | 
| Soft off power supply | J27/pins 1 & 2 | Video audio input | J47 | 
| IDE interface LED | J27/pins 13 - 16 | I2S connector | J48 | 
| Power LED | J27/pins 18  20 | Phone in | J50 | 
| Reset switch | J27/pins 22 & 23 | 32-bit PCI slots | PC1  PC4 | 
| Speaker | J27/pins 24 - 27 | ||
| USER CONFIGURABLE SETTINGS | |||
| Function | Label | Position | |
| » | CPU speed select from BIOS disabled | W1 | Pins 1 & 2 closed | 
| CPU speed select from BIOS enabled | W1 | Pins 2 & 3 closed | |
| » | CMOS memory normal operation | W4 | Pins 1 & 2 closed | 
| CMOS memory clear | W4 | Pins 2 & 3 closed | |
| » | Factory configured - do not alter | W5 | Unidentified | 
| DIMM CONFIGURATION | |||
| Size | Bank 0 | Bank 1 | Bank 2 | 
| 8MB | (1) 1M x 64 | None | None | 
| 16MB | (1) 1M x 64 | (1) 1M x 64 | None | 
| 16MB | (1) 2M x 64 | None | None | 
| 24MB | (1) 1M x 64 | (1) 1M x 64 | (1) 1M x 64 | 
| 32MB | (1) 2M x 64 | (1) 2M x 64 | None | 
| 32MB | (1) 4M x 64 | None | None | 
| 48MB | (1) 2M x 64 | (1) 2M x 64 | (1) 2M x 64 | 
| 64MB | (1) 4M x 64 | (1) 4M x 64 | None | 
| DIMM CONFIGURATION (CONT) | |||
| Size | Bank 0 | Bank 1 | Bank 2 | 
| 64MB | (1) 8M x 64 | None | None | 
| 96MB | (1) 4M x 64 | (1) 4M x 64 | (1) 4M x 64 | 
| 128MB | (1) 8M x 64 | (1) 8M x 64 | None | 
| 128MB | (1) 16M x 64 | None | None | 
| 136MB | (1) 16M x 64 | (1) 1M x 64 | None | 
| 144MB | (1) 16M x 64 | (1) 1M x 64 | (1) 1M x 64 | 
| 144MB | (1) 16M x 64 | (1) 2M x 64 | None | 
| 160MB | (1) 16M x 64 | (1) 2M x 64 | (1) 2M x 64 | 
| 160MB | (1) 16M x 64 | (1) 4M x 64 | None | 
| 192MB | (1) 16M x 64 | (1) 4M x 64 | (1) 4M x 64 | 
| 192MB | (1) 16M x 64 | (1) 8M x 64 | None | 
| 192MB | (1) 8M x 64 | (1) 8M x 64 | (1) 8M x 64 | 
| 256MB | (1) 16M x 64 | (1) 8M x 64 | (1) 8M x 64 | 
| 256MB | (1) 16M x 64 | (1) 16M x 64 | None | 
| 256MB | (1) 32M x 64 | None | None | 
| 264MB | (1) 32M x 64 | (1) 1M x 64 | None | 
| 272MB | (1) 32M x 64 | (1) 1M x 64 | (1) 1M x 64 | 
| 272MB | (1) 32M x 64 | (1) 2M x 64 | None | 
| 288MB | (1) 32M x 64 | (1) 2M x 64 | (1) 2M x 64 | 
| 288MB | (1) 32M x 64 | (1) 4M x 64 | None | 
| 320MB | (1) 32M x 64 | (1) 4M x 64 | (1) 4M x 64 | 
| 320MB | (1) 32M x 64 | (1) 8M x 64 | None | 
| 384MB | (1) 32M x 64 | (1) 8M x 64 | (1) 8M x 64 | 
| 384MB | (1) 32M x 64 | (1) 16M x 64 | None | 
| 384MB | (1) 16M x 64 | (1) 16M x 64 | (1) 16M x 64 | 
| 512MB | (1) 32M x 64 | (1) 16M x 64 | (1) 16M x 64 | 
| 512MB | (1) 32M x 64 | (1) 32M x 64 | None | 
| 768MB | (1) 32M x 64 | (1) 32M x 64 | (1) 32M x 64 | 
| Note: Board accepts SDRAM memory. | |||
| CACHE CONFIGURATION | 
| Note: 256KB/512KB cache is located on the Pentium II CPU. |