CALIFORNIA GRAPHICS & PERIPHERALS, INC.
POWER PRO II AGP VIDEO
| Device Type | Mainboard | 
| Processor | Pentium II | 
| Processor Speed | 233/266/300MHz | 
| Chip Set | Intel 440LX | 
| Video Chip Set | S3 | 
| Maximum Onboard Memory | 384MB DRAM (EDO & SDRAM supported) | 
| Maximum Video Memory | 4MB DRAM | 
| Cache | 512KB cache (located on the Pentium II CPU) | 
| BIOS | AMI | 
| Dimensions | 307mm x 241mm | 
| I/O Options | PS/2 mouse port, USB port (2), serial ports (2), parallel port, VGA port, line out, line in, microphone, game port, TV out connector, audio in - CD-ROM (2), Wave table connector, VGA feature connector, IR connector | 
 
| CONNECTIONS | |||
| Purpose | Location | Purpose | Location | 
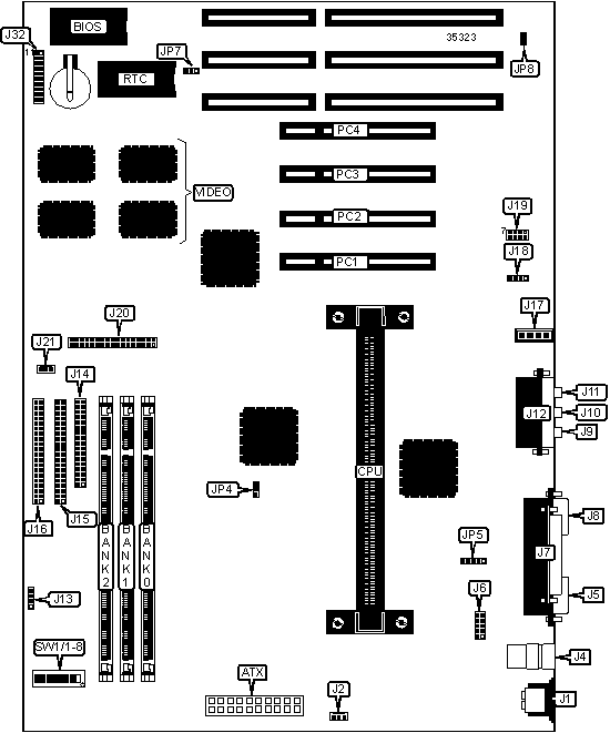
| ATX Connector | ATX | IDE interface 2 | J16 | 
| PS/2 mouse port | J1 | Audio in - CD-ROM | J17 | 
| CPU fan power | J2 | Audio in - CD-ROM | J18 | 
| USB port 1 | J4 | Wave table connector | J19 | 
| USB port 2 | J4 | VGA feature connector | J20 | 
| Serial port 1 | J5 | Chassis fan power | J21 | 
| Serial port 2 | J6 | Speaker | J32/pins 1 - 4 | 
| Parallel port | J7 | Soft off power supply | J32/pins 6 & 16 | 
| VGA port | J8 | Power switch | J32/pins 7 & 17 | 
| Line out | J9 | Turbo LED | J32/pins 8 & 18 | 
| Line in | J10 | Reset switch | J32/pins 9 & 19 | 
| Microphone | J11 | IDE interface LED | J32/pins 10 & 20 | 
| Game port | J12 | Power LED & keylock | J32/pins 11 - 15 | 
| TV out connector | J13 | Chassis intrusion monitoring | JP4 | 
| Floppy drive interface | J14 | IR connector | JP5 | 
| IDE interface 1 | J15 | 32-bit PCI slots | PC1 - PC4 | 
| USER CONFIGURABLE SETTINGS | |||
| Function | Label | Position | |
| » | CMOS memory normal operation | JP7 | Pins 1 & 2 closed | 
| CMOS memory clear | JP7 | Pins 2 & 3 closed | |
| » | Onboard audio enabled | JP8 | Closed | 
| Onboard audio disabled | JP8 | Open | |
| DIMM CONFIGURATION | |||
| Size | Bank 0 | Bank 1 | Bank 2 | 
| 8MB | (1) 1MB x 64 | None | None | 
| 16MB | (1) 1MB x 64 | (1) 1MB x 64 | None | 
| 16MB | (1) 2MB x 64 | None | None | 
| 24MB | (1) 1MB x 64 | (1) 1MB x 64 | (1) 1MB x 64 | 
| 24MB | (1) 2MB x 64 | (1) 1MB x 64 | None | 
| 32MB | (1) 2MB x 64 | (1) 2MB x 64 | None | 
| 32MB | (1) 4MB x 64 | None | None | 
| 32MB | (1) 2MB x 64 | (1) 1MB x 64 | (1) 1MB x 64 | 
| 40MB | (1) 4MB x 64 | (1) 1MB x 64 | None | 
| 48MB | (1) 2MB x 64 | (1) 2MB x 64 | (1) 2MB x 64 | 
| 48MB | (1) 4MB x 64 | (1) 2MB x 64 | None | 
| 48MB | (1) 4MB x 64 | (1) 1MB x 64 | (1) 1MB x 64 | 
| 56MB | (1) 4MB x 64 | (1) 2MB x 64 | (1) 1MB x 64 | 
| 64MB | (1) 4MB x 64 | (1) 4MB x 64 | None | 
| 64MB | (1) 8MB x 64 | None | None | 
| 64MB | (1) 4MB x 64 | (1) 2MB x 64 | (1) 2MB x 64 | 
| 72MB | (1) 8MB x 64 | (1) 1MB x 64 | None | 
| DIMM CONFIGURATION (CONT.) | |||
| Size | Bank 0 | Bank 1 | Bank 2 | 
| 80MB | (1) 8MB x 64 | (1) 2MB x 64 | None | 
| 80MB | (1) 8MB x 64 | (1) 1MB x 64 | (1) 1MB x 64 | 
| 96MB | (1) 4MB x 64 | (1) 4MB x 64 | (1) 4MB x 64 | 
| 96MB | (1) 8MB x 64 | (1) 4MB x 64 | None | 
| 96MB | (1) 8MB x 64 | (1) 2MB x 64 | (1) 2MB x 64 | 
| 104MB | (1) 8MB x 64 | (1) 4MB x 64 | (1) 1MB x 64 | 
| 112MB | (1) 8MB x 64 | (1) 4MB x 64 | (1) 2MB x 64 | 
| 128MB | (1) 8MB x 64 | (1) 8MB x 64 | None | 
| 128MB | (1) 16MB x 64 | None | None | 
| 128MB | (1) 8MB x 64 | (1) 4MB x 64 | (1) 4MB x 64 | 
| 136MB | (1) 16MB x 64 | (1) 1MB x 64 | None | 
| 144MB | (1) 16MB x 64 | (1) 2MB x 64 | None | 
| 144MB | (1) 16MB x 64 | (1) 1MB x 64 | (1) 1MB x 64 | 
| 152MB | (1) 16MB x 64 | (1) 2MB x 64 | (1) 1MB x 64 | 
| 160MB | (1) 16MB x 64 | (1) 2MB x 64 | (1) 2MB x 64 | 
| 168MB | (1) 16MB x 64 | (1) 4MB x 64 | None | 
| 168MB | (1) 16MB x 64 | (1) 4MB x 64 | (1) 1MB x 64 | 
| 176MB | (1) 16MB x 64 | (1) 4MB x 64 | (1) 2MB x 64 | 
| 192MB | (1) 8MB x 64 | (1) 8MB x 64 | (1) 8MB x 64 | 
| 192MB | (1) 16MB x 64 | (1) 8MB x 64 | None | 
| 192MB | (1) 16MB x 64 | (1) 4MB x 64 | (1) 4MB x 64 | 
| 200MB | (1) 16MB x 64 | (1) 8MB x 64 | (1) 1MB x 64 | 
| 208MB | (1) 16MB x 64 | (1) 8MB x 64 | (1) 2MB x 64 | 
| 224MB | (1) 16MB x 64 | (1) 8MB x 64 | (1) 4MB x 64 | 
| 256MB | (1) 16MB x 64 | (1) 16MB x 64 | None | 
| 256MB | (1) 16MB x 64 | (1) 8MB x 64 | (1) 8MB x 64 | 
| 384MB | (1) 16MB x 64 | (1) 16MB x 64 | (1) 16MB x 64 | 
| CPU SPEED SELECTION | ||||||
| Speed | Clock speed | Multiplier | SW1/1 | SW1/2 | SW1/3 | SW1/4 | 
| 233MHz | 66MHz | 3.5x | Off | Off | On | Off | 
| 266MHz | 66MHz | 4x | Off | Off | Off | On | 
| 300MHz | 66MHz | 4.5x | Off | Off | Off | On | 
| CPU SPEED SELECTION (CONT.) | ||||||
| Speed | Clock speed | Multiplier | SW1/5 | SW1/6 | SW1/7 | SW1/8 | 
| 233MHz | 66MHz | 3.5x | Off | On | Off | Off | 
| 266MHz | 66MHz | 4x | On | On | Off | Off | 
| 300MHz | 66MHz | 4.5x | Off | On | Off | Off |