MICRO-STAR INTERNATIONAL CO., LTD.
MS-6114
| Device Type | Mainboard | 
| Processor | Pentium II | 
| Processor Speed | 200/233/266/300/333MHz | 
| Chip Set | Intel | 
| Video Chip Set | None | 
| Maximum Onboard Memory | 1024MB (EDO & SDRAM supported) | 
| Maximum Video Memory | None | 
| Cache | 256/512KB (located on Pentium II CPU) | 
| BIOS | Unidentified | 
| Dimensions | 300mm x 250mm | 
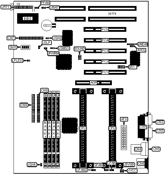
| I/O Options | 32-bit PCI slots (5), floppy drive interface, green PC connector, IDE interfaces (2), parallel port, PS/2 mouse port, serial ports (2), IR connector, USB connectors (2), ATX power connector, AGP slot | 
| NPU Options | None | 
 
| CONNECTIONS | |||
| Purpose | Location | Purpose | Location | 
| AGP slot | AGP | Speaker | JFP1/pins 7 - 10 | 
| ATX power connector | ATX | Turbo LED | JFP1/pins 12 & 13 | 
| CPU fan power 1 | CFAN | Reset switch | JFP1/pins 19 & 20 | 
| CPU fan power 2 | CFAN2 | IDE interface LED | JFP1/pins 22 & 24 | 
| Parallel port | CN1 | Wake on modem connector | JMDM | 
| Serial port 2 | CN2 | Green PC connector | JSLP | 
| Serial port 1 | CN3 | Soft off power supply | JSW1 | 
| USB connector 1 | CN4 | Soft off power supply | JSW2 | 
| USB connector 2 | CN5 | Wake on LAN connector | JWOL | 
| PS/2 mouse port | CN6 | Green PC LED | LPLED | 
| Floppy drive interface | CN7 | 32-bit PCI slots | PC1 – PC5 | 
| IDE interface 2 | CN8 | Power supply fan | PFAN | 
| IDE interface 1 | CN9 | Chassis fan power | SFAN | 
| IR connector | IR1 | Sound connector | SOUND | 
| Power LED & keylock | JFP1/pins 1 - 5 | ||
| USER CONFIGURABLE SETTINGS | |||
| Function | Label | Position | |
| Keyboard wake up enabled | J5VSB | Closed | |
| Keyboard wake up disabled | J5VSB | Open | |
| » | CMOS memory normal operation | JBAT | Pins 1 & 2 closed | 
| CMOS memory clear | JBAT | Pins 2 & 3 closed | |
| » | ATX power on/off mode enabled | JPWRM | Closed | 
| Select power on system at power up | JPWRM | Open | |
| » | Factory configured - do not alter | JSMS1 | Unidentified | 
| » | Keyboard power on disabled | JVCC | Closed | 
| Keyboard power on enabled | JVCC | Open | |
| DIMM CONFIGURATION | ||||
| Size | Bank 0 | Bank 1 | Bank 2 | Bank 3 | 
| 8MB | (1) 1M x 64 | None | None | None | 
| 16MB | (1) 2M x 64 | None | None | None | 
| 16MB | (1) 1M x 64 | (1) 1M x 64 | None | None | 
| 24MB | (1) 2M x 64 | (1) 1M x 64 | None | None | 
| 24MB | (1) 1M x 64 | (1) 1M x 64 | (1) 1M x 64 | None | 
| 32MB | (1) 4M x 64 | None | None | None | 
| 32MB | (1) 2M x 64 | (1) 2M x 64 | None | None | 
| 32MB | (1) 1M x 64 | (1) 1M x 64 | (1) 1M x 64 | (1) 1M x 64 | 
| 40MB | (1) 4M x 64 | (1) 1M x 64 | None | None | 
| 48MB | (1) 4M x 64 | (1) 2M x 64 | None | None | 
| 48MB | (1) 2M x 64 | (1) 2M x 64 | (1) 2M x 64 | None | 
| DIMM CONFIGURATION (CON’T) | ||||
| Size | Bank 0 | Bank 1 | Bank 2 | Bank 3 | 
| 64MB | (1) 8M x 64 | None | None | None | 
| 64MB | (1) 4M x 64 | (1) 4M x 64 | None | None | 
| 64MB | (1) 2M x 64 | (1) 2M x 64 | (1) 2M x 64 | (1) 2M x 64 | 
| 72MB | (1) 8M x 64 | (1) 1M x 64 | None | None | 
| 80MB | (1) 8M x 64 | (1) 2M x 64 | None | None | 
| 96MB | (1) 8M x 64 | (1) 4M x 64 | None | None | 
| 96MB | (1) 4M x 64 | (1) 4M x 64 | (1) 4M x 64 | None | 
| 128MB | (1) 16M x 64 | None | None | None | 
| 128MB | (1) 8M x 64 | (1) 8M x 64 | None | None | 
| 128MB | (1) 4M x 64 | (1) 4M x 64 | (1) 4M x 64 | (1) 4M x 64 | 
| 136MB | (1) 16M x 64 | (1) 1M x 64 | None | None | 
| 144MB | (1) 16M x 64 | (1) 2M x 64 | None | None | 
| 160MB | (1) 16M x 64 | (1) 4M x 64 | None | None | 
| 192MB | (1) 16M x 64 | (1) 8M x 64 | None | None | 
| 192MB | (1) 8M x 64 | (1) 8M x 64 | (1) 8M x 64 | None | 
| 256MB | (1) 16M x 64 | (1) 16M x 64 | None | None | 
| 256MB | (1) 8M x 64 | (1) 8M x 64 | (1) 8M x 64 | (1) 8M x 64 | 
| 256MB | (1) 32M x 64 | None | None | None | 
| 384MB | (1) 16M x 64 | (1) 16M x 64 | (1) 16M x 64 | None | 
| 512MB | (1) 16M x 64 | (1) 16M x 64 | (1) 16M x 64 | (1) 16M x 64 | 
| 512MB | (1) 32M x 64 | (1) 32M x 64 | None | None | 
| 768MB | (1) 32M x 64 | (1) 32M x 64 | (1) 32M x 64 | None | 
| 1024MB | (1) 32M x 64 | (1) 32M x 64 | (1) 32M x 64 | (1) 32M x 64 | 
| Note: Board accepts EDO & SDRAM memory. 1GB maximum if using EDO memory. 512MB maximum if using EDO memory. | ||||
| CACHE CONFIGURATION | 
| Note: 256KB/512KB cache is located on the Pentium II CPU. | 
| CPU SPEED SELECTION | ||||||
| CPU speed | Clock speed | Multiplier | SW1/1 | SW1/2 | SW1/3 | SW1/4 | 
| 200MHz | 66MHz | 3x | On | On | Off | On | 
| 233MHz | 66MHz | 3.5x | On | Off | Off | On | 
| 266MHz | 66MHz | 4x | On | On | On | Off | 
| 300MHz | 66MHz | 4.5x | On | Off | On | Off | 
| 333MHz | 66MHz | 5x | On | On | Off | Off |