MICRONICS COMPUTERS, INC.
M7S-HI
|
Processor |
AM K5/AM K6/Pentium |
|
Processor Speed |
75/90/100/120/133/150/166/200MHz |
|
Chip Set |
Intel |
|
Video Chip Set |
None |
|
Maximum Onboard Memory |
256MB (EDO supported) |
|
Maximum Video Memory |
None |
|
Cache |
256/512KB |
|
BIOS |
Phoenix |
|
Dimensions |
305mm x 244mm |
|
I/O Options |
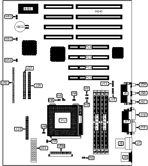
32-bit PCI slots (4), CD-ROM audio in connector, floppy drive interface, game port, green PC connector, IDE interfaces (2), parallel port, PS/2 mouse port, serial ports (2), IR connector, VRM connector, USB connectors (2), ATX power connector, microphone in connector, line in connector, line out connector, telephony connector, wavetable connector |
|
NPU Options |
None |
|
CONNECTIONS | |||
|
Purpose |
Location |
Purpose |
Location |
|
ATX power connector |
ATX |
IDE interface 2 |
J25 |
|
Game port |
J5 |
IDE interface 1 |
J27 |
|
Microphone in connector |
J5A |
Floppy drive interface |
J28 |
|
Line in connector |
J5B |
32-bit PCI slots |
PC1 – PC4 |
|
Line out connector |
J5C |
Soft off power supply |
U50/pins 1 & 2 |
|
USB connector 1 |
J6 |
Green PC connector |
U50/pins 3 & 4 |
|
USB connector 2 |
J7 |
IR connector |
U50/pins 6 - 11 |
|
PS/2 mouse port |
J8 |
IDE interface LED |
U50/pins 13 - 16 |
|
CD-ROM audio in connector |
J13 |
Power LED |
U50/pins 19 - 21 |
|
Wavetable connector |
J14 |
Reset switch |
U50/pins 22 & 23 |
|
Telephony connector |
J15 |
Speaker |
U50/pins 24 - 27 |
|
Parallel port |
J17 |
VRM connector |
VRM |
|
Serial port 2 |
J18 |
Chassis fan power |
W3 |
|
Serial port 1 |
J19 |
Chassis fan power |
W9 |
|
Note: The location of J14 is unidentified. | |||
|
USER CONFIGURABLE SETTINGS | |||
|
Function |
Label |
Position | |
|
» |
CMOS memory normal operation |
W10 |
Pins 1 & 2 closed |
|
CMOS memory clear |
W10 |
Pins 2 & 3 closed | |
|
» |
Cacheable DRAM range select normal |
W12 |
Open |
|
Cacheable DRAM range select extended |
W12 |
Closed | |
|
» |
AT bus clock select 1/4 |
W13 |
Closed |
|
AT bus clock select 1/3 |
W13 |
Open | |
|
» |
Soft off power enabled |
W14 |
Open |
|
Soft off power disabled |
W14 |
Closed | |
|
Note: The location of J12 is unidentified. | |||
|
DRAM CONFIGURATION | ||
|
Size |
Bank 0 |
Bank 1 |
|
8MB |
(2) 1M x 36 |
None |
|
16MB |
(2) 2M x 36 |
None |
|
16MB |
(2) 1M x 36 |
(2) 1M x 36 |
|
24MB |
(2) 2M x 36 |
(2) 1M x 36 |
|
32MB |
(2) 4M x 36 |
None |
|
32MB |
(2) 2M x 36 |
(2) 2M x 36 |
|
40MB |
(2) 4M x 36 |
(2) 1M x 36 |
|
48MB |
(2) 4M x 36 |
(2) 2M x 36 |
|
64MB |
(2) 8M x 36 |
None |
|
DRAM CONFIGURATION (CON’T) | ||
|
Size |
Bank 0 |
Bank 1 |
|
64MB |
(2) 4M x 36 |
(2) 4M x 36 |
|
72MB |
(2) 8M x 36 |
(2) 1M x 36 |
|
80MB |
(2) 8M x 36 |
(2) 2M x 36 |
|
96MB |
(2) 8M x 36 |
(2) 4M x 36 |
|
128MB |
(2) 8M x 36 |
(2) 8M x 36 |
|
128MB |
(2) 16M x 36 |
None |
|
136MB |
(2) 16M x 36 |
(2) 1M x 36 |
|
144MB |
(2) 16M x 36 |
(2) 2M x 36 |
|
160MB |
(2) 16M x 36 |
(2) 4M x 36 |
|
192MB |
(2) 16M x 36 |
(2) 8M x 36 |
|
256MB |
(2) 16M x 36 |
(2) 16M x 36 |
|
Note: Board accepts EDO memory. | ||
|
CACHE CONFIGURATION | |
|
Size |
Bank 0 |
|
256KB |
(2) 32K x 32 |
|
512KB |
(2) 64K x 32 |
|
Note: The location of bank 0 is unidentified. | |
|
CPU SPEED SELECTION (AMD) | |||||||
|
CPU speed |
Clock speed |
Multiplier |
W1 |
W2 |
W4 |
W5 |
W6 |
|
75MHz |
50MHz |
1.5x |
N/A |
N/A |
N/A |
Open |
Open |
|
90MHz |
60MHz |
1.5x |
Closed |
Open |
Closed |
Open |
Open |
|
100MHz |
66MHz |
1.5x |
Open |
Closed |
Open |
Open |
Open |
|
120MHz |
60MHz |
2x |
Closed |
Open |
Closed |
Open |
Closed |
|
133MHz |
66MHz |
2x |
Open |
Closed |
Open |
Open |
Closed |
|
150MHz |
60MHz |
2.5x |
Closed |
Open |
Closed |
Closed |
Closed |
|
166MHz |
66MHz |
2.5x |
Open |
Closed |
Open |
Closed |
Closed |
|
200MHz |
66MHz |
3x |
Open |
Closed |
Open |
Closed |
Open |
|
Note: If an AM K6 processor is installed, a VRM module must be installed. The jumper settings for W1 – W3 with a 75MHZ processor are unidentified. | |||||||
|
CPU SPEED SELECTION (INTEL) | |||||||
|
CPU speed |
Clock speed |
Multiplier |
W1 |
W2 |
W4 |
W5 |
W6 |
|
90MHz |
60MHz |
1.5x |
Closed |
Open |
Closed |
Open |
Open |
|
100MHz |
66MHz |
1.5x |
Open |
Closed |
Open |
Open |
Open |
|
120MHz |
60MHz |
2x |
Closed |
Open |
Closed |
Open |
Closed |
|
133MHz |
66MHz |
2x |
Open |
Closed |
Open |
Open |
Closed |
|
150MHz |
60MHz |
2.5x |
Closed |
Open |
Closed |
Closed |
Closed |
|
166MHz |
66MHz |
2.5x |
Open |
Closed |
Open |
Closed |
Closed |
|
200MHz |
66MHz |
3x |
Open |
Closed |
Open |
Closed |
Open |
|
Note: If a MMX processor is installed, a VRM module must be installed. | |||||||
|
CPU TYPE SELECTION | ||
|
Type |
W7 | |
|
STD/VR |
Open | |
| » |
VRE |
Closed |