MICRO-STAR INTERNATIONAL CO., LTD.

MS-5136 (VER 1.0)

Processor

CX M1/AM K5/Pentium

Processor Speed

75/90/100/120/133/150/166/200MHz

Chip Set

Intel

Video Chip Set

None

Maximum Onboard Memory

128MB (EDO supported)

Maximum Video Memory

None

Cache

256/512KB

BIOS

AMI/Award

Dimensions

305mm x 220mm

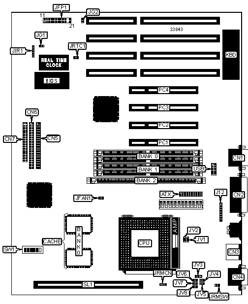
I/O Options

32-bit PCI slots (4), floppy drive interface, green PC connector, IDE interfaces (2), parallel port, PS/2 mouse port, serial ports (2), cache slot, IR connector, USB connector, ATX power connector, remote power on/off switch, remote on/off switch

NPU Options

None

CONNECTIONS

Purpose

Location

Purpose

Location

ATX power connector

ATX

Turbo LED

JFP1 pins 12 & 13

Serial port 2

CN1

Turbo switch

JFP1 pins 15 & 17

Parallel port

CN2

Reset switch

JFP1 pins 19 & 20

PS/2 mouse port

CN3

IDE interface LED

JFP1 pins 21 & 22

Serial port 1

CN4

Green PC connector

JG2

IDE interface 1

CN5

IR connector

JIR1

IDE interface 2

CN6

Remote on/off switch

JRMCN

Floppy drive interface

CN7

Remote on/off switch

JRMSW

Chassis fan power

JFAN1

32-bit PCI slots

PC1 - PC4

Power LED & keylock

JFP1 pins 1 - 5

Cache slot

SL1

Speaker

JFP1 pins 7 & 10

USB connector

USB

USER CONFIGURABLE SETTINGS

Function

Label

Position

»

Factory configured - do not alter

J12

1 & 2, 3 & 4, 5 & 6, 7 & 8

»

Factory configured - do not alter

JG1

Unidentified

»

Factory configured - do not alter

JRTC1

Unidentified

Note: Pins designated should be in the closed position.

DRAM CONFIGURATION

Size

Bank 0

Bank 1

Bank 2

8MB

(2) 1M x 36

None

None

8MB

None

None

(1) 1M x 64

16MB

(2) 2M x 36

None

None

16MB

(2) 1M x 36

(2) 1M x 36

None

16MB

None

None

(1) 2M x 64

24MB

(2) 1M x 36

(2) 2M x 36

None

32MB

(2) 4M x 36

None

None

32MB

(2) 2M x 36

(2) 2M x 36

None

32MB

None

None

(1) 4M x 64

40MB

(2) 4M x 36

(2) 1M x 36

None

48MB

(2) 2M x 36

(2) 4M x 36

None

64MB

(2) 8M x 36

None

None

64MB

(2) 4M x 36

(2) 4M x 36

None

64MB

None

None

(1) 8M x 64

72MB

(2) 1M x 36

(2) 8M x 36

None

80MB

(2) 8M x 36

(2) 2M x 36

None

96MB

(2) 4M x 36

(2) 8M x 36

None

128MB

(2) 8M x 36

(2) 8M x 36

None

Note: Board accepts EDO memory. Banks 0 & 1 are interchangeable.

CACHE CONFIGURATION

Size

Bank 0

SL1

256KB

(2) 32K x 32

Not installed

512KB

(2) 32K x 32

256KB module installed

CPU SPEED SELECTION (CYRIX)

CPU speed

Clock speed

Multiplier

SW1/1

SW1/2

SW1/3

SW1/4

SW1/5

SW1/6

120MHz

50MHz

2x

Off

Off

On

Off

On

Off

133MHz

55MHz

2x

Off

On

On

On

On

Off

150MHz

60MHz

2x

Off

On

Off

Off

On

Off

166MHz

66MHz

2x

Off

Off

Off

Off

On

Off

CPU SPEED SELECTION (AMD)

CPU speed

Clock speed

Multiplier

SW1/1

SW1/2

SW1/3

SW1/4

SW1/5

SW1/6

75MHz

50MHz

1.5x

Off

Off

On

Off

Off

Off

90MHz

60MHz

1.5x

Off

On

Off

Off

Off

Off

CPU SPEED SELECTION (INTEL)

CPU speed

Clock speed

Multiplier

SW1/1

SW1/2

SW1/3

SW1/4

SW1/5

SW1/6

75MHz

50MHz

1.5x

Off

Off

On

Off

Off

Off

90MHz

60MHz

1.5x

Off

On

Off

Off

Off

Off

100MHz

66MHz

1.5x

Off

Off

Off

Off

Off

Off

120MHz

60MHz

2x

Off

On

Off

Off

On

Off

133MHz

66MHz

2x

Off

Off

Off

Off

On

Off

150MHz

60MHz

2.5x

Off

On

Off

Off

On

On

166MHz

66MHz

2.5x

Off

Off

Off

Off

On

On

200MHz

66MHz

3x

Off

Off

Off

Off

Off

On

CPU VOLTAGE SELECTION

V core

VI/O

JV1

JV2

JV3

JV4

JV5

JV6

JV7

JV8

2.5v

3.3v

Open

Open

2 & 3

Open

Open

Closed

Open

Open

2.8v

3.3v

Open

Open

2 & 3

Open

Open

Open

Closed

Open

2.9v

3.3v

Open

Open

2 & 3

Open

Open

Open

Open

Closed

3.38v

3.38v

Closed

Closed

1 & 2

Closed

Open

Open

Open

Open

3.52v

3.52v

Closed

Closed

1 & 2

Open

Closed

Open

Open

Open