LUCKY STAR TECHNOLOGY CO., LTD.
6LX (SOUND)
| Device Type | Mainboard | 
| Processor | Celeron | 
| Processor Speed | 266/300/333/366/400/433/466MHz | 
| Chip Set | Intel 440LX | 
| Maximum Onboard Memory | 768MB (EDO & SDRAM supported) | 
| Cache | 128KB (located on Celeron CPU) | 
| BIOS | Award | 
| Dimensions | 254mm x 218mm | 
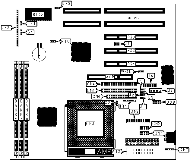
| I/O Options | 32-bit PCI slots (3), floppy drive interface, game interface, green PC connector, IDE interfaces (2), parallel port, PS/2 mouse interface, serial ports (2), IR connector, USB connector, ATX power connector, AGP slot, line in, line out, microphone in, audio in - CD-ROM, SB-link connector, wake on LAN connector | 

| CONNECTIONS | |||
| Purpose | Location | Purpose | Location | 
| AGP slot | AGP | Audio in - CD-ROM | J4 | 
| ATX power connector | ATX | Microphone in | J5 | 
| Chassis fan power | C1 | Game interface | J6 | 
| Chassis fan power | C2 | SB-link connector | J7 | 
| Serial port 1 | CN1 | Soft off power supply | JP1 | 
| Serial port 2 | CN2 | Power LED & keylock | JP2/pins 1 - 5 | 
| Parallel port | CN3 | Speaker | JP2/pins 7 - 10 | 
| IDE interface 2 | CN4 | Reset switch | JP2/pins 12 & 13 | 
| IDE interface 1 | CN5 | IDE interface LED | JP2/pins 15 & 16 | 
| Floppy drive interface | CN6 | Turbo LED | JP2/pins 18 & 19 | 
| PS/2 mouse interface | CN7 | Green PC connector | JP2/pins 21 & 22 | 
| IR connector | IR1 | 32-bit PCI slots | PC1 - PC3 | 
| Speaker in | J1 | USB connector | USB | 
| Line out | J2 | Wake on LAN connector | WOL | 
| Line in | J3 | 
 | 
 | 
| USER CONFIGURABLE SETTINGS | |||
| Function | Label | Position | |
| 
 | Flash BIOS voltage select 12v | JP3 | Pins 2 & 3 closed | 
| 
 | Flash BIOS voltage select 5v | JP3 | Pins 1 & 2 closed | 
| » | CMOS memory normal operation | RTC | Pins 1 & 2 closed | 
| 
 | CMOS memory clear | RTC | Pins 2 & 3 closed | 
| DIMM CONFIGURATION | |||
| Size | Bank 0 | Bank 1 | Bank 2 | 
| 16MB | (1) 2M x 64 | None | None | 
| 32MB | (1) 4M x 64 | None | None | 
| 32MB | (1) 2M x 64 | (1) 2M x 64 | None | 
| 40MB | (1) 4M x 64 | (1) 1M x 64 | None | 
| 48MB | (1) 4M x 64 | (1) 2M x 64 | None | 
| 48MB | (1) 2M x 64 | (1) 2M x 64 | (1) 2M x 64 | 
| 64MB | (1) 8M x 64 | None | None | 
| 64MB | (1) 4M x 64 | (1) 2M x 64 | (1) 2M x 64 | 
| 64MB | (1) 4M x 64 | (1) 4M x 64 | None | 
| 80MB | (1) 8M x 64 | (1) 2M x 64 | None | 
| 80MB | (1) 4M x 64 | (1) 4M x 64 | (1) 2M x 64 | 
| 96MB | (1) 8M x 64 | (1) 2M x 64 | (1) 2M x 64 | 
| 96MB | (1) 8M x 64 | (1) 4M x 64 | None | 
| 96MB | (1) 4M x 64 | (1) 4M x 64 | (1) 4M x 64 | 
| 112MB | (1) 8M x 64 | (1) 4M x 64 | (1) 2M x 64 | 
| 128MB | (1) 16M x 64 | None | None | 
| 128MB | (1) 8M x 64 | (1) 4M x 64 | (1) 4M x 64 | 
| DIMM CONFIGURATION (CON'T) | |||
| Size | Bank 0 | Bank 1 | Bank 2 | 
| 128MB | (1) 8M x 64 | (1) 8M x 64 | None | 
| 144MB | (1) 16M x 64 | (1) 2M x 64 | None | 
| 144MB | (1) 8M x 64 | (1) 8M x 64 | (1) 2M x 64 | 
| 160MB | (1) 16M x 64 | (1) 2M x 64 | (1) 2M x 64 | 
| 160MB | (1) 16M x 64 | (1) 4M x 64 | None | 
| 160MB | (1) 8M x 64 | (1) 8M x 64 | (1) 4M x 64 | 
| 176MB | (1) 16M x 64 | (1) 4M x 64 | (1) 2M x 64 | 
| 192MB | (1) 16M x 64 | (1) 4M x 64 | (1) 4M x 64 | 
| 192MB | (1) 16M x 64 | (1) 8M x 64 | None | 
| 192MB | (1) 8M x 64 | (1) 8M x 64 | (1) 8M x 64 | 
| 208MB | (1) 16M x 64 | (1) 8M x 64 | (1) 2M x 64 | 
| 224MB | (1) 16M x 64 | (1) 8M x 64 | (1) 4M x 64 | 
| 256MB | (1) 32M x 64 | None | None | 
| 256MB | (1) 16M x 64 | (1) 8M x 64 | (1) 8M x 64 | 
| 264MB | (1) 32M x 64 | (1) 1M x 64 | None | 
| 272MB | (1) 32M x 64 | (1) 1M x 64 | (1) 1M x 64 | 
| 272MB | (1) 32M x 64 | (1) 2M x 64 | None | 
| 288MB | (1) 32M x 64 | (1) 2M x 64 | (1) 2M x 64 | 
| 288MB | (1) 32M x 64 | (1) 4M x 64 | None | 
| 320MB | (1) 32M x 64 | (1) 4M x 64 | (1) 4M x 64 | 
| 320MB | (1) 32M x 64 | (1) 8M x 64 | None | 
| 384MB | (1) 32M x 64 | (1) 8M x 64 | (1) 8M x 64 | 
| 384MB | (1) 32M x 64 | (1) 16M x 64 | None | 
| 384MB | (1) 16M x 64 | (1) 16M x 64 | (1) 16M x 64 | 
| 384MB | (1) 16M x 64 | (1) 16M x 64 | (1) 16M x 64 | 
| 512MB | (1) 32M x 64 | (1) 16M x 64 | (1) 16M x 64 | 
| 512MB | (1) 32M x 64 | (1) 32M x 64 | None | 
| 768MB | (1) 32M x 64 | (1) 32M x 64 | (1) 32M x 64 | 
| Note: Board accepts EDO & SDRAM memory. Maximum SDRAM is 384MB. Maximum EDO is 768MB. | |||
| CACHE CONFIGURATION | 
| Note: 128KB cache is located on the Celeron 300A CPU. |