LUCKY STAR TECHNOLOGY CO., LTD.
6IX-1
| Device Type | Mainboard | 
| Processor | Pentium II | 
| Processor Speed | 200/233/266/300MHz | 
| Chip Set | Intel 440FX | 
| Maximum Onboard Memory | 256MB | 
| Cache | 256/512KB (located on Pentium II CPU) | 
| BIOS | Unidentified | 
| Dimensions | 305mm x 244mm | 
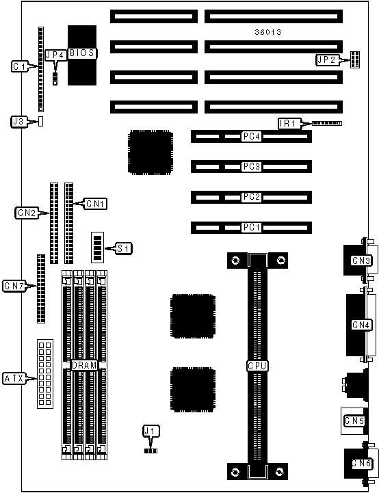
| I/O Options | 32-bit PCI slots (4), floppy drive interface, green PC connector, IDE interfaces (2), parallel port, PS/2 mouse port, serial ports (2), IR connector, USB connector, ATX power connector | 
 
| CONNECTIONS | |||
| Purpose | Location | Purpose | Location | 
| ATX power connector | ATX | Serial port 2 | CN3 | 
| Power LED & keylock | C1/pins 1 - 5 | Parallel port | CN4 | 
| Speaker | C1/pins 7 - 10 | PS/2 mouse port | CN5 | 
| Reset switch | C1/pins 12 & 13 | Serial port 1 | CN6 | 
| IDE interface LED | C1/pins 15 & 16 | Floppy drive interface | CN7 | 
| Turbo LED | C1/pins 18 & 19 | IR connector | IR1 | 
| Green PC connector | C1/pins 21 & 22 | CPU fan power | J1 | 
| IDE interface 1 | CN1 | USB connector | JP2 | 
| IDE interface 2 | CN2 | 32-bit PCI slots | PC1 - PC4 | 
| USER CONFIGURABLE SETTINGS | |||
| Function | Label | Position | |
| » | Factory configured - do not alter | J3 | Unidentified | 
| » | CMOS memory normal operation | JP4 | Pins 1 & 2 closed | 
| CMOS memory clear | JP4 | Pins 2 & 3 closed | |
| SIMM CONFIGURATION | ||
| Size | Bank 0 | Bank 1 | 
| 8MB | (2) 1M x 36 | None | 
| 16MB | (2) 2M x 36 | None | 
| 16MB | (2) 1M x 36 | (2) 1M x 36 | 
| 24MB | (2) 2M x 36 | (2) 1M x 36 | 
| 32MB | (2) 4M x 36 | None | 
| 32MB | (2) 2M x 36 | (2) 2M x 36 | 
| 40MB | (2) 4M x 36 | (2) 1M x 36 | 
| 48MB | (2) 4M x 36 | (2) 2M x 36 | 
| 64MB | (2) 8M x 36 | None | 
| 64MB | (2) 4M x 36 | (2) 4M x 36 | 
| 72MB | (2) 8M x 36 | (2) 1M x 36 | 
| 80MB | (2) 8M x 36 | (2) 2M x 36 | 
| 96MB | (2) 8M x 36 | (2) 4M x 36 | 
| 128MB | (2) 8M x 36 | (2) 8M x 36 | 
| 128MB | (2) 16M x 36 | None | 
| 136MB | (2) 16M x 36 | (2) 1M x 36 | 
| 144MB | (2) 16M x 36 | (2) 2M x 36 | 
| 160MB | (2) 16M x 36 | (2) 4M x 36 | 
| 192MB | (2) 16M x 36 | (2) 8M x 36 | 
| 256MB | (2) 16M x 36 | (2) 16M x 36 | 
| CACHE CONFIGURATION | 
| Note: 256KB/512KB cache is located on the Pentium II CPU. | 
| CPU SPEED SELECTION | |||||||
| CPU speed | Clock speed | Multiplier | S1/1 | S1/2 | S1/3 | S1/4 | S1/5 | 
| 200MHz | 66MHz | 3x | Off | Off | On | Off | Off | 
| 233MHz | 66MHz | 3.5x | Off | On | On | Off | Off | 
| 266MHz | 66MHz | 4x | Off | Off | Off | On | Off | 
| 300MHz | 66MHz | 4.5x | Off | On | Off | On | Off |