IWILL CORPORATION
BS100
| Device Type | Mainboard | 
| Processor | Pentium II | 
| Processor Speed | 233/266/300/333/400/450/500MHz | 
| Chip Set | Intel | 
| Video Chip Set | None | 
| Maximum Onboard Memory | 1GB (EDO & SDRAM supported) | 
| Maximum Video Memory | None | 
| Cache | 256/512KB (located on Pentium II CPU) | 
| BIOS | Award | 
| Dimensions | 305mm x 245mm | 
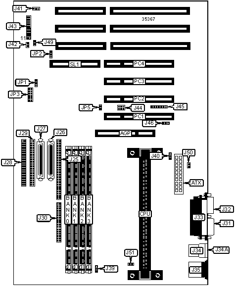
| I/O Options | 32-bit PCI slots (4), floppy drive interface, IDE interfaces (2), SCSI interface, Wide Ultra SCSI interfaces (2), parallel port, PS/2 mouse port, serial ports (2), IR connector, USB connectors (2), ATX power connector, AGP slot, RAID slot | 
| NPU Options | None | 
 
| CONNECTIONS | |||
| Purpose | Location | Purpose | Location | 
| AGP slot | AGP | Chassis fan power | J41 | 
| ATX power connector | ATX | Soft off power supply | J42 | 
| SCSI interface | J25 | IDE interface LED | J43/pins 5 & 6 | 
| Ultra Wide SCSI interface | J26 | SCSI interface LED | J43/pins 7 & 8 | 
| Ultra Wide SCSI interface | J27 | Reset switch | J43/pins 9 & 10 | 
| IDE interface 1 | J28 | Power LED & keylock | J43/pins 11 – 15 | 
| IDE interface 2 | J29 | Speaker | J43/pins 17 - 20 | 
| Floppy drive interface | J30 | SB link connector | J44 | 
| Serial port 1 | J31 | IR connector | J45 | 
| Serial port 2 | J32 | Wake on LAN connector | J46 | 
| Parallel port | J33 | Temperature sensor 1 | J49 | 
| USB connector 2 | J34 | Temperature sensor 2 | J50 | 
| USB connector 1 | J34A | Temperature sensor 3 | J51 | 
| PS/2 mouse port | J35 | 32-bit PCI slots | PC1 – PC4 | 
| CPU fan power | J39 | RAID slot | SL1 | 
| Chassis fan power | J40 | ||
| USER CONFIGURABLE SETTINGS | |||
| Function | Label | Position | |
| » | CMOS memory normal operation | JP1 | Pins 1 & 2 closed | 
| CMOS memory clear | JP1 | Pins 2 & 3 closed | |
| SCSI enabled | JP2 | Pins 1 & 2 closed | |
| SCSI enabled | JP2 | Pins 2 & 3 closed | |
| » | Factory configured - do not alter | JP5 | Unidentified | 
| DIMM CONFIGURATION | ||||
| Size | Bank 0 | Bank 1 | Bank 2 | Bank 3 | 
| 8MB | (1) 1M x 64 | None | None | None | 
| 16MB | (1) 2M x 64 | None | None | None | 
| 16MB | (1) 1M x 64 | (1) 1M x 64 | None | None | 
| 24MB | (1) 2M x 64 | (1) 1M x 64 | None | None | 
| 24MB | (1) 1M x 64 | (1) 1M x 64 | (1) 1M x 64 | None | 
| 32MB | (1) 4M x 64 | None | None | None | 
| 32MB | (1) 2M x 64 | (1) 2M x 64 | None | None | 
| 32MB | (1) 1M x 64 | (1) 1M x 64 | (1) 1M x 64 | (1) 1M x 64 | 
| 40MB | (1) 4M x 64 | (1) 1M x 64 | None | None | 
| DIMM CONFIGURATION (CON’T) | ||||
| Size | Bank 0 | Bank 1 | Bank 2 | Bank 3 | 
| 48MB | (1) 4M x 64 | (1) 2M x 64 | None | None | 
| 48MB | (1) 2M x 64 | (1) 2M x 64 | (1) 2M x 64 | None | 
| 64MB | (1) 2M x 64 | (1) 2M x 64 | (1) 2M x 64 | (1) 2M x 64 | 
| 64MB | (1) 8M x 64 | None | None | None | 
| 64MB | (1) 4M x 64 | (1) 4M x 64 | None | None | 
| 72MB | (1) 8M x 64 | (1) 1M x 64 | None | None | 
| 80MB | (1) 8M x 64 | (1) 2M x 64 | None | None | 
| 96MB | (1) 8M x 64 | (1) 4M x 64 | None | None | 
| 96MB | (1) 4M x 64 | (1) 4M x 64 | (1) 4M x 64 | None | 
| 128MB | (1) 16M x 64 | None | None | None | 
| 128MB | (1) 8M x 64 | (1) 8M x 64 | None | None | 
| 128MB | (1) 4M x 64 | (1) 4M x 64 | (1) 4M x 64 | (1) 4M x 64 | 
| 136MB | (1) 16M x 64 | (1) 1M x 64 | None | None | 
| 144MB | (1) 16M x 64 | (1) 2M x 64 | None | None | 
| 152MB | (1) 16M x 64 | (1) 1M x 64 | (1) 1M x 64 | (1) 1M x 64 | 
| 160MB | (1) 16M x 64 | (1) 4M x 64 | None | None | 
| 176MB | (1) 16M x 64 | (1) 2M x 64 | (1) 2M x 64 | (1) 2M x 64 | 
| 192MB | (1) 16M x 64 | (1) 8M x 64 | None | None | 
| 192MB | (1) 8M x 64 | (1) 8M x 64 | (1) 8M x 64 | None | 
| 224MB | (1) 16M x 64 | (1) 4M x 64 | (1) 4M x 64 | (1) 4M x 64 | 
| 256MB | (1) 32M x 64 | None | None | None | 
| 256MB | (1) 16M x 64 | (1) 16M x 64 | None | None | 
| 256MB | (1) 8M x 64 | (1) 8M x 64 | (1) 8M x 64 | (1) 8M x 64 | 
| 272MB | (1) 16M x 64 | (1) 16M x 64 | (1) 1M x 64 | (1) 1M x 64 | 
| 280MB | (1) 32M x 64 | (1) 1M x 64 | (1) 1M x 64 | (1) 1M x 64 | 
| 288MB | (1) 16M x 64 | (1) 16M x 64 | (1) 2M x 64 | (1) 2M x 64 | 
| 304MB | (1) 32M x 64 | (1) 2M x 64 | (1) 2M x 64 | (1) 2M x 64 | 
| 320MB | (1) 16M x 64 | (1) 16M x 64 | (1) 4M x 64 | (1) 4M x 64 | 
| 320MB | (1) 16M x 64 | (1) 8M x 64 | (1) 8M x 64 | (1) 8M x 64 | 
| 352MB | (1) 32M x 64 | (1) 4M x 64 | (1) 4M x 64 | (1) 4M x 64 | 
| 384MB | (1) 16M x 64 | (1) 16M x 64 | (1) 16M x 64 | None | 
| 448MB | (1) 32M x 64 | (1) 8M x 64 | (1) 8M x 64 | (1) 8M x 64 | 
| 512MB | (1) 32M x 64 | (1) 32M x 64 | None | None | 
| 512MB | (1) 16M x 64 | (1) 16M x 64 | (1) 16M x 64 | (1) 16M x 64 | 
| 640MB | (1) 32M x 64 | (1) 16M x 64 | (1) 16M x 64 | (1) 16M x 64 | 
| 768MB | (1) 32M x 64 | (1) 32M x 64 | (1) 32M x 64 | None | 
| 1024MB | (1) 32M x 64 | (1) 32M x 64 | (1) 32M x 64 | (1) 32M x 64 | 
| Note: Board accepts EDO & SDRAM memory. | ||||
| CACHE CONFIGURATION | 
| Note: 256KB/512KB cache is located on the Pentium II CPU. | 
| CPU SPEED SELECTION | |||
| CPU speed | Clock speed | Multiplier | JP3 | 
| 233MHz | 66MHz | 3.5x | 1 & 2, 9 & 10 | 
| 266MHz | 66MHz | 4x | 3 & 4, 9 & 10 | 
| 300MHz | 66MHz | 4.5x | 5 & 6, 9 & 10 | 
| 333MHz | 66MHz | 5x | 7 & 8, 9 & 10 | 
| 350MHz | 100MHz | 5.5x | 1 & 2 | 
| 400MHz | 100MHz | 6x | 3 & 4 | 
| 450MHz | 100MHz | 6.5x | 5 & 6 | 
| 500MHz | 100MHz | 7x | 7 & 8 | 
| Note: Pins designated should be in the closed position. | |||