IBM CORPORATION
INTELLISTATION (TYPE 6898)
| Device Type | Mainboard | 
| Processor | Pentium II | 
| Processor Speed | 233/266/300MHz | 
| Chip Set | Unidentified | 
| Video Chip Set | None | 
| Maximum Onboard Memory | 512MB (SDRAM supported) | 
| Maximum Video Memory | None | 
| Cache | 256/512KB (located on Pentium II CPU) | 
| BIOS | Unidentified | 
| Dimensions | 305mm x 244mm | 
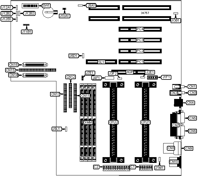
| I/O Options | 32-bit PCI slots (4), Ethernet 10BaseT connector, floppy drive interface, IDE interfaces (2), SCSI interface, Ultra Wide SCSI interfaces (2), parallel port, PS/2 mouse port, serial ports (2), USB connectors (2), AGP slot, line in, line out, microphone in, audio in – CD-ROM, RAID slot | 
| NPU Options | None | 
 
| CONNECTIONS | |||
| Purpose | Location | Purpose | Location | 
| AGP slot | AGP | Ultra Wide SCSI interface | CN16 | 
| 3.3v power | C1 | External SMBus connector | JOB1 | 
| 5v power | C2 | Audio in – CD-ROM | J1F1 | 
| Microphone in | CN1 | Chassis fan power | J1M1 | 
| Line in | CN2 | CPU fan power 2 | J2E1 | 
| Line out | CN3 | CPU fan power 1 | J3F2 | 
| Ethernet 10BaseT connector | CN4 | Wake on LAN connector | J6D1 | 
| Serial port | CN5 | Wake on modem connector | J9A1 | 
| Serial port | CN6 | IDE interface LED | J9L1 | 
| Parallel port | CN7 | SCSI interface LED | J10A1 | 
| USB connector | CN8 | SCSI interface LED | J11B1 | 
| USB connector | CN9 | Chassis fan power | J12A1 | 
| PS/2 mouse port | CN10 | Tamper detect switch | J12B1 | 
| IDE interface 2 | CN11 | Chassis fan power | J12B2 | 
| Floppy drive interface | CN12 | Speaker | J12B3 | 
| IDE interface 1 | CN13 | 32-bit PCI slots | PC1 – PC4 | 
| Ultra Wide SCSI interface | CN14 | RAID slot | SL1 | 
| SCSI interface | CN15 | ||
| USER CONFIGURABLE SETTINGS | |||
| Function | Label | Position | |
| » | Factory configured - do not alter | J4F1 | Unidentified | 
| » | CMOS memory normal operation | J7E1 | Pins 1 & 2 closed | 
| CMOS memory clear | J7E1 | Pins 2 & 3 closed | |
| » | Flash BIOS normal operation | SW1/5 | Off | 
| Flash BIOS recovery mode | SW1/5 | On | |
| » | Enet normal operation | SW1/6 | Off | 
| Enet MAC disabled | SW1/6 | On | |
| » | Password enabled | SW1/7 | Off | 
| Password disabled | SW1/7 | On | |
| » | Floppy drive normal operation | SW1/8 | Off | 
| Floppy drive read only | SW1/8 | On | |
| DIMM CONFIGURATION | ||||
| Size | Bank 0 | Bank 1 | Bank 2 | Bank 3 | 
| 8MB | (1) 1M x 64 | None | None | None | 
| 16MB | (1) 2M x 64 | None | None | None | 
| 16MB | (1) 1M x 64 | (1) 1M x 64 | None | None | 
| 24MB | (1) 2M x 64 | (1) 1M x 64 | None | None | 
| 24MB | (1) 1M x 64 | (1) 1M x 64 | (1) 1M x 64 | None | 
| 32MB | (1) 4M x 64 | None | None | None | 
| 32MB | (1) 2M x 64 | (1) 1M x 64 | (1) 1M x 64 | None | 
| DIMM CONFIGURATION (CON’T) | ||||
| Size | Bank 0 | Bank 1 | Bank 2 | Bank 3 | 
| 32MB | (1) 2M x 64 | (1) 2M x 64 | None | None | 
| 32MB | (1) 1M x 64 | (1) 1M x 64 | (1) 1M x 64 | (1) 1M x 64 | 
| 40MB | (1) 4M x 64 | (1) 1M x 64 | None | None | 
| 40MB | (1) 2M x 64 | (1) 2M x 64 | (1) 1M x 64 | None | 
| 48MB | (1) 4M x 64 | (1) 1M x 64 | (1) 1M x 64 | None | 
| 48MB | (1) 4M x 64 | (1) 2M x 64 | None | None | 
| 48MB | (1) 2M x 64 | (1) 2M x 64 | (1) 2M x 64 | None | 
| 56MB | (1) 4M x 64 | (1) 2M x 64 | (1) 1M x 64 | None | 
| 64MB | (1) 8M x 64 | None | None | None | 
| 64MB | (1) 4M x 64 | (1) 4M x 64 | None | None | 
| 64MB | (1) 2M x 64 | (1) 2M x 64 | (1) 2M x 64 | (1) 2M x 64 | 
| 72MB | (1) 8M x 64 | (1) 1M x 64 | None | None | 
| 72MB | (1) 4M x 64 | (1) 4M x 64 | (1) 1M x 64 | None | 
| 80MB | (1) 8M x 64 | (1) 1M x 64 | (1) 1M x 64 | None | 
| 80MB | (1) 4M x 64 | (1) 4M x 64 | (1) 2M x 64 | None | 
| 88MB | (1) 8M x 64 | (1) 2M x 64 | (1) 1M x 64 | None | 
| 96MB | (1) 8M x 64 | (1) 2M x 64 | (1) 2M x 64 | None | 
| 96MB | (1) 4M x 64 | (1) 4M x 64 | (1) 4M x 64 | None | 
| 104MB | (1) 8M x 64 | (1) 4M x 64 | (1) 1M x 64 | None | 
| 112MB | (1) 8M x 64 | (1) 4M x 64 | (1) 2M x 64 | None | 
| 128MB | (1) 16M x 64 | None | None | None | 
| 128MB | (1) 8M x 64 | (1) 4M x 64 | (1) 4M x 64 | None | 
| 128MB | (1) 8M x 64 | (1) 8M x 64 | None | None | 
| 128MB | (1) 4M x 64 | (1) 4M x 64 | (1) 4M x 64 | (1) 4M x 64 | 
| 144MB | (1) 16M x 64 | (1) 1M x 64 | (1) 1M x 64 | None | 
| 144MB | (1) 16M x 64 | (1) 2M x 64 | None | None | 
| 144MB | (1) 8M x 64 | (1) 8M x 64 | (1) 2M x 64 | None | 
| 152MB | (1) 16M x 64 | (1) 2M x 64 | (1) 1M x 64 | None | 
| 160MB | (1) 16M x 64 | (1) 2M x 64 | (1) 2M x 64 | None | 
| 160MB | (1) 8M x 64 | (1) 8M x 64 | (1) 4M x 64 | None | 
| 168MB | (1) 16M x 64 | (1) 4M x 64 | (1) 1M x 64 | None | 
| 176MB | (1) 16M x 64 | (1) 4M x 64 | (1) 2M x 64 | None | 
| 192MB | (1) 16M x 64 | (1) 4M x 64 | (1) 4M x 64 | None | 
| 192MB | (1) 8M x 64 | (1) 8M x 64 | (1) 8M x 64 | None | 
| 200MB | (1) 16M x 64 | (1) 8M x 64 | (1) 1M x 64 | None | 
| 208MB | (1) 16M x 64 | (1) 8M x 64 | (1) 2M x 64 | None | 
| 224MB | (1) 16M x 64 | (1) 8M x 64 | (1) 4M x 64 | None | 
| 256MB | (1) 16M x 64 | (1) 8M x 64 | (1) 8M x 64 | None | 
| 256MB | (1) 8M x 64 | (1) 8M x 64 | (1) 8M x 64 | (1) 8M x 64 | 
| 384MB | (1) 16M x 64 | (1) 16M x 64 | (1) 16M x 64 | None | 
| 512MB | (1) 16M x 64 | (1) 16M x 64 | (1) 16M x 64 | (1) 16M x 64 | 
| Note: Board accepts SDRAM memory. | ||||
| CACHE CONFIGURATION | 
| Note: 256KB/512KB cache is located on the Pentium II CPU. | 
| CPU SPEED SELECTION | ||||||
| CPU speed | Clock speed | Multiplier | SW1/1 | SW1/2 | SW1/3 | SW1/4 | 
| 233MHz | 66MHz | 3.5x | Off | Off | On | On | 
| 266MHz | 66MHz | 4x | On | On | Off | On | 
| 300MHz | 66MHz | 4.5x | Off | On | Off | On |