IBM CORPORATION
PC SERVER 325 (TYPE 8639)
|
Processor |
Pentium Pro |
|
Processor Speed |
166/180/200MHz |
|
Chip Set |
Unidentified |
|
Video Chip Set |
Unidentified |
|
Maximum Onboard Memory |
512MB (EDO supported) |
|
Maximum Video Memory |
1MB |
|
Cache |
256/512KB (located on Pentium Pro CPU) |
|
BIOS |
Unidentified |
|
Dimensions |
355mm x 304mm |
|
I/O Options |
32-bit PCI slots (5), Ethernet connectors (2), floppy drive interface, Ultra SCSI interfaces (2), parallel port, PS/2 mouse port, serial port, VGA port, IR connector, VRM connectors (2), CPU slot |
|
NPU Options |
None |
|
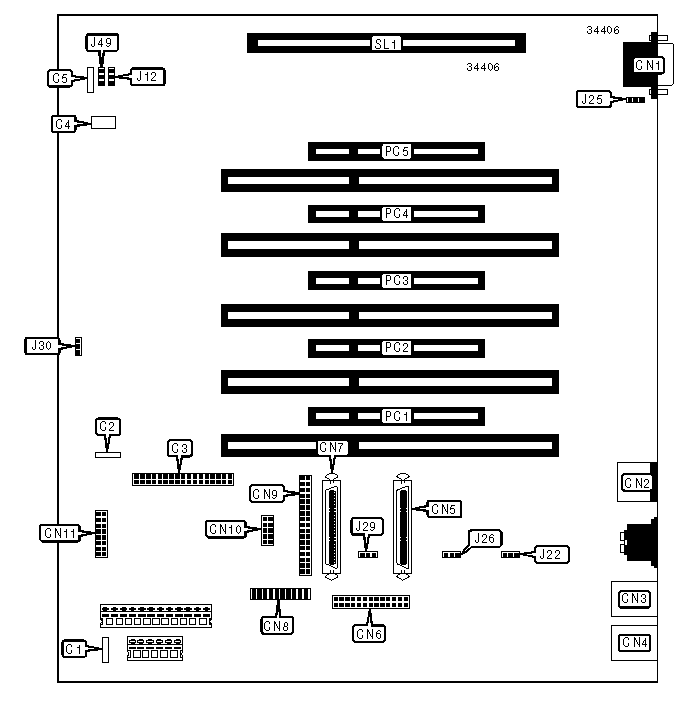
CONNECTIONS | |||
|
Purpose |
Location |
Purpose |
Location |
|
Chassis fan power |
C1 |
Ultra SCSI interface |
CN5 |
|
Chassis fan power |
C2 |
Parallel port |
CN6 |
|
System management connector |
C3 |
Ultra SCSI interface |
CN7 |
|
C2 security cable connector |
C4 |
Serial port |
CN8 |
|
Speaker |
C5 |
Floppy drive interface |
CN9 |
|
VGA port |
CN1 |
IR connector |
CN10 |
|
PS/2 mouse port |
CN2 |
Front panel connector |
CN11 |
|
Ethernet connector |
CN3 |
32-bit PCI slots |
PC1 - PC5 |
|
Ethernet connector |
CN4 |
CPU slot |
SL1 |
|
USER CONFIGURABLE SETTINGS | |||
|
Function |
Label |
Position | |
|
» |
Factory configured - do not alter (system password) |
J12 |
Pins 2 & 3 closed |
|
» |
Ethernet enabled |
J22 |
Pins 2 & 3 closed |
|
Ethernet disabled |
J22 |
Pins 1 & 2 closed | |
|
» |
On board video enabled |
J25 |
Pins 1 & 2 closed |
|
On board video disabled |
J25 |
Pins 2 & 3 closed | |
|
» |
SCSI enabled |
J26 |
Pins 2 & 3 closed |
|
SCSI disabled |
J26 |
Pins 1 & 2 closed | |
|
» |
SCSI type select 16-bit |
J29 |
Pins 2 & 3 closed |
|
SCSI type select 8-bit |
J29 |
Pins 1 & 2 closed | |
|
» |
Flash write enabled |
J30 |
Pins 1 & 2 closed |
|
Flash write disabled |
J30 |
Pins 2 & 3 closed | |
|
» |
System management adapter not installed |
J49 |
Pins 2 & 3 closed |
|
System management adapter installed |
J49 |
Pins 1 & 2 closed | |
|
VIDEO MEMORY CONFIGURATION |
|
Note: The location of the video memory is unidentified. |
|
CONNECTIONS | |||
|
Purpose |
Location |
Purpose |
Location |
|
VRM connector 1 |
CN2 |
Chassis fan power |
J21 |
|
VRM connector 2 |
CN3 |
Chassis fan power |
J22 |
|
USER CONFIGURABLE SETTINGS | |||
|
Function |
Label |
Position | |
|
» |
Factory configured - do not alter |
CN1 |
Unidentified |
|
» |
Factory configured - do not alter |
J9 |
Unidentified |
|
» |
Factory configured - do not alter |
J10 |
Unidentified |
|
» |
Factory configured - do not alter |
J12 |
Unidentified |
|
DIMM CONFIGURATION | ||||
|
Size |
Bank 0 |
Bank 1 |
Bank 2 |
Bank 3 |
|
16MB |
(1) 2M x 64 |
None |
None |
None |
|
32MB |
(1) 2M x 64 |
(1) 2M x 64 |
None |
None |
|
32MB |
(1) 4M x 64 |
None |
None |
None |
|
48MB |
(1) 2M x 64 |
(1) 2M x 64 |
(1) 2M x 64 |
None |
|
64MB |
(1) 2M x 64 |
(1) 2M x 64 |
(1) 2M x 64 |
(1) 2M x 64 |
|
64MB |
(1) 4M x 64 |
(1) 4M x 64 |
None |
None |
|
64MB |
(1) 8M x 64 |
None |
None |
None |
|
96MB |
(1) 4M x 64 |
(1) 4M x 64 |
(1) 4M x 64 |
None |
|
128MB |
(1) 4M x 64 |
(1) 4M x 64 |
(1) 4M x 64 |
(1) 4M x 64 |
|
128MB |
(1) 8M x 64 |
(1) 8M x 64 |
None |
None |
|
128MB |
(1) 16M x 64 |
None |
None |
None |
|
192MB |
(1) 8M x 64 |
(1) 8M x 64 |
(1) 8M x 64 |
None |
|
256MB |
(1) 8M x 64 |
(1) 8M x 64 |
(1) 8M x 64 |
(1) 8M x 64 |
|
256MB |
(1) 16M x 64 |
(1) 16M x 64 |
None |
None |
|
384MB |
(1) 16M x 64 |
(1) 16M x 64 |
(1) 16M x 64 |
None |
|
512MB |
(1) 16M x 64 |
(1) 16M x 64 |
(1) 16M x 64 |
(1) 16M x 64 |
|
Note: Board accepts EDO memory. | ||||
|
CACHE CONFIGURATION |
|
Note: 256KB/512KB cache is located on the Pentium Pro CPU. |
|
CPU SPEED SELECTION | ||||||
|
CPU speed |
Clock speed |
Multiplier |
J1 |
J17 |
J18 |
J20 |
|
166MHz |
66MHz |
2.5x |
Closed |
Open |
Closed |
Open |
|
180MHz |
60MHz |
3x |
Open |
Closed |
Open |
Closed |
|
200MHz |
66MHz |
3x |
Closed |
Open |
Closed |
Open |
|
CPU SPEED SELECTION (CON'T) | ||||||
|
CPU speed |
Clock speed |
Multiplier |
J27 |
J28 |
J29 |
J30 |
|
166MHz |
66MHz |
2.5x |
Closed |
Open |
Closed |
Closed |
|
180MHz |
60MHz |
3x |
Closed |
Closed |
Open |
Closed |
|
200MHz |
66MHz |
3x |
Closed |
Closed |
Open |
Closed |