LEADING TECHNOLOGY
5500AT
|
Processor |
80286 (Exact location is unknown) |
|
Processor Speed |
8/10/12/16/20/25MHz |
|
Chip Set |
SIS |
|
Max. Onboard DRAM |
5MB |
|
Cache |
None |
|
BIOS |
AMI |
|
Dimensions |
330mm x 218mm |
|
I/O Options |
Floppy drive interface, IDE interface, Joystick port, parallel port,
|
|
NPU Options |
80287 |
|
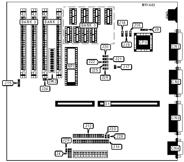
CONNECTIONS | |||
|
Purpose |
Location |
Purpose |
Location |
|
Parallel port |
CN1 |
IDE interface |
J10 |
|
Joystick port |
CN2 |
Floppy drive interface |
J12 |
|
Serial port 2 (25 pin) |
CN3 |
Speaker |
J15 |
|
Serial port 1 (9 pin) |
CN4 |
IDE interface LED |
J29 |
|
Function panel connector |
J4 |
Riser Card |
S1 |
|
External battery |
J9 | ||
|
USER CONFIGURABLE SETTINGS | |||
|
Function |
Jumper/Switch |
Position | |
| » |
Joystick port enabled |
J17 |
closed |
|
Joystick port disabled |
J17 |
open | |
| » |
IDE interface enabled |
J28 |
open |
|
IDE interface disabled |
J28 |
closed | |
| » |
Floppy drive interface enabled |
J33 |
closed |
|
Floppy drive interface disabled |
J33 |
open | |
| » |
Parity enabled |
J34 |
closed |
|
Parity disabled |
J34 |
open | |
|
DRAM CONFIGURATION | |||
|
Size |
Bank 0 |
Bank 1 |
Bank 2 |
|
1MB |
(8) 441100 |
NONE |
NONE |
|
1MB |
(4) 256K x 9 |
NONE |
NONE |
|
2MB |
(4) 256K x 9 |
(4) 256K x 9 |
NONE |
|
3MB |
(4) 256K x 9 |
(4) 256K x 9 |
(4) 256K x 9 |
|
4MB |
(4) 1M x 9 |
NONE |
NONE |
|
5MB |
(4) 256K x 9 |
(4) 1M x 9 |
NONE |
|
SERIAL PORT CONFIGURATION | ||||||
|
Port 1 (CN4) |
Port 2 (CN2) |
J20 |
J22 |
J25 |
J26 | |
| » |
COM1 |
COM2 |
pins 2 & 3 |
pins 1 & 2 |
Open |
Open |
|
COM1 |
COM3 |
pins 2 & 3 |
Open |
pins 1 & 2 |
Open | |
|
COM1 |
COM4 |
pins 2 & 3 |
Open |
Open |
pins 1 & 2 | |
|
COM2 |
COM1 |
pins 1 & 2 |
pins 2 & 3 |
Open |
Open | |
|
COM2 |
COM3 |
Open |
pins 2 & 3 |
pins 1 & 2 |
Open | |
|
COM2 |
COM4 |
Open |
pins 2 & 3 |
Open |
pins 1 & 2 | |
|
COM3 |
COM1 |
pins 1 & 2 |
Open |
pins 2 & 3 |
Open | |
|
COM3 |
COM2 |
Open |
pins 1 & 2 |
pins 2 & 3 |
Open | |
|
COM3 |
COM4 |
Open |
Open |
pins 2 & 3 |
pins 1 & 2 | |
|
COM4 |
COM1 |
pins 2 & 3 |
Open |
Open |
pins 1 & 2 | |
|
COM4 |
COM2 |
Open |
pins 1 & 2 |
Open |
pins 2 & 3 | |
|
COM4 |
COM3 |
Open |
Open |
pins 1 & 2 |
pins 2 & 3 | |
|
Note:Pins designated should be in the closed position. | ||||||
|
SERIAL PORT IRQ CONFIGURATION | ||||
|
Port 1 (CN1) |
Port 2 (CN2) |
J18 |
J19 | |
| » |
IRQ4 |
IRQ3 |
pins 2 & 3 closed |
pins 1 & 2 closed |
|
IRQ3 |
IRQ4 |
pins 1 & 2 closed |
pins 2 & 3 closed | |
|
PARALLEL PORT CONFIGURATION | ||||
|
LPT |
IRQ |
J16 |
J21 | |
| » |
1 |
7 |
pins 2 & 3 closed |
pins 2 & 3 closed |
|
1 |
5 |
pins 2 & 3 closed |
pins 1 & 2 closed | |
|
2 |
7 |
pins 1 & 2 closed |
pins 2 & 3 closed | |
|
2 |
5 |
pins 1 & 2 closed |
pins 1 & 2 closed | |