JOY SYSTEMS, INC.
JOY 286-12
| Processor | 80286 | 
| Processor Speed | 12MHz | 
| Chip Set | None | 
| Max. Onboard DRAM | 1MB | 
| Cache | None | 
| BIOS | AMI | 
| Dimensions | 330mm x 218mm | 
| I/O Options | None | 
| NPU Options | 80287 | 
 
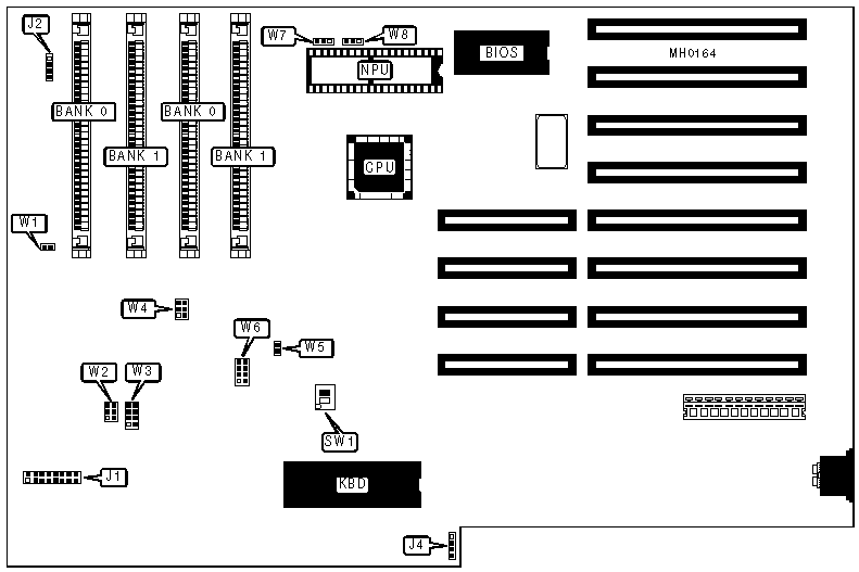
| CONNECTIONS | |||
| Purpose | Location | Purpose | Location | 
| Power LED (+5V) | J1 pin 1 | Keylock | J1 pin 7 | 
| Slow LED (+5V) | J1 pin 2 | VCC | J1 pin 11 | 
| Fast LED (-5V) | J1 pin 3 | Speaker | J2 | 
| Reset switch | J1 pin 6 | External battery | J4 | 
| GND | J1 pins 5, 8, 9, 15, & 16 | ||
| USER CONFIGURABLE SETTINGS | |||
| Function | Jumper/Switch | Position | |
| » | Monitor type select monochrome | SW1/1 | Open | 
| Monitor type select color | SW1/1 | Closed | |
| » | Factory configured - do not alter | W1 | N/A | 
| » | 8-bit bus slot access 6 wait states | W2 | pins 5 & 6 closed | 
| 8-bit bus slot access 5 wait states | W2 | pins 3 & 4 closed | |
| 8-bit bus slot access 4 wait states | W2 | pins 1 & 2 closed | |
| » | 16-bit bus slot access 2 wait states | W3 | pins 5 & 6 closed | 
| 16-bit bus slot access 1 wait states | W3 | pins 7 & 8 closed | |
| 16-bit bus slot access 3 wait states | W3 | pins 3 & 4 closed | |
| 16-bit bus slot access 4 wait states | W3 | pins 1 & 2 closed | |
| » | Factory configured - do not alter | W4 | N/A | 
| » | Factory configured - do not alter | W5 | N/A | 
| » | Factory configured - do not alter | W6 | pins 1 & 2 open | 
| » | Factory configured - do not alter | W6 | pins 5 & 6 open | 
| » | Factory configured - do not alter | W6 | pins 7 & 8 closed | 
| » | Factory configured - do not alter | W7 | pins 2 & 3 closed | 
| » | Factory configured - do not alter | W8 | pins 2 & 3 closed | 
| DRAM CONFIGURATION | ||
| Size | Bank 0 | Bank 1 | 
| 512KB | (2) 256K x 9 | NONE | 
| 1MB | (2) 256K x 9 | (2) 256K x 9 | 
| DRAM JUMPER CONFIGURATION | |
| Size | W6 | 
| 512KB | pins 3 & 4 closed | 
| 1MB | pins 3 & 4 open |