GIGA-BYTE TECHNOLOGY CO., LTD.
GA-6BMM (VER. 1.4)
| Device Type | Mainboard | 
| Processor | Pentium II/Celeron | 
| Processor Speed | 266/300/333/350/366/400/433/450/466/500/550/600/650MHz | 
| Chip Set | Intel 440BX | 
| Video Chip Set | ATI | 
| Maximum Onboard Memory | 768MB (EDO & SDRAM supported) | 
| Maximum Video Memory | Unidentified | 
| Audio Chip Set | ATI | 
| Cache | 0/128/256/512KB (located on the CPU) | 
| BIOS | Award | 
| Dimensions | 245mm x 200mm | 
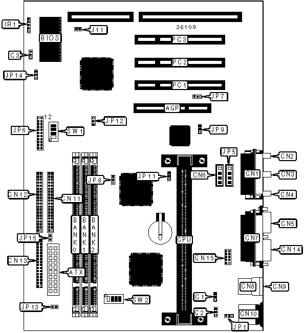
| I/O Options | 32-bit PCI slots (3), floppy drive interface, game/MIDI port, green PC connector, IDE interfaces (2), parallel port, PS/2 mouse port, serial ports (2), VGA port, IR connector, USB connectors (2), ATX power connector, AGP slot, line in, line out, microphone in, audio in - CD-ROMs (2), wake on LAN connector, wake on modem connector | 

| CONNECTIONS | |||
| Purpose | Location | Purpose | Location | 
| AGP slot | AGP | Floppy drive interface | CN13 | 
| ATX power connector | ATX | VGA port | CN14 | 
| CPU fan power | C1 | Serial port 2 | CN15 | 
| Power fan power | C2 | IR connector | IR1 | 
| Chassis fan power | C3 | Wake on modem connector | J11 | 
| Game/MIDI port | CN1 | Audio in - CD-ROM | JP5 | 
| Microphone in | CN2 | Green PC LED | JP6/pins 1 & 12 | 
| Line in | CN3 | Reset switch | JP6/pins 3 & 4 | 
| Line out | CN4 | Speaker | JP6/pins 5 - 8 | 
| Serial port 1 | CN5 | IDE interface LED | JP6/pins 9 & 20 | 
| Audio in - CD-ROM | CN6 | Green PC connector | JP6/pins 11 & 22 | 
| Parallel port | CN7 | Soft off power supply | JP6/pins 15 & 16 | 
| USB connector 1 | CN8 | Power LED | JP6/pins 17 - 19 | 
| USB connector 2 | CN9 | Wake on LAN connector | JP7 | 
| PS/2 mouse port | CN10 | STR LED | JP15 | 
| IDE interface 2 | CN11 | 32-bit PCI slots | PC1 - PC3 | 
| IDE interface 1 | CN12 | 
 | 
 | 
| USER CONFIGURABLE SETTINGS | |||
| Function | Label | Position | |
| » | Keyboard power on disabled | JP1 | Pins 2 & 3 closed | 
| 
 | Keyboard power on enabled | JP1 | Pins 1 & 2 closed | 
| » | VGA INT disabled | JP8 | Pins 1 & 2 closed | 
| 
 | VGA INT enabled | JP8 | Pins 2 & 3 closed | 
| » | On board sound enabled | JP9 | Pins 1 & 2 closed | 
| 
 | On board sound disabled | JP9 | Pins 2 & 3 closed | 
| » | System acceleration select 100MHz | JP11 | Pins 2 & 3 closed | 
| 
 | System acceleration select turbo | JP11 | Pins 1 & 2 closed | 
| » | On board video enabled | JP12 | Pins 2 & 3 closed | 
| 
 | On board video disabled | JP12 | Pins 1 & 2 closed | 
| » | Suspend to RAM function enabled | JP13 | Open | 
| 
 | Suspend to RAM function disabled | JP13 | Closed | 
| » | CMOS memory normal operation | JP14 | Pins 2 & 3 closed | 
| 
 | CMOS memory clear | JP14 | Pins 1 & 2 closed | 
| DIMM CONFIGURATION | |||
| Size | Bank 0 | Bank 1 | Bank 2 | 
| 8MB | (1) 1M x 64 | None | None | 
| 16MB | (1) 2M x 64 | None | None | 
| 16MB | (1) 1M x 64 | (1) 1M x 64 | None | 
| 24MB | (1) 2M x 64 | (1) 1M x 64 | None | 
| 32MB | (1) 2M x 64 | (1) 1M x 64 | (1) 1M x 64 | 
| DIMM CONFIGURATION (CON'T) | |||
| Size | Bank 0 | Bank 1 | Bank 2 | 
| 32MB | (1) 2M x 64 | (1) 2M x 64 | None | 
| 40MB | (1) 4M x 64 | (1) 1M x 64 | None | 
| 40MB | (1) 2M x 64 | (1) 2M x 64 | (1) 1M x 64 | 
| 48MB | (1) 4M x 64 | (1) 1M x 64 | (1) 1M x 64 | 
| 48MB | (1) 4M x 64 | (1) 2M x 64 | None | 
| 48MB | (1) 2M x 64 | (1) 2M x 64 | (1) 2M x 64 | 
| 56MB | (1) 4M x 64 | (1) 2M x 64 | (1) 1M x 64 | 
| 64MB | (1) 8M x 64 | None | None | 
| 64MB | (1) 4M x 64 | (1) 2M x 64 | (1) 2M x 64 | 
| 64MB | (1) 4M x 64 | (1) 4M x 64 | None | 
| 72MB | (1) 8M x 64 | (1) 1M x 64 | None | 
| 96MB | (1) 8M x 64 | (1) 4M x 64 | None | 
| 128MB | (1) 8M x 64 | (1) 4M x 64 | (1) 4M x 64 | 
| 128MB | (1) 8M x 64 | (1) 8M x 64 | None | 
| 136MB | (1) 16M x 64 | (1) 1M x 64 | None | 
| 136MB | (1) 8M x 64 | (1) 8M x 64 | (1) 1M x 64 | 
| 144MB | (1) 16M x 64 | (1) 1M x 64 | (1) 1M x 64 | 
| 144MB | (1) 16M x 64 | (1) 2M x 64 | None | 
| 144MB | (1) 8M x 64 | (1) 8M x 64 | (1) 2M x 64 | 
| 152MB | (1) 16M x 64 | (1) 2M x 64 | (1) 1M x 64 | 
| 160MB | (1) 16M x 64 | (1) 2M x 64 | (1) 2M x 64 | 
| 192MB | (1) 16M x 64 | (1) 4M x 64 | (1) 4M x 64 | 
| 192MB | (1) 16M x 64 | (1) 8M x 64 | None | 
| 208MB | (1) 16M x 64 | (1) 8M x 64 | (1) 2M x 64 | 
| 224MB | (1) 16M x 64 | (1) 8M x 64 | (1) 4M x 64 | 
| 256MB | (1) 32M x 64 | None | None | 
| 256MB | (1) 16M x 64 | (1) 8M x 64 | (1) 8M x 64 | 
| 264MB | (1) 32M x 64 | (1) 1M x 64 | None | 
| 272MB | (1) 32M x 64 | (1) 1M x 64 | (1) 1M x 64 | 
| 288MB | (1) 32M x 64 | (1) 4M x 64 | None | 
| 320MB | (1) 32M x 64 | (1) 4M x 64 | (1) 4M x 64 | 
| 320MB | (1) 32M x 64 | (1) 8M x 64 | None | 
| 384MB | (1) 16M x 64 | (1) 16M x 64 | (1) 16M x 64 | 
| 512MB | (1) 32M x 64 | (1) 16M x 64 | (1) 16M x 64 | 
| 512MB | (1) 32M x 64 | (1) 32M x 64 | None | 
| 768MB | (1) 32M x 64 | (1) 32M x 64 | (1) 32M x 64 | 
| Note: Board accepts SDRAM memory. | |||
| CACHE CONFIGURATION | 
| Note: 256KB/512KB cache is located on the Pentium II CPU. 128KB cache is located on the Celeron 300A & 333 CPU. | 
| VIDEO MEMORY CONFIGURATION | 
| Note: The location of the video memory is unidentified. | 
| CPU SPEED SELECTION (CELERON) | ||||||
| CPU speed | Clock speed | Multiplier | SW1/1 | SW1/2 | SW1/3 | SW1/4 | 
| 266MHz | 66MHz | 4x | On | Off | Off | On | 
| 300MHz | 66MHz | 4.5x | On | Off | Off | On | 
| 333MHz | 66MHz | 5x | On | Off | Off | On | 
| 366MHz | 66MHz | 5.5x | On | Off | Off | On | 
| 400MHz | 66MHz | 6x | On | Off | Off | On | 
| 433MHz | 66MHz | 6.5x | On | Off | Off | On | 
| CPU SPEED SELECTION (CELERON, CON'T) | ||||||
| CPU speed | Clock speed | Multiplier | SW2/1 | SW2/2 | SW2/3 | SW2/4 | 
| 266MHz | 66MHz | 4x | On | On | Off | On | 
| 300MHz | 66MHz | 4.5x | Off | On | Off | On | 
| 333MHz | 66MHz | 5x | On | Off | Off | On | 
| 366MHz | 66MHz | 5.5x | Off | Off | Off | On | 
| 400MHz | 66MHz | 6x | On | On | On | Off | 
| 433MHz | 66MHz | 6.5x | Off | On | On | Off | 
| CPU SPEED SELECTION (PENTIUM II) | ||||||
| CPU speed | Clock speed | Multiplier | SW1/1 | SW1/2 | SW1/3 | SW1/4 | 
| 266MHz | 66MHz | 4x | On | Off | Off | On | 
| 300MHz | 66MHz | 4.5x | On | Off | Off | On | 
| 333MHz | 66MHz | 5x | On | Off | Off | On | 
| 366MHz | 66MHz | 5.5x | On | Off | Off | On | 
| 400MHz | 66MHz | 6x | On | Off | Off | On | 
| 433MHz | 66MHz | 6.5x | On | Off | Off | On | 
| 350MHz | 100MHz | 3.5x | Off | Off | Off | Off | 
| 400MHz | 100MHz | 4x | Off | Off | Off | Off | 
| 450MHz | 100MHz | 4.5x | Off | Off | Off | Off | 
| 500MHz | 100MHz | 5x | Off | Off | Off | Off | 
| 550MHz | 100MHz | 5.5x | Off | Off | Off | Off | 
| 600MHz | 100MHz | 6x | Off | Off | Off | Off | 
| 650MHz | 100MHz | 6.5x | Off | Off | Off | Off | 
| CPU SPEED SELECTION (PENTIUM II, CON'T) | ||||||
| CPU speed | Clock speed | Multiplier | SW2/1 | SW2/2 | SW2/3 | SW2/4 | 
| 266MHz | 66MHz | 4x | On | On | Off | On | 
| 300MHz | 66MHz | 4.5x | Off | On | Off | On | 
| 333MHz | 66MHz | 5x | On | Off | Off | On | 
| 366MHz | 66MHz | 5.5x | Off | Off | Off | On | 
| 400MHz | 66MHz | 6x | On | On | On | Off | 
| 433MHz | 66MHz | 6.5x | Off | On | On | Off | 
| 350MHz | 100MHz | 3.5x | Off | Off | On | On | 
| 400MHz | 100MHz | 4x | On | On | Off | On | 
| 450MHz | 100MHz | 4.5x | Off | On | Off | On | 
| 500MHz | 100MHz | 5x | On | Off | Off | On | 
| 550MHz | 100MHz | 5.5x | Off | Off | Off | On | 
| 600MHz | 100MHz | 6x | On | On | On | Off | 
| 650MHz | 100MHz | 6.5x | Off | On | On | Off |