GIGA-BYTE TECHNOLOGY CO., LTD.
GA-6LX7 (VER. 1.0)
| Device Type | Mainboard | 
| Processor | Celeron | 
| Processor Speed | 366/400/433MHz | 
| Chip Set | Intel 440LX | 
| Maximum Onboard Memory | 768MB (EDO & SDRAM supported) | 
| Cache | 128KB (located on the Celeron CPU) | 
| BIOS | Award | 
| Dimensions | 305mm x 190mm | 
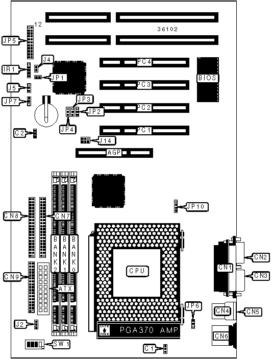
| I/O Options | 32-bit PCI slots (4), floppy drive interface, green PC connector, IDE interfaces (2), parallel port, PS/2 mouse port, serial ports (2), IR connector, USB connectors (2), ATX power connector, AGP slot, SB-link connector, wake on LAN connector, wake on modem connector | 

| CONNECTIONS | |||
| Purpose | Location | Purpose | Location | 
| AGP slot | AGP | Power fan power | J2 | 
| ATX power connector | ATX | Wake on modem connector | J4 | 
| CPU fan power | C1 | SB-link connector | J14 | 
| Chassis fan power | C2 | Case open connector | JP1 | 
| Parallel port | CN1 | Green PC LED | JP5/pins 1 & 12 | 
| Serial port 1 | CN2 | Reset switch | JP5/pins 3 & 4 | 
| Serial port 2 | CN3 | Speaker | JP5/pins 5 - 8 | 
| USB connector 1 | CN4 | IDE interface LED | JP5/pins 9 & 20 | 
| USB connector 2 | CN5 | Green PC connector | JP5/pins 11 & 22 | 
| PS/2 mouse port | CN6 | Soft off power supply | JP5/pins 15 & 16 | 
| IDE interface 2 | CN7 | Power LED | JP5/pins 17 - 19 | 
| IDE interface 1 | CN8 | Wake on LAN connector | JP7 | 
| Floppy drive interface | CN9 | Modem connector | JP10 | 
| IR connector | IR1 | 32-bit PCI slots | PC1 - PC4 | 
| USER CONFIGURABLE SETTINGS | |||
| Function | Label | Position | |
| » | CMOS memory normal operation | J5 | Pins 2 & 3 closed | 
| 
 | CMOS memory clear | J5 | Pins 1 & 2 closed | 
| » | Keyboard power on disabled | JP6 | Pins 2 & 3 closed | 
| 
 | Keyboard power on enabled | JP6 | Pins 1 & 2 closed | 
| DIMM CONFIGURATION | |||
| Size | Bank 0 | Bank 1 | Bank 2 | 
| 8MB | (1) 1M x 64 | None | None | 
| 16MB | (1) 2M x 64 | None | None | 
| 16MB | (1) 1M x 64 | (1) 1M x 64 | None | 
| 24MB | (1) 2M x 64 | (1) 1M x 64 | None | 
| 24MB | (1) 1M x 64 | (1) 1M x 64 | (1) 1M x 64 | 
| 32MB | (1) 4M x 64 | None | None | 
| 32MB | (1) 2M x 64 | (1) 1M x 64 | (1) 1M x 64 | 
| 32MB | (1) 2M x 64 | (1) 2M x 64 | None | 
| 40MB | (1) 4M x 64 | (1) 1M x 64 | None | 
| 40MB | (1) 2M x 64 | (1) 2M x 64 | (1) 1M x 64 | 
| 48MB | (1) 4M x 64 | (1) 1M x 64 | (1) 1M x 64 | 
| 48MB | (1) 4M x 64 | (1) 2M x 64 | None | 
| 48MB | (1) 2M x 64 | (1) 2M x 64 | (1) 2M x 64 | 
| 56MB | (1) 4M x 64 | (1) 2M x 64 | (1) 1M x 64 | 
| 64MB | (1) 8M x 64 | None | None | 
| 64MB | (1) 4M x 64 | (1) 2M x 64 | (1) 2M x 64 | 
| 64MB | (1) 4M x 64 | (1) 4M x 64 | None | 
| 72MB | (1) 8M x 64 | (1) 1M x 64 | None | 
| DIMM CONFIGURATION (CON'T) | |||
| Size | Bank 0 | Bank 1 | Bank 2 | 
| 72MB | (1) 4M x 64 | (1) 4M x 64 | (1) 1M x 64 | 
| 80MB | (1) 8M x 64 | (1) 1M x 64 | (1) 1M x 64 | 
| 80MB | (1) 8M x 64 | (1) 2M x 64 | None | 
| 80MB | (1) 4M x 64 | (1) 4M x 64 | (1) 2M x 64 | 
| 88MB | (1) 8M x 64 | (1) 2M x 64 | (1) 1M x 64 | 
| 96MB | (1) 8M x 64 | (1) 2M x 64 | (1) 2M x 64 | 
| 96MB | (1) 8M x 64 | (1) 4M x 64 | None | 
| 128MB | (1) 16M x 64 | None | None | 
| 128MB | (1) 8M x 64 | (1) 4M x 64 | (1) 4M x 64 | 
| 128MB | (1) 8M x 64 | (1) 8M x 64 | None | 
| 144MB | (1) 16M x 64 | (1) 2M x 64 | None | 
| 144MB | (1) 8M x 64 | (1) 8M x 64 | (1) 2M x 64 | 
| 152MB | (1) 16M x 64 | (1) 2M x 64 | (1) 1M x 64 | 
| 160MB | (1) 16M x 64 | (1) 2M x 64 | (1) 2M x 64 | 
| 160MB | (1) 16M x 64 | (1) 4M x 64 | None | 
| 192MB | (1) 16M x 64 | (1) 4M x 64 | (1) 4M x 64 | 
| 192MB | (1) 16M x 64 | (1) 8M x 64 | None | 
| 224MB | (1) 16M x 64 | (1) 8M x 64 | (1) 4M x 64 | 
| 256MB | (1) 32M x 64 | None | None | 
| 256MB | (1) 16M x 64 | (1) 8M x 64 | (1) 8M x 64 | 
| 264MB | (1) 32M x 64 | (1) 1M x 64 | None | 
| 272MB | (1) 32M x 64 | (1) 1M x 64 | (1) 1M x 64 | 
| 272MB | (1) 32M x 64 | (1) 2M x 64 | None | 
| 288MB | (1) 32M x 64 | (1) 2M x 64 | (1) 2M x 64 | 
| 288MB | (1) 32M x 64 | (1) 4M x 64 | None | 
| 320MB | (1) 32M x 64 | (1) 4M x 64 | (1) 4M x 64 | 
| 320MB | (1) 32M x 64 | (1) 8M x 64 | None | 
| 384MB | (1) 32M x 64 | (1) 8M x 64 | (1) 8M x 64 | 
| 384MB | (1) 32M x 64 | (1) 16M x 64 | None | 
| 384MB | (1) 16M x 64 | (1) 16M x 64 | (1) 16M x 64 | 
| 512MB | (1) 32M x 64 | (1) 16M x 64 | (1) 16M x 64 | 
| 512MB | (1) 32M x 64 | (1) 32M x 64 | None | 
| 768MB | (1) 32M x 64 | (1) 32M x 64 | (1) 32M x 64 | 
| Note: Board accepts EDO & SDRAM memory. Maximum SDRAM is 384MB. Maximum EDO is 768MB. | |||
| CACHE CONFIGURATION | 
| Note: 128KB cache is located on the Celeron CPU. | 
| CPU SPEED SELECTION | |||||
| CPU speed | Clock speed | Multiplier | JP2 | JP3 | JP4 | 
| 366MHz | 66MHz | 5.5x | 2 & 3 | 2 & 3 | 2 & 3 | 
| 400MHz | 66MHz | 6x | 2 & 3 | 2 & 3 | 2 & 3 | 
| 433MHz | 66MHz | 6.5x | 2 & 3 | 2 & 3 | 2 & 3 | 
| Note: Pins designated should be in the closed position. | |||||
| CPU SPEED SELECTION (CON'T) | ||||||
| CPU speed | Clock speed | Multiplier | SW1/1 | SW1/2 | SW1/3 | SW1/4 | 
| 366MHz | 66MHz | 5.5x | Off | Off | Off | On | 
| 400MHz | 66MHz | 6x | On | On | On | Off | 
| 433MHz | 66MHz | 6.5x | Off | On | On | Off |