GIGA-BYTE TECHNOLOGY CO., LTD.
GA-686LX4 (VER. 1.0)
| Device Type | Mainboard | 
| Processor | Pentium II | 
| Processor Speed | 200/233/266/300/333/366MHz | 
| Chip Set | Intel 440LX | 
| Maximum Onboard Memory | 1GB (EDO & SDRAM supported) | 
| Cache | 256/512KB (located on Pentium II CPU) | 
| BIOS | Award | 
| Dimensions | 305mm x 180mm | 
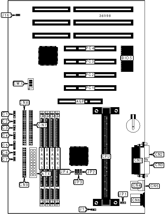
| I/O Options | 32-bit PCI slots (4), floppy drive interface, green PC connector, IDE interfaces (2), parallel port, PS/2 mouse port, serial ports (2), IR connector, USB connectors (2), ATX power connector, AGP slot | 

| CONNECTIONS | |||
| Purpose | Location | Purpose | Location | 
| AGP slot | AGP | Serial port 1 | CN2 | 
| ATX power connector | ATX | Serial port 2 | CN3 | 
| Speaker | C1 | USB connector 1 | CN4 | 
| Reset switch | C2 | USB connector 2 | CN5 | 
| Power LED | C3 | PS/2 mouse port | CN6 | 
| IDE interface LED | C4 | IDE interface 2 | CN7 | 
| IR connector | C5 | IDE interface 1 | CN8 | 
| Green PC connector | C6 | Floppy drive interface | CN9 | 
| Soft off power supply | C7 | CPU fan power | J1 | 
| Parallel port | CN1 | 32-bit PCI slots | PC1 - PC4 | 
| USER CONFIGURABLE SETTINGS | |||
| Function | Label | Position | |
| 
 | ATX power supply select soft off | J16 | Open | 
| 
 | ATX power supply select full on | J16 | Closed | 
| » | Keyboard power on disabled | JP1 | Pins 2 & 3 closed | 
| 
 | Keyboard power on enabled | JP1 | Pins 1 & 2 closed | 
| DIMM CONFIGURATION | ||||
| Size | Bank 0 | Bank 1 | Bank 2 | Bank 3 | 
| 8MB | (1) 1M x 64 | None | None | None | 
| 16MB | (1) 2M x 64 | None | None | None | 
| 16MB | (1) 1M x 64 | (1) 1M x 64 | None | None | 
| 24MB | (1) 2M x 64 | (1) 1M x 64 | None | None | 
| 24MB | (1) 1M x 64 | (1) 1M x 64 | (1) 1M x 64 | None | 
| 32MB | (1) 4M x 64 | None | None | None | 
| 32MB | (1) 2M x 64 | (1) 2M x 64 | None | None | 
| 32MB | (1) 1M x 64 | (1) 1M x 64 | (1) 1M x 64 | (1) 1M x 64 | 
| 40MB | (1) 4M x 64 | (1) 1M x 64 | None | None | 
| 48MB | (1) 4M x 64 | (1) 2M x 64 | None | None | 
| 48MB | (1) 2M x 64 | (1) 2M x 64 | (1) 2M x 64 | None | 
| 64MB | (1) 2M x 64 | (1) 2M x 64 | (1) 2M x 64 | (1) 2M x 64 | 
| 64MB | (1) 8M x 64 | None | None | None | 
| 64MB | (1) 4M x 64 | (1) 4M x 64 | None | None | 
| 72MB | (1) 8M x 64 | (1) 1M x 64 | None | None | 
| 80MB | (1) 8M x 64 | (1) 2M x 64 | None | None | 
| 96MB | (1) 8M x 64 | (1) 4M x 64 | None | None | 
| 96MB | (1) 4M x 64 | (1) 4M x 64 | (1) 4M x 64 | None | 
| 128MB | (1) 16M x 64 | None | None | None | 
| 128MB | (1) 8M x 64 | (1) 8M x 64 | None | None | 
| 128MB | (1) 4M x 64 | (1) 4M x 64 | (1) 4M x 64 | (1) 4M x 64 | 
| 136MB | (1) 16M x 64 | (1) 1M x 64 | None | None | 
| DIMM CONFIGURATION (CON'T) | ||||
| Size | Bank 0 | Bank 1 | Bank 2 | Bank 3 | 
| 144MB | (1) 16M x 64 | (1) 2M x 64 | None | None | 
| 176MB | (1) 16M x 64 | (1) 2M x 64 | (1) 2M x 64 | (1) 2M x 64 | 
| 192MB | (1) 16M x 64 | (1) 8M x 64 | None | None | 
| 192MB | (1) 8M x 64 | (1) 8M x 64 | (1) 8M x 64 | None | 
| 256MB | (1) 32M x 64 | None | None | None | 
| 256MB | (1) 16M x 64 | (1) 16M x 64 | None | None | 
| 256MB | (1) 8M x 64 | (1) 8M x 64 | (1) 8M x 64 | (1) 8M x 64 | 
| 272MB | (1) 16M x 64 | (1) 16M x 64 | (1) 1M x 64 | (1) 1M x 64 | 
| 280MB | (1) 32M x 64 | (1) 1M x 64 | (1) 1M x 64 | (1) 1M x 64 | 
| 288MB | (1) 16M x 64 | (1) 16M x 64 | (1) 2M x 64 | (1) 2M x 64 | 
| 320MB | (1) 16M x 64 | (1) 16M x 64 | (1) 4M x 64 | (1) 4M x 64 | 
| 384MB | (1) 16M x 64 | (1) 16M x 64 | (1) 16M x 64 | None | 
| 448MB | (1) 32M x 64 | (1) 8M x 64 | (1) 8M x 64 | (1) 8M x 64 | 
| 512MB | (1) 32M x 64 | (1) 32M x 64 | None | None | 
| 512MB | (1) 16M x 64 | (1) 16M x 64 | (1) 16M x 64 | (1) 16M x 64 | 
| 640MB | (1) 32M x 64 | (1) 16M x 64 | (1) 16M x 64 | (1) 16M x 64 | 
| 768MB | (1) 32M x 64 | (1) 32M x 64 | (1) 32M x 64 | None | 
| 1024MB | (1) 32M x 64 | (1) 32M x 64 | (1) 32M x 64 | (1) 32M x 64 | 
| Note: Board accepts EDO & SDRAM memory. Maximum SDRAM is 512MB. Maximum EDO is 1024MB. | ||||
| CACHE CONFIGURATION | 
| Note: 256KB/512KB cache is located on the Pentium II CPU. | 
| CPU SPEED SELECTION | |||||
| CPU speed | Clock speed | Multiplier | JP2 | JP3 | JP4 | 
| 200MHz | 66MHz | 3x | 1 & 2 | 1 & 2 | 1 & 2 | 
| 233MHz | 66MHz | 3.5x | 1 & 2 | 1 & 2 | 1 & 2 | 
| 266MHz | 66MHz | 4x | 1 & 2 | 1 & 2 | 1 & 2 | 
| 300MHz | 66MHz | 4.5x | 1 & 2 | 1 & 2 | 1 & 2 | 
| 333MHz | 66MHz | 5x | 1 & 2 | 1 & 2 | 1 & 2 | 
| 366MHz | 66MHz | 5.5x | 1 & 2 | 1 & 2 | 1 & 2 | 
| Note: Pins designated should be in the closed position. | |||||
| CPU SPEED SELECTION (CON'T) | ||||||
| CPU speed | Clock speed | Multiplier | SW1/1 | SW1/2 | SW1/3 | SW1/4 | 
| 200MHz | 66MHz | 3x | On | Off | On | On | 
| 233MHz | 66MHz | 3.5x | Off | Off | On | On | 
| 266MHz | 66MHz | 4x | On | On | Off | On | 
| 300MHz | 66MHz | 4.5x | Off | On | Off | On | 
| 333MHz | 66MHz | 5x | On | Off | Off | On | 
| 366MHz | 66MHz | 5.5x | Off | Off | Off | On |