GIGA-BYTE TECHNOLOGY CO., LTD.
GA-6BXE (REV. 1.0)
| Device Type | Mainboard | 
| Processor | Pentium II | 
| Processor Speed | 233/266/300/333/350/366/400/450/500/550MHz | 
| Chip Set | Intel 440BX | 
| Video Chip Set | None | 
| Maximum Onboard Memory | 1GB (SDRAM supported) | 
| Maximum Video Memory | None | 
| Cache | 256/512KB (located on Pentium II CPU) | 
| BIOS | Award | 
| Dimensions | 305mm x 190mm | 
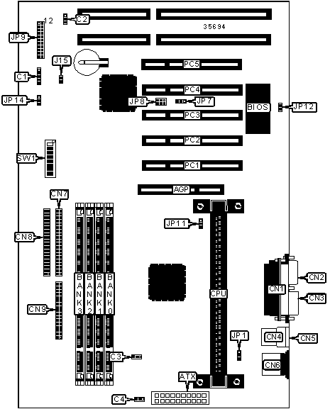
| I/O Options | 32-bit PCI slots (5), floppy drive interface, green PC connector, IDE interfaces (2), parallel port, PS/2 mouse port, serial ports (2), IR connector, USB connectors (2), ATX power connector, AGP slot, SB-link connector, wake on LAN connector | 
 
| CONNECTIONS | |||
| Purpose | Location | Purpose | Location | 
| AGP slot | AGP | IDE interface 1 | CN8 | 
| ATX power connector | ATX | Floppy drive interface | CN9 | 
| IR connector | C1 | Wake on LAN connector | JP7 | 
| Chassis fan power | C2 | SB-link connector | JP8 | 
| Power fan | C3 | Green PC LED | JP9/pins 1 & 12 | 
| CPU fan power | C4 | Reset switch | JP9/pins 3 & 4 | 
| Parallel port | CN1 | Speaker | JP9/pins 5 - 8 | 
| Serial port 1 | CN2 | IDE interface LED | JP9/pins 9 & 20 | 
| Serial port 2 | CN3 | Green PC connector | JP9/pins 11 & 22 | 
| USB connector 1 | CN4 | Soft off power supply | JP9/pins 15 & 16 | 
| USB connector 2 | CN5 | Power LED | JP9/pins 17 - 19 | 
| PS/2 mouse port | CN6 | Case open connector | JP12 | 
| IDE interface 2 | CN7 | 32-bit PCI slots | PC1 – PC5 | 
| USER CONFIGURABLE SETTINGS | |||
| Function | Label | Position | |
| ATX power control select soft off | J15 | Open | |
| ATX power control select soft off/full on | J15 | Closed | |
| Keyboard power on enabled | JP1 | Pins 1 & 2 closed | |
| Keyboard power on disabled | JP1 | Pins 2 & 3 closed | |
| » | CMOS memory normal operation | JP14 | Pins 2 & 3 closed | 
| CMOS memory clear | JP14 | Pins 1 & 2 closed | |
| DIMM CONFIGURATION | ||||
| Size | Bank 0 | Bank 1 | Bank 2 | Bank 3 | 
| 8MB | (1) 1M x 64 | None | None | None | 
| 16MB | (1) 2M x 64 | None | None | None | 
| 16MB | (1) 1M x 64 | (1) 1M x 64 | None | None | 
| 24MB | (1) 2M x 64 | (1) 1M x 64 | None | None | 
| 24MB | (1) 1M x 64 | (1) 1M x 64 | (1) 1M x 64 | None | 
| 32MB | (1) 4M x 64 | None | None | None | 
| 32MB | (1) 2M x 64 | (1) 2M x 64 | None | None | 
| 32MB | (1) 1M x 64 | (1) 1M x 64 | (1) 1M x 64 | (1) 1M x 64 | 
| 40MB | (1) 4M x 64 | (1) 1M x 64 | None | None | 
| DIMM CONFIGURATION (CON’T) | ||||
| Size | Bank 0 | Bank 1 | Bank 2 | Bank 3 | 
| 48MB | (1) 4M x 64 | (1) 2M x 64 | None | None | 
| 48MB | (1) 2M x 64 | (1) 2M x 64 | (1) 2M x 64 | None | 
| 64MB | (1) 2M x 64 | (1) 2M x 64 | (1) 2M x 64 | (1) 2M x 64 | 
| 64MB | (1) 8M x 64 | None | None | None | 
| 64MB | (1) 4M x 64 | (1) 4M x 64 | None | None | 
| 72MB | (1) 8M x 64 | (1) 1M x 64 | None | None | 
| 80MB | (1) 8M x 64 | (1) 2M x 64 | None | None | 
| 96MB | (1) 8M x 64 | (1) 4M x 64 | None | None | 
| 96MB | (1) 4M x 64 | (1) 4M x 64 | (1) 4M x 64 | None | 
| 128MB | (1) 16M x 64 | None | None | None | 
| 128MB | (1) 8M x 64 | (1) 8M x 64 | None | None | 
| 128MB | (1) 4M x 64 | (1) 4M x 64 | (1) 4M x 64 | (1) 4M x 64 | 
| 136MB | (1) 16M x 64 | (1) 1M x 64 | None | None | 
| 144MB | (1) 16M x 64 | (1) 2M x 64 | None | None | 
| 152MB | (1) 16M x 64 | (1) 1M x 64 | (1) 1M x 64 | (1) 1M x 64 | 
| 160MB | (1) 16M x 64 | (1) 4M x 64 | None | None | 
| 176MB | (1) 16M x 64 | (1) 2M x 64 | (1) 2M x 64 | (1) 2M x 64 | 
| 192MB | (1) 16M x 64 | (1) 8M x 64 | None | None | 
| 192MB | (1) 8M x 64 | (1) 8M x 64 | (1) 8M x 64 | None | 
| 224MB | (1) 16M x 64 | (1) 4M x 64 | (1) 4M x 64 | (1) 4M x 64 | 
| 256MB | (1) 32M x 64 | None | None | None | 
| 256MB | (1) 16M x 64 | (1) 16M x 64 | None | None | 
| 256MB | (1) 8M x 64 | (1) 8M x 64 | (1) 8M x 64 | (1) 8M x 64 | 
| 272MB | (1) 16M x 64 | (1) 16M x 64 | (1) 1M x 64 | (1) 1M x 64 | 
| 304MB | (1) 32M x 64 | (1) 2M x 64 | (1) 2M x 64 | (1) 2M x 64 | 
| 320MB | (1) 16M x 64 | (1) 16M x 64 | (1) 4M x 64 | (1) 4M x 64 | 
| 320MB | (1) 16M x 64 | (1) 8M x 64 | (1) 8M x 64 | (1) 8M x 64 | 
| 352MB | (1) 32M x 64 | (1) 4M x 64 | (1) 4M x 64 | (1) 4M x 64 | 
| 384MB | (1) 16M x 64 | (1) 16M x 64 | (1) 16M x 64 | None | 
| 448MB | (1) 32M x 64 | (1) 8M x 64 | (1) 8M x 64 | (1) 8M x 64 | 
| 512MB | (1) 32M x 64 | (1) 32M x 64 | None | None | 
| 512MB | (1) 16M x 64 | (1) 16M x 64 | (1) 16M x 64 | (1) 16M x 64 | 
| 640MB | (1) 32M x 64 | (1) 16M x 64 | (1) 16M x 64 | (1) 16M x 64 | 
| 768MB | (1) 32M x 64 | (1) 32M x 64 | (1) 32M x 64 | None | 
| 1024MB | (1) 32M x 64 | (1) 32M x 64 | (1) 32M x 64 | (1) 32M x 64 | 
| Note: Board accepts SDRAM memory. | ||||
| CACHE CONFIGURATION | 
| Note: 256KB/512KB cache is located on the Pentium II CPU. | 
| CPU SPEED SELECTION | ||||||
| CPU speed | Clock speed | Multiplier | SW1/1 | SW1/2 | SW1/3 | SW1/4 | 
| 233MHz | 66MHz | 3.5x | Off | Off | On | On | 
| 266MHz | 66MHz | 4x | On | On | Off | On | 
| 300MHz | 66MHz | 4.5x | Off | On | Off | On | 
| 333MHz | 66MHz | 5x | On | Off | Off | On | 
| 366MHz | 66MHz | 5.5x | Off | Off | Off | On | 
| 300MHz | 100MHz | 3x | On | Off | On | On | 
| 350MHz | 100MHz | 3.5x | Off | Off | On | On | 
| 400MHz | 100MHz | 4x | On | On | Off | On | 
| 450MHz | 100MHz | 4.5x | Off | On | Off | On | 
| 500MHz | 100MHz | 5x | On | Off | Off | On | 
| 550MHz | 100MHz | 5.5x | Off | Off | Off | On | 
| CPU SPEED SELECTION (CON’T) | ||||||
| CPU speed | Clock speed | Multiplier | SW1/5 | SW1/6 | SW1/7 | SW1/8 | 
| 233MHz | 66MHz | 3.5x | On | Off | Off | On | 
| 266MHz | 66MHz | 4x | On | Off | Off | On | 
| 300MHz | 66MHz | 4.5x | On | Off | Off | On | 
| 333MHz | 66MHz | 5x | On | Off | Off | On | 
| 366MHz | 66MHz | 5.5x | On | Off | Off | On | 
| 300MHz | 100MHz | 3x | Off | Off | Off | Off | 
| 350MHz | 100MHz | 3.5x | Off | Off | Off | Off | 
| 400MHz | 100MHz | 4x | Off | Off | Off | Off | 
| 450MHz | 100MHz | 4.5x | Off | Off | Off | Off | 
| 500MHz | 100MHz | 5x | Off | Off | Off | Off | 
| 550MHz | 100MHz | 5.5x | Off | Off | Off | Off | 
| MAINBOARD BUS SPEED SELECTION | |
| Speed | JP11 | 
| 100MHz turbo & other frequencies | Pins 1 & 2 closed | 
| 100MHz | Pins 2 & 3 closed |