GIGA-BYTE TECHNOLOGY CO., LTD.
GA-686EX2 (REV. 1.0)
| Device Type | Mainboard | 
| Processor | Pentium II | 
| Processor Speed | 200/233/266/300/333/366MHz | 
| Chip Set | Intel 440EX | 
| Video Chip Set | None | 
| Maximum Onboard Memory | 256MB (EDO & SDRAM supported) | 
| Maximum Video Memory | None | 
| Cache | 256/512KB (located on Pentium II CPU) | 
| BIOS | Award | 
| Dimensions | 243mm x 190mm | 
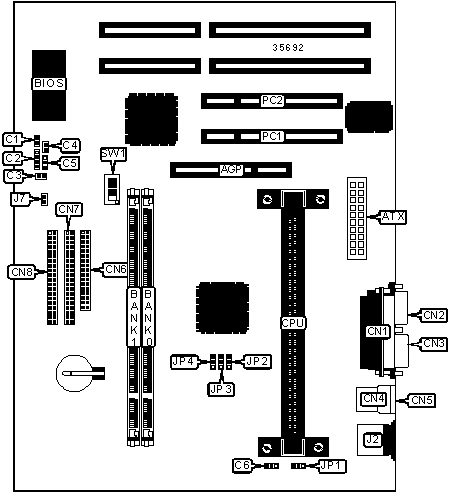
| I/O Options | 32-bit PCI slots (2), floppy drive interface, IDE interfaces (2), parallel port, PS/2 mouse port, serial ports (2), USB connectors (2), ATX power connector, AGP slot | 
 
| CONNECTIONS | |||
| Purpose | Location | Purpose | Location | 
| AGP slot | AGP | Serial port 1 | CN2 | 
| ATX power connector | ATX | Serial port 2 | CN3 | 
| Reset switch | C1 | USB connector 1 | CN4 | 
| Speaker | C2 | USB connector 2 | CN5 | 
| IDE interface LED | C3 | Floppy drive interface | CN6 | 
| Soft off power supply | C4 | IDE interface 2 | CN7 | 
| Power LED | C5 | IDE interface 1 | CN8 | 
| CPU fan power | C6 | PS/2 mouse port | J2 | 
| Parallel port | CN1 | 32-bit PCI slots | PC1 – PC2 | 
| USER CONFIGURABLE SETTINGS | |||
| Function | Label | Position | |
| ATX power control select soft off | J7 | Open | |
| ATX power control select soft off/full on | J7 | Closed | |
| Keyboard power on enabled | JP1 | Pins 1 & 2 closed | |
| Keyboard power on disabled | JP1 | Pins 2 & 3 closed | |
| DIMM CONFIGURATION | ||
| Size | Bank 0 | Bank 1 | 
| 8MB | (1) 1M x 64 | None | 
| 16MB | (1) 2M x 64 | None | 
| 16MB | (1) 1M x 64 | (1) 1M x 64 | 
| 24MB | (1) 2M x 64 | (1) 1M x 64 | 
| 32MB | (1) 4M x 64 | None | 
| 32MB | (1) 2M x 64 | (1) 2M x 64 | 
| 40MB | (1) 4M x 64 | (1) 1M x 64 | 
| 48MB | (1) 4M x 64 | (1) 2M x 64 | 
| 64MB | (1) 8M x 64 | None | 
| 64MB | (1) 4M x 64 | (1) 4M x 64 | 
| 72MB | (1) 8M x 64 | (1) 1M x 64 | 
| 80MB | (1) 8M x 64 | (1) 2M x 64 | 
| 96MB | (1) 8M x 64 | (1) 4M x 64 | 
| 128MB | (1) 16M x 64 | None | 
| 128MB | (1) 8M x 64 | (1) 8M x 64 | 
| DIMM CONFIGURATION (CON’T) | ||
| Size | Bank 0 | Bank 1 | 
| 136MB | (1) 16M x 64 | (1) 1M x 64 | 
| 144MB | (1) 16M x 64 | (1) 2M x 64 | 
| 160MB | (1) 16M x 64 | (1) 4M x 64 | 
| 192MB | (1) 16M x 64 | (1) 8M x 64 | 
| 256MB | (1) 16M x 64 | (1) 16M x 64 | 
| Note: Board accepts EDO & SDRAM memory. | ||
| CACHE CONFIGURATION | 
| Note: 256KB/512KB cache is located on the Pentium II CPU. | 
| CPU SPEED SELECTION | |||||
| CPU speed | Clock speed | Multiplier | JP2 | JP3 | JP4 | 
| 200MHz | 66MHz | 3x | 1 & 2 | 1 & 2 | 1 & 2 | 
| 233MHz | 66MHz | 3.5x | 1 & 2 | 1 & 2 | 1 & 2 | 
| 266MHz | 66MHz | 4x | 1 & 2 | 1 & 2 | 1 & 2 | 
| 300MHz | 66MHz | 4.5x | 1 & 2 | 1 & 2 | 1 & 2 | 
| 333MHz | 66MHz | 5x | 1 & 2 | 1 & 2 | 1 & 2 | 
| 366MHz | 66MHz | 5.5x | 1 & 2 | 1 & 2 | 1 & 2 | 
| Note: Pins designated should be in the closed position. | |||||
| CPU SPEED SELECTION (CON’T) | ||||||
| CPU speed | Clock speed | Multiplier | SW1/1 | SW1/2 | SW1/3 | SW1/4 | 
| 200MHz | 66MHz | 3x | On | Off | On | On | 
| 233MHz | 66MHz | 3.5x | Off | Off | On | On | 
| 266MHz | 66MHz | 4x | On | On | Off | On | 
| 300MHz | 66MHz | 4.5x | Off | On | Off | On | 
| 333MHz | 66MHz | 5x | On | Off | Off | On | 
| 366MHz | 66MHz | 5.5x | Off | Off | Off | On |