FREE COMPUTER TECHNOLOGY, INC.
P6F92
| Device Type | Mainboard | 
| Processor | Pentium II/Celeron | 
| Processor Speed | 233/266/300/333MHz | 
| Chip Set | Intel 44OLX/EX | 
| Video Chip Set | None | 
| Maximum Onboard Memory | 256MB (SDRAM supported) | 
| Maximum Video Memory | None | 
| Cache | 0/128/512KB (located on the CPU) | 
| BIOS | Award | 
| Dimensions | 220mm x 211mm | 
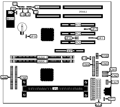
| I/O Options | 32-bit PCI slots (3), floppy drive interface, IDE interfaces (2), parallel port, PS/2 mouse interface, serial ports (2), IR connector, USB connector, ATX power connector, AGP slot, SB-link connector, wake on LAN connector | 
 
| CONNECTIONS | |||
| Purpose | Location | Purpose | Location | 
| AGP slot | AGP | Serial port 1 | CN2 | 
| ATX power connector | ATX | Parallel port | CN3 | 
| Speaker | C1 | Floppy drive interface | CN4 | 
| Power LED & keylock | C2 | IDE interface 2 | CN5 | 
| IDE interface LED | C3 | IDE interface 1 | CN6 | 
| Standby LED | C4 | PS/2 mouse port | CN7 | 
| Reset switch | C5 | IR connector | IR1 | 
| Soft off power supply | C6 | Wake on LAN connector | JP7 | 
| CPU fan power | C7 | SB-link connector | JP8 | 
| Chassis fan power | C8 | 32-bit PCI slots | PC1 – PC3 | 
| Serial port 2 | CN1 | USB connector | USB | 
| USER CONFIGURABLE SETTINGS | |||
| Function | Label | Position | |
| Keyboard/mouse voltage select +5v | JP1 | Pins 1 & 2 closed | |
| Keyboard/mouse voltage select +5vsb | JP1 | Pins 2 & 3 closed | |
| » | CMOS memory normal operation | JP9 | Pins 1 & 2 closed | 
| CMOS memory clear | JP9 | Pins 2 & 3 closed | |
| DIMM CONFIGURATION | ||
| Size | Bank 0 | Bank 1 | 
| 8MB | (1) 1M x 64 | None | 
| 16MB | (1) 2M x 64 | None | 
| 16MB | (1) 1M x 64 | (1) 1M x 64 | 
| 24MB | (1) 2M x 64 | (1) 1M x 64 | 
| 32MB | (1) 4M x 64 | None | 
| 32MB | (1) 2M x 64 | (1) 2M x 64 | 
| 40MB | (1) 4M x 64 | (1) 1M x 64 | 
| 48MB | (1) 4M x 64 | (1) 2M x 64 | 
| 64MB | (1) 8M x 64 | None | 
| 64MB | (1) 4M x 64 | (1) 4M x 64 | 
| 72MB | (1) 8M x 64 | (1) 1M x 64 | 
| 80MB | (1) 8M x 64 | (1) 2M x 64 | 
| 96MB | (1) 8M x 64 | (1) 4M x 64 | 
| DIMM CONFIGURATION (CON’T) | ||
| Size | Bank 0 | Bank 1 | 
| 128MB | (1) 16M x 64 | None | 
| 128MB | (1) 8M x 64 | (1) 8M x 64 | 
| 136MB | (1) 16M x 64 | (1) 1M x 64 | 
| 144MB | (1) 16M x 64 | (1) 2M x 64 | 
| 160MB | (1) 16M x 64 | (1) 4M x 64 | 
| 192MB | (1) 16M x 64 | (1) 8M x 64 | 
| 256MB | (1) 16M x 64 | (1) 16M x 64 | 
| Note: Board accepts SDRAM memory. | ||
| CACHE CONFIGURATION | 
| Note: 512KB cache is located on the Pentium II CPU. 128KB cache is located on the Celeron 300A & 333 CPU. |