GIGABYTE TECHNOLOGY CO., LTD.
686DLX
|
Device Type |
Mainboard |
|
Processor |
Pentium II |
|
Processor Speed |
200/233/266/300/333/366MHz |
|
Chip Set |
Intel 440LX |
|
Maximum Onboard Memory |
1GB (EDO & SDRAM supported) |
|
Cache |
256/512KB (located on the Pentium II CPU) |
|
BIOS |
Unidentified |
|
Dimensions |
305mm x 244mm |
|
I/O Options |
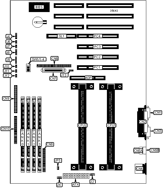
32-bit PCI slots (4), floppy drive interface, IDE interfaces (2), Wide Ultra SCSI interface, Wide SCSI interface, parallel port, PS/2 mouse port, serial ports (2), IR connector, USB connectors (2), ATX power connector, AGP slot, RAID slot |
|
CONNECTIONS | |||
|
Purpose |
Location |
Purpose |
Location |
|
AGP slot |
AGP |
CPU fan power |
J2 |
|
ATX power connector |
ATX |
CPU fan power |
J4 |
|
Serial port 1 |
CN1 |
Speaker |
J5 |
|
Parallel port |
CN2 |
Reset switch |
J6 |
|
Serial port 2 |
CN3 |
Power LED |
J7 |
|
PS/2 mouse port |
CN4 |
IDE interface LED |
J8 |
|
USB connector 1 |
CN5A |
IR connector |
J9 |
|
USB connector 2 |
CN5B |
Green PC switch |
J10 |
|
Ultra SCSI interface |
CN6 |
Soft off power supply |
J11 |
|
Ultra Wide SCSI interface |
CN7 |
Green PC LED |
J12 |
|
Floppy drive interface |
CN8 |
Wake on LAN connector |
J13 |
|
IDE interface 1 |
CN9 |
32-bit PCI slots |
PC1 - PC4 |
|
IDE interface 2 |
CN10 |
RAID slot |
SL1 |
|
USER CONFIGURABLE SETTINGS | |||
|
Function |
Label |
Position | |
|
» |
System full on after power interruption |
JP5 |
Closed |
|
System soft off after power interruption |
JP5 |
Open | |
|
DIMM CONFIGURATION | ||||
|
Size |
Bank 0 |
Bank 1 |
Bank 2 |
Bank 3 |
|
8 MB |
(1) 1M x 64 |
None |
None |
None |
|
16 MB |
(1) 1M x 64 |
(1) 1M x 64 |
None |
None |
|
16 MB |
(1) 2M x 64 |
None |
None |
None |
|
24 MB |
(1) 1M x 64 |
(1) 1M x 64 |
(1) 1M x 64 |
None |
|
32 MB |
(1) 1M x 64 |
(1) 1M x 64 |
(1) 1M x 64 |
(1) 1M x 64 |
|
32 MB |
(1) 2M x 64 |
(1) 2M x 64 |
None |
None |
|
32 MB |
(1) 4M x 64 |
None |
None |
None |
|
40 MB |
(1) 2M x 64 |
(1) 2M x 64 |
(1) 1M x 64 |
None |
|
48 MB |
(1) 2M x 64 |
(1) 2M x 64 |
(1) 2M x 64 |
None |
|
64 MB |
(1) 2M x 64 |
(1) 2M x 64 |
(1) 2M x 64 |
(1) 2M x 64 |
|
64 MB |
(1) 4M x 64 |
(1) 4M x 64 |
None |
None |
|
64 MB |
(1) 8M x 64 |
None |
None |
None |
|
80 MB |
(1) 4M x 64 |
(1) 4M x 64 |
(1) 2M x 64 |
None |
|
96 MB |
(1) 4M x 64 |
(1) 4M x 64 |
(1) 4M x 64 |
None |
|
DIMM CONFIGURATION (CONT’) | ||||
|
Size |
Bank 0 |
Bank 1 |
Bank 2 |
Bank 3 |
|
128 MB |
(1) 4M x 64 |
(1) 4M x 64 |
(1) 4M x 64 |
(1) 4M x 64 |
|
128 MB |
(1) 8M x 64 |
(1) 8M x 64 |
None |
None |
|
128 MB |
(1) 16M x 64 |
None |
None |
None |
|
130 MB |
(1) 8M x 64 |
(1) 8M x 64 |
(1) 4M x 64 |
None |
|
192 MB |
(1) 8M x 64 |
(1) 8M x 64 |
(1) 8M x 64 |
None |
|
256 MB |
(1) 8M x 64 |
(1) 8M x 64 |
(1) 8M x 64 |
(1) 8M x 64 |
|
256 MB |
(1) 16M x 64 |
(1) 16M x 64 |
None |
None |
|
256 MB |
(1) 32M x 64 |
None |
None |
None |
|
320 MB |
(1) 16M x 64 |
(1) 16M x 64 |
(1) 8M x 64 |
None |
|
384 MB |
(1) 16M x 64 |
(1) 16M x 64 |
(1) 16M x 64 |
None |
|
512 MB |
(1) 16M x 64 |
(1) 16M x 64 |
(1) 16M x 64 |
(1) 16M x 64 |
|
512 MB |
(1) 32M x 64 |
(1) 32M x 64 |
None |
None |
|
640 MB |
(1) 32M x 64 |
(1) 32M x 64 |
(1) 16M x 64 |
None |
|
768 MB |
(1) 32M x 64 |
(1) 32M x 64 |
(1) 32M x 64 |
None |
|
1024 MB |
(1) 32M x 64 |
(1) 32M x 64 |
(1) 32M x 64 |
(1) 32M x 64 |
|
CACHE CONFIGURATION |
|
Note: The 256/512KB cache is located on the Pentium II CPU. |
|
CPU SPEED SELECTION | ||||||
|
CPU speed |
Clock speed |
Multiplier |
SW1/1 |
SW1/2 |
SW1/3 |
SW1/4 |
|
200MHz |
66MHz |
3x |
Off |
On |
Off |
Off |
|
233MHz |
66MHz |
3.5x |
On |
On |
Off |
Off |
|
266MHz |
66MHz |
4x |
Off |
Off |
On |
Off |
|
300MHz |
66MHz |
4.5x |
On |
Off |
On |
Off |
|
333MHz |
66MHz |
5x |
Off |
On |
On |
Off |
|
366MHz |
66MHz |
5.5x |
On |
On |
On |
Off |