EURONE
MS-7070S
| Device Type | Mainboard | 
| Processor | Pentium II/Celeron | 
| Processor Speed | 233/266/300/333/350/400/450 | 
| Chip Set | Intel 440BX | 
| Audio Chip Set | Yamaha | 
| Maximum Onboard Memory | 384MB (EDO & SDRAM supported) | 
| Cache | 0/128/256/512KB (located on the CPU) | 
| BIOS | Award | 
| Dimensions | 305mm x 205mm | 
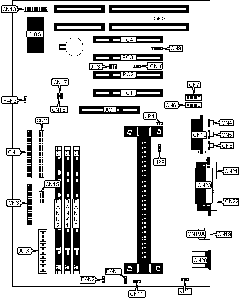
| I/O Options | 32-bit PCI slots (4), floppy drive interface, game/MIDI port, IDE interfaces (2), parallel port, PS/2 mouse port, serial ports (2), IR connector, USB connectors (2), ATX power connector, AGP slot, line in, line out, microphone in, audio in – CD-ROMs (2), SB link connector | 
 
| CONNECTIONS | |||
| Purpose | Location | Purpose | Location | 
| AGP slot | AGP | IDE interface LED | CN13/pins 11 & 12 | 
| ATX power connector | ATX | Power LED & keylock | CN13/pins 13 - 17 | 
| IDE interface 1 | CN1 | Speaker | CN13/pins 19 - 22 | 
| IDE interface 2 | CN2 | Soft off power supply | CN13/pins 23 & 24 | 
| Floppy drive interface | CN3 | Fan II connector | CN15 | 
| Line in | CN4 | Volume down connector | CN17 | 
| Line out | CN5 | Volume up connector | CN18 | 
| Audio in – CD-ROM (Sony) | CN6 | USB connector 1 | CN19A | 
| Audio in – CD-ROM | CN7 | USB connector 2 | CN19 | 
| Microphone in | CN8 | PS/2 mouse port | CN20 | 
| IR connector | CN9 | Serial port 2 | CN21 | 
| Wake on LAN connector | CN10 | Serial port 1 | CN22 | 
| Chassis intrusion connector | CN11 | Parallel port | CN23 | 
| Game/MIDI port | CN12 | CPU fan power | FAN1 | 
| Turbo switch | CN13/pins 1 & 2 | CPU fan power | FAN2 | 
| Green PC connector | CN13/pins 4 & 5 | Chassis fan power | FAN3 | 
| Green PC LED | CN13/pins 6 & 7 | SB link connector` | JP3 | 
| Reset switch | CN13/pins 9 & 10 | 32-bit PCI slots | PC1 - PC4 | 
| USER CONFIGURABLE SETTINGS | |||
| Function | Label | Position | |
| » | Power on by keyboard disabled | JP1 | Pins 1 & 2 closed | 
| Power on by keyboard enabled | JP1 | Pins 2 & 3 closed | |
| » | CMOS memory normal operation | JP4 | Pins 1 & 2 closed | 
| CMOS memory clear | JP4 | Pins 2 & 3 closed | |
| DIMM CONFIGURATION | |||
| Size | Bank 0 | Bank 1 | Bank 2 | 
| 8MB | (1) 1M x 64 | None | None | 
| 16MB | (1) 1M x 64 | (1) 1M x 64 | None | 
| 16MB | (1) 2M x 64 | None | None | 
| 24MB | (1) 1M x 64 | (1) 1M x 64 | (1) 1M x 64 | 
| 24MB | (1) 2M x 64 | (1) 1M x 64 | None | 
| 32MB | (1) 2M x 64 | (1) 2M x 64 | None | 
| 32MB | (1) 4M x 64 | None | None | 
| 40MB | (1) 2M x 64 | (1) 2M x 64 | (1) 1M x 64 | 
| 48MB | (1) 2M x 64 | (1) 2M x 64 | (1) 2M x 64 | 
| 48MB | (1) 4M x 64 | (1) 2M x 64 | None | 
| 64MB | (1) 4M x 64 | (1) 4M x 64 | None | 
| 64MB | (1) 8M x 64 | None | None | 
| 80MB | (1) 4M x 64 | (1) 4M x 64 | (1) 2M x 64 | 
| 96MB | (1) 4M x 64 | (1) 4M x 64 | (1) 4M x 64 | 
| 96MB | (1) 8M x 64 | (1) 4M x 64 | None | 
| 128MB | (1) 8M x 64 | (1) 8M x 64 | None | 
| 128MB | (1) 16M x 64 | None | None | 
| 160MB | (1) 8M x 64 | (1) 8M x 64 | (1) 4M x 64 | 
| 192MB | (1) 8M x 64 | (1) 8M x 64 | (1) 8M x 64 | 
| 192MB | (1) 16M x 64 | (1) 8M x 64 | None | 
| 256MB | (1) 16M x 64 | (1) 16M x 64 | None | 
| 320MB | (1) 16M x 64 | (1) 16M x 64 | (1) 8M x 64 | 
| 384MB | (1) 16M x 64 | (1) 16M x 64 | (1) 16M x 64 | 
| CACHE CONFIGURATION | 
| The 256/512KB cache is located on the Pentium II CPU. The 128KB cache is located on the Celeron 300A & 333 CPU. | 
| CPU FREQUENCY SELECTION | ||
| Frequency | JP9 | |
| » | Auto | Pins 2 & 3 closed | 
| 100MHz | Pins 1 & 2 closed | |