GEMLIGHT COMPUTER, LTD.
GMB-P6EIMG (VER. 1.02)
| Device Type | Mainboard | 
| Processor | Pentium II | 
| Processor Speed | 233/266/300/333MHz | 
| Chip Set | Intel 440EX | 
| Maximum Onboard Memory | 512MB (EDO & SDRAM supported) | 
| Cache | 256/512KB (located on the Pentium II chip) | 
| BIOS | Award | 
| Dimensions | 244mm x 210mm | 
| I/O Options | 32-bit PCI slots (2), floppy drive interface, game/MIDI port, IDE interfaces (2), parallel port, PS/2 mouse port, serial ports (2), IR connector, USB connectors (2), ATX power connector, AGP slot, line in, line out, microphone in, audio in – CD-ROMs (2) | 
 
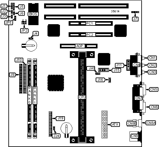
| CONNECTIONS | |||
| Purpose | Location | Purpose | Location | 
| AGP slot | AGP | Soft off power supply | J2 | 
| ATX power connector | ATX | Reset switch | J3 | 
| Microphone in | CN1 | Power LED & keylock | J5 | 
| Line in | CN2 | IDE interface LED | J6 | 
| Line out | CN3 | IR connector | J7 | 
| Game/MIDI port | CN4 | IDE interface 1 | J9 | 
| Serial port 1 | CN5 | IDE interface 2 | J10 | 
| Serial port 2 | CN6 | Audio in – CD-ROM (Sony) | J11 | 
| Parallel port | CN7 | Audio in – CD-ROM (Mits/Pan) | J15 | 
| USB connector 1 | CN8A | CPU fan power | J16 | 
| USB connector 2 | CN8B | Floppy drive interface | J19 | 
| PS/2 mouse port | CN9 | Wake on LAN | JP5 | 
| Chassis fan power | JA1 | 32-bit PCI slots | PC1 - PC2 | 
| Speaker | J1 | ||
| USER CONFIGURABLE SETTINGS | |||
| Function | Label | Position | |
| » | CMOS memory normal operation | J4 | Pins 2 & 3 closed | 
| CMOS memory clear | J4 | Pins 1 & 2 closed | |
| » | Power on after power failure enabled | J24 | Closed | 
| Power on after power failure disabled | J24 | Open | |
| DIMM CONFIGURATION | ||
| Size | Bank 0 | Bank 1 | 
| 8MB | 1M x 64 | None | 
| 16MB | 2M x 64 | None | 
| 16MB | 1M x 64 | 1M x 64 | 
| 24MB | 2M x 64 | 1M x 64 | 
| 32MB | 4M x 64 | None | 
| 32MB | 2M x 64 | 2M x 64 | 
| 40MB | 4M x 64 | 1M x 64 | 
| 48MB | 4M x 64 | 2M x 64 | 
| 64MB | 8M x 64 | None | 
| 64MB | 4M x 64 | 4M x 64 | 
| 72MB | 8M x 64 | 1M x 64 | 
| 80MB | 8M x 64 | 2M x 64 | 
| 96MB | 8M x 64 | 4M x 64 | 
| 128MB | 8M x 64 | 8M x 64 | 
| 128MB | 16M x 64 | None | 
| 136MB | 16M x 64 | 1M x 64 | 
| 144MB | 16M x 64 | 2M x 64 | 
| 160MB | 16M x 64 | 4M x 64 | 
| 192MB | 16M x 64 | 8M x 64 | 
| 256MB | 16M x 64 | 16M x 64 | 
| 256MB | 32M x 64 | None | 
| 264MB | 32M x 64 | 1M x 64 | 
| 272MB | 32M x 64 | 2M x 64 | 
| 288MB | 32M x 64 | 4M x 64 | 
| 320MB | 32M x 64 | 8M x 64 | 
| 384MB | 32M x 64 | 16M x 64 | 
| 512MB | 32M x 64 | 32M x 64 | 
| Note: Board accepts 256MB SDRAM or 512MB EDO memory. | ||
| CPU SPEED SELECTION | |||||
| CPU speed | Clock speed | Multiplier | JP2/pins 1 & 2 | JP2/pins 3 & 4 | JP2/pins 5 & 6 | 
| 233MHz | 66MHz | 3.5x | Open | Open | Closed | 
| 266MHz | 66MHz | 4x | Closed | Closed | Open | 
| 300MHz | 66MHz | 4.5x | Open | Closed | Open | 
| 333MHz | 66MHz | 5x | Closed | Open | Open |