FREE COMPUTER TECHNOLOGY, INC.
P6F91
| Device Type | Mainboard | 
| Processor | Pentium II | 
| Processor Speed | 233/266/300/333/350/400/450/500MHz | 
| Chip Set | Intel 440BX | 
| Video Chip Set | None | 
| Maximum Onboard Memory | 384MB (EDO & SDRAM supported) | 
| Maximum Video Memory | None | 
| Cache | 512KB (located on Pentium II CPU) | 
| BIOS | Award | 
| Dimensions | 305mm x 190mm | 
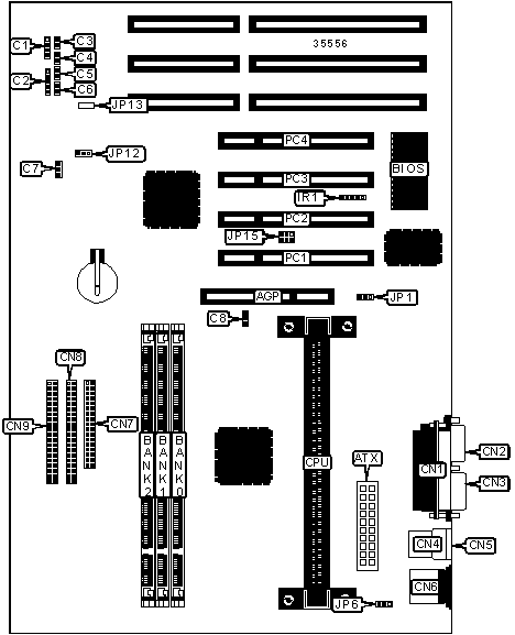
| I/O Options | 32-bit PCI slots (4), floppy drive interface, IDE interfaces (2), parallel port, PS/2 mouse port, serial ports (2), IR connector, USB connectors (2), ATX power connector, AGP slot, SB-link connector, wake on LAN connector | 
 
| CONNECTIONS | |||
| Purpose | Location | Purpose | Location | 
| AGP slot | AGP | Serial port 1 | CN3 | 
| ATX power connector | ATX | USB connector 1 | CN4 | 
| Speaker | C1 | USB connector 2 | CN5 | 
| Power LED & keylock | C2 | PS/2 mouse port | CN6 | 
| IDE interface LED | C3 | Floppy drive interface | CN7 | 
| Standby LED | C4 | IDE interface 1 | CN8 | 
| Reset switch | C5 | IDE interface 2 | CN9 | 
| Soft off power supply | C6 | IR connector | IR1 | 
| Chassis fan power | C7 | Wake on LAN connector | JP1 | 
| CPU fan power | C8 | SB-link connector | JP15 | 
| Parallel port | CN1 | 32-bit PCI slots | PC1 – PC4 | 
| Serial port 2 | CN2 | ||
| USER CONFIGURABLE SETTINGS | |||
| Function | Label | Position | |
| » | Keyboard & mouse voltage select +5vsb | JP6 | Pins 2 & 3 closed | 
| Keyboard & mouse voltage select +5v | JP6 | Pins 1 & 2 closed | |
| » | CMOS memory normal operation | JP12 | Pins 1 & 2 closed | 
| CMOS memory clear | JP12 | Pins 2 & 3 closed | |
| » | Auto power on disabled | JP13 | Pins 2 & 3 closed | 
| Auto power on enabled | JP13 | Pins 1 & 2 closed | |
| DIMM CONFIGURATION | |||
| Size | Bank 0 | Bank 1 | Bank 2 | 
| 8MB | (1) 1M x 64 | None | None | 
| 16MB | (1) 2M x 64 | None | None | 
| 16MB | (1) 1M x 64 | (1) 1M x 64 | None | 
| 24MB | (1) 2M x 64 | (1) 1M x 64 | None | 
| 24MB | (1) 1M x 64 | (1) 1M x 64 | (1) 1M x 64 | 
| 32MB | (1) 4M x 64 | None | None | 
| 32MB | (1) 2M x 64 | (1) 1M x 64 | (1) 1M x 64 | 
| 32MB | (1) 2M x 64 | (1) 2M x 64 | None | 
| 40MB | (1) 4M x 64 | (1) 1M x 64 | None | 
| 40MB | (1) 2M x 64 | (1) 2M x 64 | (1) 1M x 64 | 
| 48MB | (1) 4M x 64 | (1) 1M x 64 | (1) 1M x 64 | 
| DIMM CONFIGURATION (CON’T) | |||
| Size | Bank 0 | Bank 1 | Bank 2 | 
| 48MB | (1) 4M x 64 | (1) 2M x 64 | None | 
| 48MB | (1) 2M x 64 | (1) 2M x 64 | (1) 2M x 64 | 
| 56MB | (1) 4M x 64 | (1) 2M x 64 | (1) 1M x 64 | 
| 64MB | (1) 8M x 64 | None | None | 
| 64MB | (1) 4M x 64 | (1) 2M x 64 | (1) 2M x 64 | 
| 64MB | (1) 4M x 64 | (1) 4M x 64 | None | 
| 72MB | (1) 8M x 64 | (1) 1M x 64 | None | 
| 72MB | (1) 4M x 64 | (1) 4M x 64 | (1) 1M x 64 | 
| 80MB | (1) 8M x 64 | (1) 1M x 64 | (1) 1M x 64 | 
| 80MB | (1) 8M x 64 | (1) 2M x 64 | None | 
| 80MB | (1) 4M x 64 | (1) 4M x 64 | (1) 2M x 64 | 
| 88MB | (1) 8M x 64 | (1) 2M x 64 | (1) 1M x 64 | 
| 96MB | (1) 8M x 64 | (1) 2M x 64 | (1) 2M x 64 | 
| 96MB | (1) 8M x 64 | (1) 4M x 64 | None | 
| 96MB | (1) 4M x 64 | (1) 4M x 64 | (1) 4M x 64 | 
| 104MB | (1) 8M x 64 | (1) 4M x 64 | (1) 1M x 64 | 
| 112MB | (1) 8M x 64 | (1) 4M x 64 | (1) 2M x 64 | 
| 128MB | (1) 16M x 64 | None | None | 
| 128MB | (1) 8M x 64 | (1) 4M x 64 | (1) 4M x 64 | 
| 128MB | (1) 8M x 64 | (1) 8M x 64 | None | 
| 136MB | (1) 16M x 64 | (1) 1M x 64 | None | 
| 136MB | (1) 8M x 64 | (1) 8M x 64 | (1) 1M x 64 | 
| 144MB | (1) 16M x 64 | (1) 1M x 64 | (1) 1M x 64 | 
| 144MB | (1) 16M x 64 | (1) 2M x 64 | None | 
| 144MB | (1) 8M x 64 | (1) 8M x 64 | (1) 2M x 64 | 
| 152MB | (1) 16M x 64 | (1) 2M x 64 | (1) 1M x 64 | 
| 160MB | (1) 16M x 64 | (1) 2M x 64 | (1) 2M x 64 | 
| 160MB | (1) 16M x 64 | (1) 4M x 64 | None | 
| 160MB | (1) 8M x 64 | (1) 8M x 64 | (1) 4M x 64 | 
| 168MB | (1) 16M x 64 | (1) 4M x 64 | (1) 1M x 64 | 
| 176MB | (1) 16M x 64 | (1) 4M x 64 | (1) 2M x 64 | 
| 192MB | (1) 16M x 64 | (1) 4M x 64 | (1) 4M x 64 | 
| 192MB | (1) 16M x 64 | (1) 8M x 64 | None | 
| 192MB | (1) 8M x 64 | (1) 8M x 64 | (1) 8M x 64 | 
| DIMM CONFIGURATION (CON’T) | |||
| Size | Bank 0 | Bank 1 | Bank 2 | 
| 200MB | (1) 16M x 64 | (1) 8M x 64 | (1) 1M x 64 | 
| 208MB | (1) 16M x 64 | (1) 8M x 64 | (1) 2M x 64 | 
| 224MB | (1) 16M x 64 | (1) 8M x 64 | (1) 4M x 64 | 
| 256MB | (1) 16M x 64 | (1) 8M x 64 | (1) 8M x 64 | 
| 384MB | (1) 16M x 64 | (1) 16M x 64 | (1) 16M x 64 | 
| Note: Board accepts EDO & SDRAM memory. | |||
| CACHE CONFIGURATION | 
| Note: 512KB cache is located on the Pentium II CPU. |