GEMLIGHT COMPUTER, LTD.
GMB-P6LIDK (VER. 1.00)
| Device Type | Mainboard | 
| Processor | Pentium II | 
| Processor Speed | 233/266/300/333MHz | 
| Chip Set | Intel 440LX | 
| Maximum Onboard Memory | 1GB (EDO and SDRAM supported) | 
| Cache | Unidentified | 
| BIOS | Award/AMI | 
| Dimensions | 305mm x 244mm | 
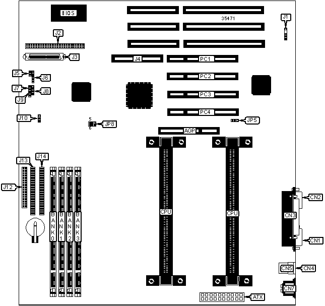
| I/O Options | 32-bit PCI slots (4), floppy drive interface, IDE interfaces (2), parallel port, PS/2 mouse port, serial ports (2), USB ports (2), SCSI connector, SCSI UltraWide connector, AGP slot, RAID slot | 
 
| CONNECTIONS | |||
| Purpose | Location | Purpose | Location | 
| ATX power connector | ATX | RAID SLOT | J4 | 
| AGP slot | AGP | IDE interface LED | J5 | 
| Serial port 1 | CN1 | Power LED & keylock | J6 | 
| Serial port 2 | CN2 | Power switch | J7 | 
| Parallel port | CN3 | Speaker | J8 | 
| USB connector 1 | CN4 | Reset switch | J9 | 
| USB connector 2 | CN5 | Floppy drive interface | J12 | 
| PS/2 mouse interface | CN7 | IDE interface 1 | J13 | 
| IR connector | J1 | IDE interface 2 | J14 | 
| SCSI connector | J2 | Wake on LAN connector | JP5 | 
| SCSI UltraWide connector | J3 | 32-bit PCI slots | PC1 - PC4 | 
| USER CONFIGURABLE SETTINGS | |||
| Function | Label | Position | |
| » | CMOS memory normal operation | J10 | Pins 2 & 3 closed | 
| CMOS memory clear | J10 | Pins 1 & 2 closed | |
| DRAM CONFIGURATION | ||||
| Size | Bank 0 | Bank 1 | Bank 2 | Bank 3 | 
| 8MB | (1) 1MB x 64 | None | None | None | 
| 16MB | (1) 1MB x 64 | (1) 1MB x 64 | None | None | 
| 16MB | (1) 2MB x 64 | None | None | None | 
| 24MB | (1) 1MB x 64 | (1) 1MB x 64 | (1) 1MB x 64 | None | 
| 24MB | (1) 2MB x 64 | (1) 1MB x 64 | None | None | 
| 32MB | (1) 1MB x 64 | (1) 1MB x 64 | (1) 1MB x 64 | (1) 1MB x 64 | 
| 32MB | (1) 2MB x 64 | (1) 2MB x 64 | None | None | 
| 32MB | (1) 4MB x 64 | None | None | None | 
| 32MB | (1) 2MB x 64 | (1) 1MB x 64 | (1) 1MB x 64 | None | 
| 40MB | (1) 2MB x 64 | (1) 2MB x 64 | (1) 1MB x 64 | None | 
| 48MB | (1) 2MB x 64 | (1) 2MB x 64 | (1) 2MB x 64 | None | 
| 48MB | (1) 2MB x 64 | (1) 2MB x 64 | (1) 1MB x 64 | (1) 1MB x 64 | 
| 56MB | (1) 4MB x 64 | (1) 2MB x 64 | (1) 1MB x 64 | None | 
| 64MB | (1) 2MB x 64 | (1) 2MB x 64 | (1) 2MB x 64 | (1) 2MB x 64 | 
| 64MB | (1) 4MB x 64 | (1) 4MB x 64 | None | None | 
| 64MB | (1) 8MB x 64 | None | None | None | 
| 64MB | (1) 4MB x 64 | (1) 2MB x 64 | (1) 1MB x 64 | (1) 1MB x 64 | 
| 88MB | (1) 4MB x 64 | (1) 4MB x 64 | (1) 2MB x 64 | (1) 1MB x 64 | 
| 96MB | (1) 4MB x 64 | (1) 4MB x 64 | (1) 4MB x 64 | None | 
| DRAM CONFIGURATION (CONT.) | ||||
| Size | Bank 0 | Bank 1 | Bank 2 | Bank 3 | 
| 120MB | (1) 8MB x 64 | (1) 4MB x 64 | (1) 2MB x 64 | (1) 1MB x 64 | 
| 128MB | (1) 4MB x 64 | (1) 4MB x 64 | (1) 4MB x 64 | (1) 4MB x 64 | 
| 128MB | (1) 8MB x 64 | (1) 8MB x 64 | None | None | 
| 128MB | (1) 16MB x 64 | None | None | None | 
| 136MB | (1) 8MB x 64 | (1) 4MB x 64 | (1) 4MB x 64 | (1) 1MB x 64 | 
| 192MB | (1) 8MB x 64 | (1) 8MB x 64 | (1) 8MB x 64 | None | 
| 240MB | (1) 16MB x 64 | (1) 8MB x 64 | (1) 4MB x 64 | (1) 2MB x 64 | 
| 256MB | (1) 8MB x 64 | (1) 8MB x 64 | (1) 8MB x 64 | (1) 8MB x 64 | 
| 256MB | (1) 16MB x 64 | (1) 16MB x 64 | None | None | 
| 256MB | (1) 32MB x 64 | None | None | None | 
| 384MB | (1) 16MB x 64 | (1) 16MB x 64 | (1) 16MB x 64 | None | 
| 480MB | (1) 32MB x 64 | (1) 16MB x 64 | (1) 8MB x 64 | (1) 4MB x 64 | 
| 512MB | (1) 16MB x 64 | (1) 16MB x 64 | (1) 16MB x 64 | (1) 16MB x 64 | 
| 512MB | (1) 32MB x 64 | (1) 32MB x 64 | None | None | 
| 768MB | (1) 32MB x 64 | (1) 32MB x 64 | (1) 32MB x 64 | None | 
| 1024MB | (1) 32MB x 64 | (1) 32MB x 64 | (1) 32MB x 64 | (1) 32MB x 64 | 
| Note: Board accepts EDO & SDRAM memory. Maximum EDO memory is 1GB. Maximum SDRAM is 512MB | ||||
| CPU SPEED SELECTION | |||||
| Speed | Clock speed | Multiplier | JP8/pins 1 & 2 | JP8/pins 3 & 4 | JP8/pins 5 & 6 | 
| 233MHz | 66MHz | 3.5x | Open | Open | Closed | 
| 266MHz | 66MHz | 4x | Closed | Closed | Open | 
| 300MHz | 66MHz | 4.5x | Open | Closed | Open | 
| 333MHz | 66MHz | 5x | Closed | Open | Open |