GEMLIGHT COMPUTER, LTD.
GMB-P6IAK (VER. 1.02)
| Device Type | Mainboard | 
| Processor | Pentium II | 
| Processor Speed | 233/266/300MHz | 
| Chip Set | Intel 440FX | 
| Maximum Onboard Memory | 512MB (EDO supported) | 
| Cache | 256/512KB (located on the Pentium II CPU) | 
| BIOS | AMI | 
| Dimensions | 305mm x 244mm | 
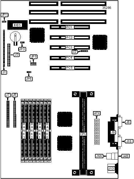
| I/O Options | 32-bit PCI slots (5), floppy drive interface, green PC connector, IDE interface (2), parallel port, PS/2 mouse port, serial ports (2), IR connector, USB connector (2), ATX power connector | 
 
| CONNECTIONS | |||
| Purpose | Location | Purpose | Location | 
| ATX power supply | ATX | USB connector 1 | J4A | 
| Speaker | J1/pins 1 - 4 | USB connector 2 | J4B | 
| Reset switch | J1/pins 6 & 7 | Serial port 2 | J6 | 
| Keylock | J1/pins 9 - 13 | IDE interface 1 | J7 | 
| IDE interface LED | J1/pins 15 - 18 | IDE interface 2 | J8 | 
| Green PC connector | J1/pins 20 & 21 | Parallel port | J9 | 
| ATX power switch | J1/pins 22 & 23 | PS/2 mouse port | J13 | 
| Turbo LED | J1/pins 25 & 26 | Serial port 1 | J15 | 
| IR connector | J2 | 32-bit PCI slots | PC1 - PC5 | 
| Floppy drive interface | J3 | ||
| USER CONFIGURABLE SETTINGS | |||
| Function | Label | Position | |
| Flash BIOS voltage select 12v | JP1 | Pins 1 & 2 closed | |
| Flash BIOS voltage select 5v | JP1 | Pins 2 & 3 closed | |
| » | CMOS memory normal operation | JP3 | Pins 2 & 3 closed | 
| CMOS memory clear | JP3 | Pins 1 & 2 closed | |
| DRAM CONFIGURATION | ||||
| Size | Bank 0 | Bank 1 | Bank 2 | Bank 3 | 
| 8MB | (2) 1M x 36 | None | None | None | 
| 16MB | (2) 2M x 36 | None | None | None | 
| 16MB | (2) 1M x 36 | (2) 1M x 36 | None | None | 
| 24MB | (2) 2M x 36 | (2) 1M x 36 | None | None | 
| 24MB | (2) 1M x 36 | (2) 1M x 36 | (2) 1M x 36 | None | 
| 32MB | (2) 4M x 36 | None | None | None | 
| 32MB | (2) 2M x 36 | (2) 2M x 36 | None | None | 
| 32MB | (2) 1M x 36 | (2) 1M x 36 | (2) 1M x 36 | (2) 1M x 36 | 
| 40MB | (2) 4M x 36 | (2) 1M x 36 | None | None | 
| 48MB | (2) 4M x 36 | (2) 2M x 36 | None | None | 
| 48MB | (2) 2M x 36 | (2) 2M x 36 | (2) 2M x 36 | None | 
| 64MB | (2) 2M x 36 | (2) 2M x 36 | (2) 2M x 36 | (2) 2M x 36 | 
| 64MB | (2) 8M x 36 | None | None | None | 
| 64MB | (2) 4M x 36 | (2) 4M x 36 | None | None | 
| DRAM CONFIGURATION (CON’T) | ||||
| Size | Bank 0 | Bank 1 | Bank 2 | Bank 3 | 
| 72MB | (2) 8M x 36 | (2) 1M x 36 | None | None | 
| 80MB | (2) 8M x 36 | (2) 2M x 36 | None | None | 
| 96MB | (2) 8M x 36 | (2) 4M x 36 | None | None | 
| 96MB | (2) 4M x 36 | (2) 4M x 36 | (2) 4M x 36 | None | 
| 128MB | (2) 16M x 36 | None | None | None | 
| 128MB | (2) 8M x 36 | (2) 8M x 36 | None | None | 
| 128MB | (2) 4M x 36 | (2) 4M x 36 | (2) 4M x 36 | (2) 4M x 36 | 
| 136MB | (2) 16M x 36 | (2) 1M x 36 | None | None | 
| 144MB | (2) 16M x 36 | (2) 2M x 36 | None | None | 
| 152MB | (2) 16M x 36 | (2) 1M x 36 | (2) 1M x 36 | (2) 1M x 36 | 
| 160MB | (2) 16M x 36 | (2) 4M x 36 | None | None | 
| 176MB | (2) 16M x 36 | (2) 2M x 36 | (2) 2M x 36 | (2) 2M x 36 | 
| 192MB | (2) 16M x 36 | (2) 8M x 36 | None | None | 
| 192MB | (2) 8M x 36 | (2) 8M x 36 | (2) 8M x 36 | None | 
| 224MB | (2) 16M x 36 | (2) 4M x 36 | (2) 4M x 36 | (2) 4M x 36 | 
| 256MB | (2) 32M x 36 | None | None | None | 
| 256MB | (2) 16M x 36 | (2) 16M x 36 | None | None | 
| 256MB | (2) 8M x 36 | (2) 8M x 36 | (2) 8M x 36 | (2) 8M x 36 | 
| 272MB | (2) 16M x 36 | (2) 16M x 36 | (2) 1M x 36 | (2) 1M x 36 | 
| 280MB | (2) 32M x 36 | (2) 1M x 36 | (2) 1M x 36 | (2) 1M x 36 | 
| 288MB | (2) 16M x 36 | (2) 16M x 36 | (2) 2M x 36 | (2) 2M x 36 | 
| 304MB | (2) 32M x 36 | (2) 2M x 36 | (2) 2M x 36 | (2) 2M x 36 | 
| 320MB | (2) 16M x 36 | (2) 16M x 36 | (2) 4M x 36 | (2) 4M x 36 | 
| 320MB | (2) 16M x 36 | (2) 8M x 36 | (2) 8M x 36 | (2) 8M x 36 | 
| 352MB | (2) 32M x 36 | (2) 4M x 36 | (2) 4M x 36 | (2) 4M x 36 | 
| 384MB | (2) 16M x 36 | (2) 16M x 36 | (2) 16M x 36 | None | 
| 448MB | (2) 32M x 36 | (2) 8M x 36 | (2) 8M x 36 | (2) 8M x 36 | 
| 512MB | (2) 16M x 36 | (2) 16M x 36 | (2) 16M x 36 | (2) 16M x 36 | 
| CPU SPEED SELECTION (PENTIUM) | ||||
| Speed | Clock speed | Multiplier | JP5 | JP6 | 
| 233MHz | 66MHz | 3.5x | 1 & 2, 3 & 4 | 1 & 2 | 
| 266MHz | 66MHz | 4x | 1 & 2, 5 & 6, 7 & 8 | 1 & 2 | 
| 300MHz | 66MHz | 4.5x | 1 & 2, 5 & 6 | 1 & 2 | 
| Note: Numbers designate pins that should be closed. | ||||