FLASH TECH, INC.
SL-66D
| Device Type | Mainboard | 
| Processor | Pentium II/Celeron | 
| Processor Speed | 233/266/300/333MHz | 
| Chip Set | Intel 440EX | 
| Maximum Onboard Memory | 256MB (EDO & SDRAM supported) | 
| Cache | 256/512KB (on the Pentium II CPU) | 
| BIOS | Award | 
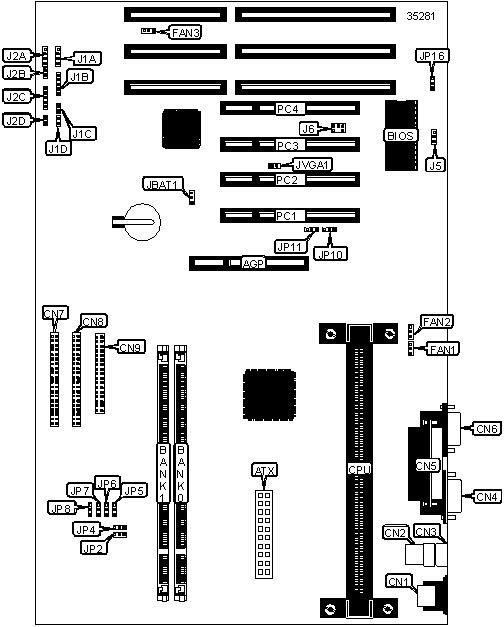
| I/O Options | 32-bit PCI slots (4), floppy drive interface, IDE interfaces (2), parallel port, PS/2 mouse port, serial ports (2), AGP slot, USB ports (2), IR connector, green PC connector, ATX power connector | 
| Dimensions | 305mm x 170mm | 
 
| CONNECTIONS | |||
| Purpose | Location | Purpose | Location | 
| AGP slot | AGP | Chassis fan | FAN3 | 
| ATX power connector | ATX | IDE interface LED | J1A | 
| PS/2 mouse port | CN1 | IR connector | J1B | 
| USB connector 2 | CN2 | Power switch | J1C | 
| USB connector 1 | CN3 | SMI switch | J1D | 
| Serial port 1 | CN4 | Speaker | J2A | 
| Parallel port | CN5 | Reset switch | J2B | 
| Serial port 2 | CN6 | Power LED & keylock | J2C | 
| IDE interface 1 | CN7 | Turbo LED | J2D | 
| IDE interface 2 | CN8 | Wake on LAN connector | J5 | 
| Floppy drive interface | CN9 | SB Link | J6 | 
| CPU fan | FAN1 | 32-bit PCI slots | PC1 - PC4 | 
| Power fan | FAN2 | ||
| USER CONFIGURABLE SETTINGS | |||
| Function | Label | Position | |
| » | CMOS memory normal operation | JBAT1 | Pins 1 & 2 closed | 
| CMOS memory clear | JBAT1 | Pins 2 & 3 closed | |
| » | Normal VGA card enabled | JVGA1 | Closed | 
| Special VGA card enabled | JVGA1 | Open | |
| » | Power lost recovery normal | JP16 | Pins 2 & 3 closed | 
| Power lost recovery enabled | JP16 | Pins 1 & 2 closed | |
| USB PORT SELECTION | |||
| Function | JP10 | JP11 | |
| » | Redirect USB1 to AGP port | Pins 1 & 2 closed | Pins 1 & 2 closed | 
| Redirect all USB ports to USB connector | Pins 2 & 3 closed | Pins 2 & 3 closed | |
| DRAM CONFIGURATION | ||
| Size | Bank 0 | Bank 1 | 
| 8MB | (1) 1MB x 64 | None | 
| 16MB | (1) 1MB x 64 | (1) 1MB x 64 | 
| 16MB | (1) 2MB x 64 | None | 
| 24MB | (1) 2MB x 64 | (1) 1MB x 64 | 
| 32MB | (1) 2MB x 64 | (1) 2MB x 64 | 
| 32MB | (1) 4MB x 64 | None | 
| 40MB | (1) 4MB x 64 | (1) 1MB x 64 | 
| 48MB | (1) 4MB x 64 | (1) 2MB x 64 | 
| 64MB | (1) 4MB x 64 | (1) 4MB x 64 | 
| 64MB | (1) 8MB x 64 | None | 
| 72MB | (1) 8MB x 64 | (1) 1MB x 64 | 
| 80MB | (1) 8MB x 64 | (1) 2MB x 64 | 
| 96MB | (1) 8MB x 64 | (1) 4MB x 64 | 
| 128MB | (1) 8MB x 64 | (1) 8MB x 64 | 
| 136MB | (1) 16MB x 64 | None | 
| 144MB | (1) 16MB x 64 | (1) 1MB x 64 | 
| 160MB | (1) 16MB x 64 | (1) 2MB x 64 | 
| 192MB | (1) 16MB x 64 | (1) 4MB x 64 | 
| 224MB | (1) 16MB x 64 | (1) 8MB x 64 | 
| 256MB | (1) 16MB x 64 | (1) 16MB x 64 | 
| Note: Board accepts both EDO and SDRAM. | ||
| CACHE CONFIGURATION | 
| Note: 256/512KB cache is located on the Pentium II CPU. | 
| CPU SPEED SELECTION | ||||||||
| CPU Speed | Clock speed | Multiplier | JP2 | JP4 | JP5 | JP6 | JP7 | JP8 | 
| 233MHz | 66MHz | 3.5x | 1 & 2 | 1 & 2 | 2 & 3 | Open | Open | 2 & 3 | 
| 266MHz | 66MHz | 4x | 1 & 2 | 1 & 2 | Open | 2 & 3 | 2 & 3 | 2 & 3 | 
| 300MHz | 66MHz | 4.5x | 1 & 2 | 1 & 2 | Open | 2 & 3 | Open | 2 & 3 | 
| 333MHz | 66MHz | 5x | 1 & 2 | 1 & 2 | Open | Open | 2 & 3 | 2 & 3 | 
| Note: Numbers designate pins that should be closed. | ||||||||