FLASH TECH, INC.
SL-66A-C (VER. 1.0)
| Device Type | Mainboard | 
| Processor | Pentium II | 
| Processor Speed | 233/266/300/333MHz | 
| Chip Set | Intel 440LX | 
| Maximum Onboard Memory | 1GB (EDO & SDRAM supported) | 
| Cache | 256/512KB (located on the Pentium II CPU) | 
| BIOS | Award | 
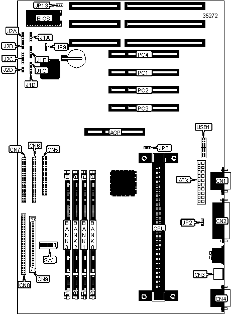
| I/O Options | 32-bit PCI slots (4), floppy drive interface, IDE interface (2), SCSI connector, parallel port, PS/2 mouse port, serial ports (2), USB connector (2), IR connector, AGP slot, green PC connector, ATX power connector, SCSI connector, Wide Ultra SCSI connector | 
| Dimensions | 330mm x 220mm | 
 
| CONNECTIONS | |||
| Purpose | Location | Purpose | Location | 
| AGP slot | AGP | IDE interface LED | J1A | 
| ATX power connector | ATX | IR connector | J1B | 
| Serial port 1 | CN1 | Power switch | J1C | 
| Parallel port | CN2 | Green PC connector | J1D | 
| PS/2 mouse port | CN3 | Speaker | J2A | 
| Serial port 2 | CN4 | Reset switch | J2B | 
| Floppy drive interface | CN5 | Power LED & keylock | J2C | 
| IDE interface 2 | CN6 | Turbo LED | J2D | 
| IDE interface 1 | CN7 | 32-bit PCI slots | PC1 - PC4 | 
| SCSI connector | CN8 | USB connector | USB1 | 
| Wide Ultra SCSI connector | CN9 | ||
| USER CONFIGURABLE SETTINGS | |||
| Function | Label | Position | |
| » | Factory configured - do not alter | JP1 | Closed | 
| » | Factory configured - do not alter | JP2 | Unidentified | 
| » | CMOS memory normal operation | JP9 | Pins 1 & 2 closed | 
| CMOS memory clear | JP9 | Pins 2 & 3 closed | |
| » | Factory configured - do not alter | JP13 | Unidentified | 
| DRAM CONFIGURATION | ||||
| Size | Bank 0 | Bank 1 | Bank 2 | Bank 3 | 
| 8MB | (1) 1MB x 64 | None | None | None | 
| 16MB | (1) 1MB x 64 | (1) 1MB x 64 | None | None | 
| 16MB | (1) 2MB x 64 | None | None | None | 
| 24MB | (1) 1MB x 64 | (1) 1MB x 64 | (1) 1MB x 64 | None | 
| 24MB | (1) 2MB x 64 | (1) 1MB x 64 | None | None | 
| 32MB | (1) 1MB x 64 | (1) 1MB x 64 | (1) 1MB x 64 | (1) 1MB x 64 | 
| 32MB | (1) 2MB x 64 | (1) 2MBx 64 | None | None | 
| 32MB | (1) 4MB x 64 | None | None | None | 
| 40MB | (1) 4MB x 64 | (1) 1MB x 64 | None | None | 
| 48MB | (1) 4MB x 64 | (1) 1MB x 64 | (1) 1MB x 64 | None | 
| 48MB | (1) 4MB x 64 | (1) 2MB x 64 | None | None | 
| 56MB | (1) 4MB x 64 | (1) 2MB x 64 | (1) 1MB x 64 | None | 
| 64MB | (1) 4MB x 64 | (1) 2MB x 64 | (1) 1MB x 64 | (1) 1MB x 64 | 
| 64MB | (1) 4MB x 64 | (1) 2MB x 64 | (1) 2MB x 64 | None | 
| 64MB | (1) 4MB x 64 | (1) 4MB x 64 | None | None | 
| 64MB | (1) 8MB x 64 | None | None | None | 
| 72MB | (1) 4MB x 64 | (1) 2MB x 64 | (1) 2MB x 64 | (1) 1MB x 64 | 
| 72MB | (1) 8MB x 64 | (1) 1MB x 64 | None | None | 
| 72MB | (1) 4MB x 64 | (1) 4MB x 64 | (1) 1MB x 64 | None | 
| 80MB | (1) 4MB x 64 | (1) 2MB x 64 | (1) 2MB x 64 | (1) 2MB x 64 | 
| 80MB | (1) 4MB x 64 | (1) 4MB x 64 | (1) 2MB x 64 | None | 
| 80MB | (1) 8MB x 64 | (1) 2MB x 64 | None | None | 
| 96MB | (1) 4MB x 64 | (1) 4MB x 64 | (1) 4MB x 64 | None | 
| 96MB | (1) 8MB x 64 | (1) 4MB x 64 | None | None | 
| DRAM CONFIGURATION (CONT.) | ||||
| Size | Bank 0 | Bank 1 | Bank 2 | Bank 3 | 
| 128MB | (1) 4MB x 64 | (1) 4MB x 64 | (1) 4MB x 64 | (1) 4MB x 64 | 
| 128MB | (1) 8MB x 64 | (1) 8MB x 64 | None | None | 
| 128MB | (1) 16MB x 64 | None | None | None | 
| 136MB | (1) 8MB x 64 | (1) 8MB x 64 | (1) 1MB x 64 | None | 
| 144MB | (1) 8MB x 64 | (1) 8MB x 64 | (1) 2MB x 64 | None | 
| 144MB | (1) 16MB x 64 | (1) 2MB x 64 | None | None | 
| 160MB | (1) 16MB x 64 | (1) 4MB x 64 | None | None | 
| 192MB | (1) 8MB x 64 | (1) 8MB x 64 | (1) 8MB x 64 | None | 
| 192MB | (1) 16MB x 64 | (1) 8MB x 64 | None | None | 
| 224MB | (1) 8MB x 64 | (1) 8MB x 64 | (1) 8MB x 64 | (1) 4MB x 64 | 
| 256MB | (1) 8MB x 64 | (1) 8MB x 64 | (1) 8MB x 64 | (1) 8MB x 64 | 
| 256MB | (1) 16MB x 64 | (1) 16MBx 64 | None | None | 
| 256MB | (1) 32MB x 64 | None | None | None | 
| 272MB | (1) 16MB x 64 | (1) 16M x 64 | (1) 2MB x 64 | None | 
| 288MB | (1) 16MB x 64 | (1) 16MB x 64 | (1) 4MB x 64 | None | 
| 288MB | (1) 32MB x 64 | (1) 4MB x 64 | None | None | 
| 320MB | (1) 16MB x 64 | (1) 16MB x 64 | (1) 8MB x 64 | None | 
| 320MB | (1) 32MB x 64 | (1) 8MB x 64 | None | None | 
| 384MB | (1) 16MB x 64 | (1) 16MB x 64 | (1) 16MB x 64 | None | 
| 384MB | (1) 32MB x 64 | (1) 16MB x 64 | None | None | 
| 416MB | (1) 16MB x 64 | (1) 16MB x 64 | (1) 16MB x 64 | (1) 4MB x 64 | 
| 448MB | (1) 16MB x 64 | (1) 16MB x 64 | (1) 16MB x 64 | (1) 8MB x 64 | 
| 512MB | (1) 16MB x 64 | (1) 16MB x 64 | (1) 16MB x 64 | (1) 16MB x 64 | 
| 512MB | (1) 32MB x 64 | (1) 32MB x 64 | None | None | 
| 544MB | (1) 32MB x 64 | (1) 32MB x 64 | (1) 4MB x 64 | None | 
| 576MB | (1) 32MB x 64 | (1) 32MB x 64 | (1) 8MB x 64 | None | 
| 640MB | (1) 32MB x 64 | (1) 32MB x 64 | (1) 16MB x 64 | None | 
| 768MB | (1) 32MB x 64 | (1) 32MB x 64 | (1) 32MB x 64 | None | 
| 832MB | (1) 32MB x 64 | (1) 32MB x 64 | (1) 32MB x 64 | (1) 8MB x 64 | 
| 896MB | (1) 32MB x 64 | (1) 32MB x 64 | (1) 32MB x 64 | (1) 16MB x 64 | 
| 1024MB | (1) 32MB x 64 | (1) 32MB x 64 | (1) 32MB x 64 | (1) 32MB x 64 | 
| CPU SPEED SELECTION | ||||||||
| CPU Speed | Clock Speed | Multiplier | SW1/1 | SW1/2 | SW1/3 | SW1/4 | SW1/5 | SW1/6 | 
| 233MHz | 66MHz | 3.5x | On | Off | Off | On | Off | Off | 
| 266MHz | 66MHz | 4x | Off | On | On | On | Off | Off | 
| 300MHz | 66MHz | 4.5x | Off | On | Off | On | Off | Off | 
| 333MHz | 66MHz | 5x | Off | Off | On | On | Off | Off |