EPOX COMPUTER CO., LTD.
KP6-LS (SMP)
| Device Type | Mainboard | 
| Processor | Pentium II | 
| Processor Speed | 200/233/266/300/333MHz | 
| Chip Set | Intel | 
| Video Chip Set | None | 
| Maximum Onboard Memory | 1GB (EDO & SDRAM supported) | 
| Maximum Video Memory | None | 
| Cache | 256/512KB (located on Pentium II CPU) | 
| BIOS | Award | 
| Dimensions | 305mm x 244mm | 
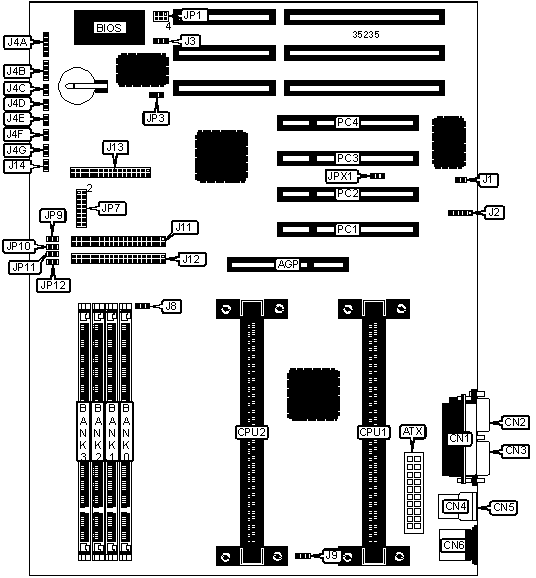
| I/O Options | 32-bit PCI slots (4), floppy drive interface, green PC connector, IDE interfaces (2), parallel port, PS/2 mouse port, serial ports (2), IR connector, USB connectors (2), ATX power connector, AGP slot | 
| NPU Options | None | 
 
| CONNECTIONS | |||
| Purpose | Location | Purpose | Location | 
| AGP slot | AGP | Reset switch | J4C | 
| ATX power connector | ATX | Turbo LED | J4D | 
| Parallel port | CN1 | Green PC connector | J4E | 
| Serial port 2 | CN2 | Green PC LED | J4F | 
| Serial port 1 | CN3 | IDE interface LED | J4G | 
| USB connector 2 | CN4 | CPU 2 fan power | J8 | 
| USB connector 1 | CN5 | CPU 1 fan power | J9 | 
| PS/2 mouse port | CN6 | IDE interface 1 | J11 | 
| Chassis intrusion connector | J1 | IDE interface 2 | J12 | 
| IR connector | J2 | Floppy drive interface | J13 | 
| Chassis fan power | J3 | Soft off power supply | J14 | 
| Power LED & keylock | J4A | Wake on LAN connector | JPX1 | 
| Speaker | J4B | 32-bit PCI slots | PC1 – PC4 | 
| USER CONFIGURABLE SETTINGS | |||
| Function | Label | Position | |
| » | Flash BIOS voltage select 5v | JP1 | Pins 1 & 2, 4 & 5 closed | 
| Flash BIOS voltage select 12v | JP1 | Pins 2 & 3, 5 & 6 closed | |
| » | CMOS memory normal operation | JP3 | Pins 1 & 2 closed | 
| CMOS memory clear | JP3 | Pins 2 & 3 closed | |
| » | Factory configured - do not alter | JP9 | Unidentified | 
| » | Factory configured - do not alter | JP10 | Unidentified | 
| » | Factory configured - do not alter | JP11 | Unidentified | 
| » | Factory configured - do not alter | JP12 | Unidentified | 
| DIMM CONFIGURATION | ||||
| Size | Bank 0 | Bank 1 | Bank 2 | Bank 3 | 
| 8MB | (1) 1M x 64 | None | None | None | 
| 16MB | (1) 2M x 64 | None | None | None | 
| 16MB | (1) 1M x 64 | (1) 1M x 64 | None | None | 
| 24MB | (1) 2M x 64 | (1) 1M x 64 | None | None | 
| 24MB | (1) 1M x 64 | (1) 1M x 64 | (1) 1M x 64 | None | 
| 32MB | (1) 4M x 64 | None | None | None | 
| 32MB | (1) 2M x 64 | (1) 2M x 64 | None | None | 
| 32MB | (1) 1M x 64 | (1) 1M x 64 | (1) 1M x 64 | (1) 1M x 64 | 
| 40MB | (1) 4M x 64 | (1) 1M x 64 | None | None | 
| DIMM CONFIGURATION (CON’T) | ||||
| Size | Bank 0 | Bank 1 | Bank 2 | Bank 3 | 
| 48MB | (1) 4M x 64 | (1) 2M x 64 | None | None | 
| 48MB | (1) 2M x 64 | (1) 2M x 64 | (1) 2M x 64 | None | 
| 64MB | (1) 2M x 64 | (1) 2M x 64 | (1) 2M x 64 | (1) 2M x 64 | 
| 64MB | (1) 8M x 64 | None | None | None | 
| 64MB | (1) 4M x 64 | (1) 4M x 64 | None | None | 
| 72MB | (1) 8M x 64 | (1) 1M x 64 | None | None | 
| 80MB | (1) 8M x 64 | (1) 2M x 64 | None | None | 
| 96MB | (1) 8M x 64 | (1) 4M x 64 | None | None | 
| 96MB | (1) 4M x 64 | (1) 4M x 64 | (1) 4M x 64 | None | 
| 128MB | (1) 16M x 64 | None | None | None | 
| 128MB | (1) 8M x 64 | (1) 8M x 64 | None | None | 
| 128MB | (1) 4M x 64 | (1) 4M x 64 | (1) 4M x 64 | (1) 4M x 64 | 
| 136MB | (1) 16M x 64 | (1) 1M x 64 | None | None | 
| 144MB | (1) 16M x 64 | (1) 2M x 64 | None | None | 
| 152MB | (1) 16M x 64 | (1) 1M x 64 | (1) 1M x 64 | (1) 1M x 64 | 
| 160MB | (1) 16M x 64 | (1) 4M x 64 | None | None | 
| 176MB | (1) 16M x 64 | (1) 2M x 64 | (1) 2M x 64 | (1) 2M x 64 | 
| 192MB | (1) 16M x 64 | (1) 8M x 64 | None | None | 
| 192MB | (1) 8M x 64 | (1) 8M x 64 | (1) 8M x 64 | None | 
| 224MB | (1) 16M x 64 | (1) 4M x 64 | (1) 4M x 64 | (1) 4M x 64 | 
| 256MB | (1) 32M x 64 | None | None | None | 
| 256MB | (1) 16M x 64 | (1) 16M x 64 | None | None | 
| 256MB | (1) 8M x 64 | (1) 8M x 64 | (1) 8M x 64 | (1) 8M x 64 | 
| 272MB | (1) 16M x 64 | (1) 16M x 64 | (1) 1M x 64 | (1) 1M x 64 | 
| 280MB | (1) 32M x 64 | (1) 1M x 64 | (1) 1M x 64 | (1) 1M x 64 | 
| 288MB | (1) 16M x 64 | (1) 16M x 64 | (1) 2M x 64 | (1) 2M x 64 | 
| 304MB | (1) 32M x 64 | (1) 2M x 64 | (1) 2M x 64 | (1) 2M x 64 | 
| 320MB | (1) 16M x 64 | (1) 16M x 64 | (1) 4M x 64 | (1) 4M x 64 | 
| 320MB | (1) 16M x 64 | (1) 8M x 64 | (1) 8M x 64 | (1) 8M x 64 | 
| 352MB | (1) 32M x 64 | (1) 4M x 64 | (1) 4M x 64 | (1) 4M x 64 | 
| 384MB | (1) 16M x 64 | (1) 16M x 64 | (1) 16M x 64 | None | 
| 448MB | (1) 32M x 64 | (1) 8M x 64 | (1) 8M x 64 | (1) 8M x 64 | 
| 512MB | (1) 32M x 64 | (1) 32M x 64 | None | None | 
| 512MB | (1) 16M x 64 | (1) 16M x 64 | (1) 16M x 64 | (1) 16M x 64 | 
| 640MB | (1) 32M x 64 | (1) 16M x 64 | (1) 16M x 64 | (1) 16M x 64 | 
| 768MB | (1) 32M x 64 | (1) 32M x 64 | (1) 32M x 64 | None | 
| 1024MB | (1) 32M x 64 | (1) 32M x 64 | (1) 32M x 64 | (1) 32M x 64 | 
| Note: Board accepts EDO & SDRAM memory. | ||||
| CACHE CONFIGURATION | 
| Note: 256KB/512KB cache is located on the Pentium II CPU. | 
| CPU SPEED SELECTION | |||
| CPU speed | Clock speed | Multiplier | JP7 | 
| 200MHz | 66MHz | 3x | Pins 1 & 2 closed | 
| 233MHz | 66MHz | 3.5x | Pins 3 & 4 closed | 
| 266MHz | 66MHz | 4x | Pins 5 & 6 closed | 
| 300MHz | 66MHz | 4.5x | Pins 7 & 8 closed | 
| 333MHz | 66MHz | 5x | Pins 9 & 10 closed |