FIRST INTERNATIONAL COMPUTER, INC.
VL-603
| Device Type | Mainboard | 
| Processor | Pentium II | 
| Processor Speed | 233/266/300/333MHz | 
| Chip Set | Intel | 
| Video Chip Set | None | 
| Maximum Onboard Memory | 256MB (EDO & SDRAM supported) | 
| Maximum Video Memory | None | 
| Cache | 256/512KB (located on Pentium II CPU) | 
| BIOS | Unidentified | 
| Dimensions | 254mm x 218mm | 
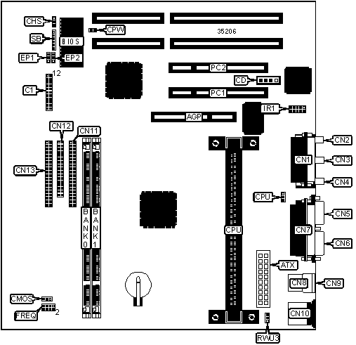
| I/O Options | 32-bit PCI slots (2), floppy drive interface, game/MIDI port, green PC connector, IDE interfaces (2), parallel port, PS/2 mouse port, serial ports (2), IR connector, USB connectors (2), ATX power connector, AGP slot, line in, line out, microphone in, audio in – CD-ROM | 
| NPU Options | None | 
 
| CONNECTIONS | |||
| Purpose | Location | Purpose | Location | 
| AGP slot | AGP | Line out | CN4 | 
| ATX power connector | ATX | Serial port 2 | CN5 | 
| Power LED & keylock | C1/pins 1 - 5 | Serial port 1 | CN6 | 
| Turbo LED | C1/pins 6 & 7 | Parallel port | CN7 | 
| Green PC connector | C1/pins 8 & 9 | USB connector 2 | CN8 | 
| Green PC LED | C1/pins 10 & 11 | USB connector 1 | CN9 | 
| Speaker | C1/pins 12 - 15 | PS/2 mouse port | CN10 | 
| IDE interface LED | C1/pins 16 & 17 | IDE interface 2 | CN11 | 
| Soft off power supply | C1/pins 18 & 19 | Floppy drive interface | CN12 | 
| Reset switch | C1/pins 20 & 21 | IDE interface 1 | CN13 | 
| Audio in – CD-ROM | CD | CPU fan power | CPU | 
| Chassis fan power | CHS | IR connector | IR1 | 
| Game/MIDI port | CN1 | 32-bit PCI slots | PC1 – PC2 | 
| Microphone in | CN2 | Remote wake up connector | RWU3 | 
| Line in | CN3 | SB link connector | SB | 
| USER CONFIGURABLE SETTINGS | |||
| Function | Label | Position | |
| » | CMOS memory normal operation | CMOS | Pins 2 & 3 closed | 
| CMOS memory clear | CMOS | Pins 1 & 2 closed | |
| » | Password normal operation | CPW | Open | 
| Password clear | CPW | Closed | |
| DIMM CONFIGURATION | ||
| Size | Bank 0 | Bank 1 | 
| 8MB | (1) 1M x 64 | None | 
| 16MB | (1) 2M x 64 | None | 
| 16MB | (1) 1M x 64 | (1) 1M x 64 | 
| 24MB | (1) 2M x 64 | (1) 1M x 64 | 
| 32MB | (1) 4M x 64 | None | 
| 32MB | (1) 2M x 64 | (1) 2M x 64 | 
| 40MB | (1) 4M x 64 | (1) 1M x 64 | 
| 48MB | (1) 4M x 64 | (1) 2M x 64 | 
| 64MB | (1) 8M x 64 | None | 
| 64MB | (1) 4M x 64 | (1) 4M x 64 | 
| 72MB | (1) 8M x 64 | (1) 1M x 64 | 
| 80MB | (1) 8M x 64 | (1) 2M x 64 | 
| DIMM CONFIGURATION (CON’T) | ||
| Size | Bank 0 | Bank 1 | 
| 96MB | (1) 8M x 64 | (1) 4M x 64 | 
| 128MB | (1) 16M x 64 | None | 
| 128MB | (1) 8M x 64 | (1) 8M x 64 | 
| 136MB | (1) 16M x 64 | (1) 1M x 64 | 
| 144MB | (1) 16M x 64 | (1) 2M x 64 | 
| 160MB | (1) 16M x 64 | (1) 4M x 64 | 
| 192MB | (1) 16M x 64 | (1) 8M x 64 | 
| 256MB | (1) 16M x 64 | (1) 16M x 64 | 
| Note: Board accepts EDO & SDRAM memory. | ||
| CACHE CONFIGURATION | 
| Note: 256KB/512KB cache is located on the Pentium II CPU. | 
| CPU SPEED SELECTION | |||
| CPU speed | Clock speed | Multiplier | FREQ | 
| 233MHz | 66MHz | 3.5x | 5 & 6, 7 & 8 | 
| 266MHz | 66MHz | 4x | 1 & 2, 3 & 4, 7 & 8 | 
| 300MHz | 66MHz | 4.5x | 3 & 4, 7 & 8 | 
| 333MHz | 66MHz | 5x | 1 & 2, 7 & 8 | 
| Note: Pins designated should be in the closed position. | |||
| FLASH BIOS SELECTION | ||
| Type | EP1 | EP2 | 
| Intel 28F001 | Pins 2 & 3 closed | Pins 1 & 2 closed | 
| MXIC 28F1000 | Pins 2 & 3 closed | Pins 1 & 2 closed | 
| SST 29EE010 | Pins 1 & 2 closed | Pins 1 & 2 closed | 
| ATMEL AT29C010 | Pins 1 & 2 closed | Pins 1 & 2 closed | 
| MXIC 28F2000 | Pins 2 & 3 closed | Pins 2 & 3 closed | 
| SST 29EE020 | Pins 1 & 2 closed | Pins 2 & 3 closed | 
| ATMEL AT29C020 | Pins 1 & 2 closed | Pins 2 & 3 closed | 
| AMD 28F020 | Pins 1 & 2 closed | Pins 2 & 3 closed |