GIGA-BYTE TECHNOLOGY CO., LTD.
GA-686LX
| Device Type | Mainboard | 
| Processor | Pentium II | 
| Processor Speed | 200/233/266/300/333/366MHz | 
| Chip Set | Intel | 
| Video Chip Set | None | 
| Maximum Onboard Memory | 1GB (EDO & SDRAM supported) | 
| Maximum Video Memory | None | 
| Cache | 256/512KB (located on Pentium II CPU) | 
| BIOS | Award | 
| Dimensions | 305mm x 244mm | 
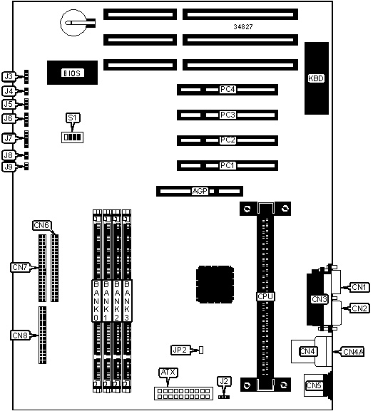
| I/O Options | 32-bit PCI slots (4), floppy drive interface, green PC connector, IDE interfaces (2), parallel port, PS/2 mouse port, serial ports (2), IR connector, USB connectors (2), ATX power connector, AGP slot | 
| NPU Options | None | 
 
| CONNECTIONS | |||
| Purpose | Location | Purpose | Location | 
| AGP slot | AGP | CPU fan power | J2 | 
| ATX power connector | ATX | Speaker | J3 | 
| Serial port 1 | CN1 | Reset switch | J4 | 
| Serial port 2 | CN2 | Power LED | J5 | 
| Parallel port | CN3 | IDE interface LED | J6 | 
| USB connector 1 | CN4 | IR connector | J7 | 
| USB connector 2 | CN4A | Green PC connector | J8 | 
| PS/2 mouse port | CN5 | Soft off power supply | J9 | 
| IDE interface 2 | CN6 | Green PC LED | J10 | 
| IDE interface 1 | CN7 | 32-bit PCI slots | PC1 – PC4 | 
| Floppy drive interface | CN8 | ||
| Note: The location of J10 is unidentified. | |||
| USER CONFIGURABLE SETTINGS | |||
| Function | Label | Position | |
| » | Factory configured - do not alter | JP2 | Unidentified | 
| DIMM CONFIGURATION 1GB | ||||
| Size | Bank 0 | Bank 1 | Bank 2 | Bank 3 | 
| 8MB | (1) 1M x 64 | None | None | None | 
| 16MB | (1) 2M x 64 | None | None | None | 
| 16MB | (1) 1M x 64 | (1) 1M x 64 | None | None | 
| 24MB | (1) 2M x 64 | (1) 1M x 64 | None | None | 
| 24MB | (1) 1M x 64 | (1) 1M x 64 | (1) 1M x 64 | None | 
| 32MB | (1) 4M x 64 | None | None | None | 
| 32MB | (1) 2M x 64 | (1) 2M x 64 | None | None | 
| 32MB | (1) 1M x 64 | (1) 1M x 64 | (1) 1M x 64 | (1) 1M x 64 | 
| 40MB | (1) 4M x 64 | (1) 1M x 64 | None | None | 
| 48MB | (1) 4M x 64 | (1) 2M x 64 | None | None | 
| 48MB | (1) 2M x 64 | (1) 2M x 64 | (1) 2M x 64 | None | 
| 64MB | (1) 2M x 64 | (1) 2M x 64 | (1) 2M x 64 | (1) 2M x 64 | 
| 64MB | (1) 8M x 64 | None | None | None | 
| 64MB | (1) 4M x 64 | (1) 4M x 64 | None | None | 
| 72MB | (1) 8M x 64 | (1) 1M x 64 | None | None | 
| 80MB | (1) 8M x 64 | (1) 2M x 64 | None | None | 
| 96MB | (1) 4M x 64 | (1) 4M x 64 | (1) 4M x 64 | None | 
| DIMM CONFIGURATION (CON’T) | ||||
| Size | Bank 0 | Bank 1 | Bank 2 | Bank 3 | 
| 96MB | (1) 8M x 64 | (1) 4M x 64 | None | None | 
| 128MB | (1) 16M x 64 | None | None | None | 
| 128MB | (1) 8M x 64 | (1) 8M x 64 | None | None | 
| 128MB | (1) 4M x 64 | (1) 4M x 64 | (1) 4M x 64 | (1) 4M x 64 | 
| 136MB | (1) 16M x 64 | (1) 1M x 64 | None | None | 
| 144MB | (1) 16M x 64 | (1) 2M x 64 | None | None | 
| 152MB | (1) 16M x 64 | (1) 1M x 64 | (1) 1M x 64 | (1) 1M x 64 | 
| 160MB | (1) 16M x 64 | (1) 4M x 64 | None | None | 
| 176MB | (1) 16M x 64 | (1) 2M x 64 | (1) 2M x 64 | (1) 2M x 64 | 
| 192MB | (1) 16M x 64 | (1) 8M x 64 | None | None | 
| 192MB | (1) 8M x 64 | (1) 8M x 64 | (1) 8M x 64 | None | 
| 224MB | (1) 16M x 64 | (1) 4M x 64 | (1) 4M x 64 | (1) 4M x 64 | 
| 256MB | (1) 32M x 64 | None | None | None | 
| 256MB | (1) 16M x 64 | (1) 16M x 64 | None | None | 
| 256MB | (1) 8M x 64 | (1) 8M x 64 | (1) 8M x 64 | (1) 8M x 64 | 
| 272MB | (1) 16M x 64 | (1) 16M x 64 | (1) 1M x 64 | (1) 1M x 64 | 
| 280MB | (1) 32M x 64 | (1) 1M x 64 | (1) 1M x 64 | (1) 1M x 64 | 
| 288MB | (1) 16M x 64 | (1) 16M x 64 | (1) 2M x 64 | (1) 2M x 64 | 
| 304MB | (1) 32M x 64 | (1) 2M x 64 | (1) 2M x 64 | (1) 2M x 64 | 
| 320MB | (1) 16M x 64 | (1) 16M x 64 | (1) 4M x 64 | (1) 4M x 64 | 
| 320MB | (1) 16M x 64 | (1) 8M x 64 | (1) 8M x 64 | (1) 8M x 64 | 
| 352MB | (1) 32M x 64 | (1) 4M x 64 | (1) 4M x 64 | (1) 4M x 64 | 
| 384MB | (1) 16M x 64 | (1) 16M x 64 | (1) 16M x 64 | None | 
| 384MB | (1) 32M x 64 | (1) 16M x 64 | None | None | 
| 448MB | (1) 32M x 64 | (1) 8M x 64 | (1) 8M x 64 | (1) 8M x 64 | 
| 512MB | (1) 32M x 64 | (1) 32M x 64 | None | None | 
| 512MB | (1) 16M x 64 | (1) 16M x 64 | (1) 16M x 64 | (1) 16M x 64 | 
| 640MB | (1) 32M x 64 | (1) 16M x 64 | (1) 16M x 64 | (1) 16M x 64 | 
| 768MB | (1) 32M x 64 | (1) 32M x 64 | (1) 32M x 64 | None | 
| 1024MB | (1) 32M x 64 | (1) 32M x 64 | (1) 32M x 64 | (1) 32M x 64 | 
| Note: Maximum EDO memory is 1GB. Maximum SDRAM is 512MB. | ||||
| CACHE CONFIGURATION | 
| Note: 256KB/512KB cache is located on the Pentium II CPU. | 
| CPU SPEED SELECTION | ||||||
| CPU speed | Clock speed | Multiplier | S1/1 | S1/2 | S1/3 | S1/4 | 
| 200MHz | 66MHz | 3x | Off | On | Off | Off | 
| 233MHz | 66MHz | 3.5x | On | On | Off | Off | 
| 266MHz | 66MHz | 4x | Off | Off | On | Off | 
| 300MHz | 66MHz | 4.5x | On | Off | On | Off | 
| 333MHz | 66MHz | 5x | Off | On | On | Off | 
| 366MHz | 66MHz | 5.5x | On | On | On | Off |