EFA CORPORATION
P6KFX-ATX
| Processor | Pentium II | 
| Processor Speed | 200/233/266/300MHz | 
| Chip Set | Intel | 
| Video Chip Set | None | 
| Maximum Onboard Memory | 384MB (EDO supported) | 
| Maximum Video Memory | None | 
| Cache | 256/512KB (located on Pentium II CPU) | 
| BIOS | Award | 
| Dimensions | 305mm x 220mm | 
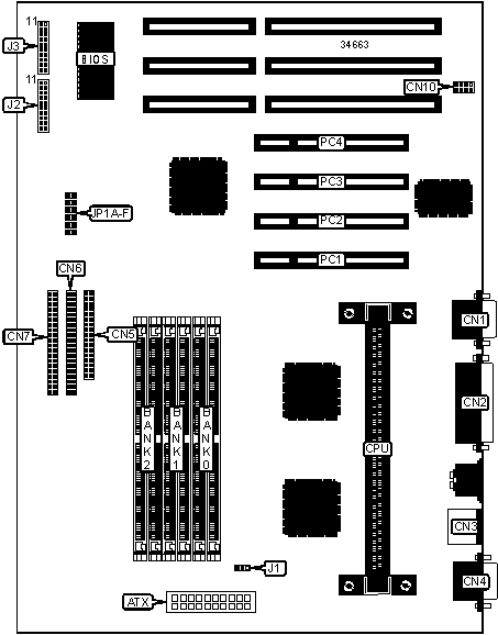
| I/O Options | 32-bit PCI slots (4), floppy drive interface, IDE interfaces (2), parallel port, PS/2 mouse port, serial ports (2), IR connector, ATX power connector | 
| NPU Options | None | 
 
| CONNECTIONS | |||
| Purpose | Location | Purpose | Location | 
| ATX power connector | ATX | Power LED & keylock | J2/pins 1 - 5 | 
| Serial port 2 | CN1 | Speaker | J2/pins 11 - 14 | 
| Parallel port | CN2 | IDE interface LED | J2/pins 8 & 18 | 
| PS/2 mouse port | CN3 | Reset switch | J2/pins 9 & 19 | 
| Serial port 1 | CN4 | External battery | J3/pins 1 - 4 | 
| Floppy drive interface | CN5 | IR connector | J3/pins 11 - 16 | 
| IDE interface 2 | CN6 | Soft off power supply | J3/pins 19 & 20 | 
| IDE interface 1 | CN7 | 32-bit PCI slots | PC1 – PC4 | 
| CPU fan power | J1 | ||
| USER CONFIGURABLE SETTINGS | |||
| Function | Label | Position | |
| » | Factory configured - do not alter | CN10 | Unidentified | 
| » | CMOS memory normal operation | J3 | Pins 5 & 6 closed | 
| CMOS memory clear | J3 | Pins 6 & 7 closed | |
| SIMM CONFIGURATION | |||
| Size | Bank 0 | Bank 1 | Bank 2 | 
| 8MB | (2) 1M x 36 | None | None | 
| 16MB | (2) 1M x 36 | (2) 1M x 36 | None | 
| 16MB | (2) 2M x 36 | None | None | 
| 24MB | (2) 1M x 36 | (2) 1M x 36 | (2) 1M x 36 | 
| 32MB | (2) 2M x 36 | (2) 2M x 36 | None | 
| 32MB | (2) 4M x 36 | None | None | 
| 48MB | (2) 2M x 36 | (2) 2M x 36 | (2) 2M x 36 | 
| 64MB | (2) 4M x 36 | (2) 4M x 36 | None | 
| 64MB | (2) 8M x 36 | None | None | 
| 96MB | (2) 4M x 36 | (2) 4M x 36 | (2) 4M x 36 | 
| 128MB | (2) 8M x 36 | (2) 8M x 36 | None | 
| 128MB | (2) 16M x 36 | None | None | 
| 192MB | (2) 8M x 36 | (2) 8M x 36 | (2) 8M x 36 | 
| 256MB | (2) 16M x 36 | (2) 16M x 36 | None | 
| 384MB | (2) 16M x 36 | (2) 16M x 36 | (2) 16M x 36 | 
| Note: Board accepts EDO memory. Board also accepts x 32 SIMMs. | |||
| CACHE CONFIGURATION | 
| Note: 256KB/512KB cache is located on the Pentium II CPU. | 
| CPU SPEED SELECTION | ||||||
| Speed | JP1A | JP1B | JP1C | JP1D | JP1E | JP1F | 
| 200MHz | Open | Closed | Open | Open | Closed | Open | 
| 233MHz | Open | Closed | Closed | Open | Closed | Open | 
| 266MHz | Closed | Open | Open | Open | Closed | Open | 
| 300MHz | Closed | Open | Closed | Open | Closed | Open |