FREE COMPUTER TECHNOLOGY, INC.
P6F77
| Processor | Pentium II | 
| Processor Speed | 200/233/266/300MHz | 
| Chip Set | Intel | 
| Video Chip Set | None | 
| Maximum Onboard Memory | 768MB (EDO supported) | 
| Maximum Video Memory | None | 
| Cache | 256/512KB (located on Pentium II CPU) | 
| BIOS | Award | 
| Dimensions | 305mm x 244mm | 
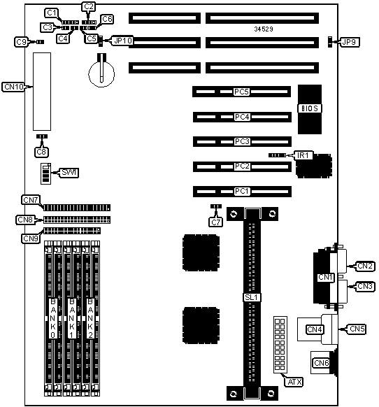
| I/O Options | 32-bit PCI slots (5), floppy drive interface, green PC connector, IDE interfaces (2), parallel port, PS/2 mouse port, serial ports (2), IR connector, USB connectors (2), ATX power connector, CPU Slot 1 | 
| NPU Options | None | 
 
| CONNECTIONS | |||
| Purpose | Location | Purpose | Location | 
| ATX power connector | ATX | Serial port 2 | CN2 | 
| Power LED & keylock | C1 | Serial port 1 | CN3 | 
| Speaker | C2 | USB connector 1 | CN4 | 
| Green PC connector | C3 | USB connector 2 | CN5 | 
| Turbo LED | C4 | PS/2 mouse port | CN6 | 
| Reset switch | C5 | IDE interface 2 | CN7 | 
| IDE interface LED | C6 | IDE interface 1 | CN8 | 
| Chassis fan power | C7 | Floppy drive interface | CN9 | 
| Chassis fan power | C8 | System Management Connector | CN10 | 
| Soft off power supply | C9 | IR connector | IR1 | 
| Parallel port | CN1 | 32-bit PCI slots | PC1 – PC5 | 
| USER CONFIGURABLE SETTINGS | |||
| Function | Label | Position | |
| Keyboard voltage select +5v | JP9 | Pins 1 & 2 closed | |
| Keyboard voltage select +5v (SB) | JP9 | Pins 2 & 3 closed | |
| » | CMOS memory normal operation | JP10 | Pins 1 & 2 closed | 
| CMOS memory clear | JP10 | Pins 2 & 3 closed | |
| SIMM CONFIGURATION | |||
| Size | Bank 0 | Bank 1 | Bank 2 | 
| 8MB | (2) 1M x 36 | None | None | 
| 16MB | (2) 1M x 36 | (2) 1M x 36 | None | 
| 16MB | (2) 2M x 36 | None | None | 
| 24MB | (2) 2M x 36 | (2) 1M x 36 | None | 
| 24MB | (2) 1M x 36 | (2) 1M x 36 | (2) 1M x 36 | 
| 32MB | (2) 4M x 36 | None | None | 
| 32MB | (2) 2M x 36 | (2) 2M x 36 | None | 
| 40MB | (2) 4M x 36 | (2) 1M x 36 | None | 
| 48MB | (2) 4M x 36 | (2) 2M x 36 | None | 
| 48MB | (2) 4M x 36 | (2) 1M x 36 | (2) 1M x 36 | 
| 56MB | (2) 4M x 36 | (2) 2M x 36 | (2) 1M x 36 | 
| 64MB | (2) 8M x 36 | None | None | 
| 64MB | (2) 4M x 36 | (2) 4M x 36 | None | 
| 80MB | (2) 8M x 36 | (2) 2M x 36 | None | 
| 80MB | (2) 8M x 36 | (2) 1M x 36 | (2) 1M x 36 | 
| 88MB | (2) 8M x 36 | (2) 2M x 36 | (2) 1M x 36 | 
| 96MB | (2) 8M x 36 | (2) 4M x 36 | None | 
| 96MB | (2) 4M x 36 | (2) 4M x 36 | (2) 4M x 36 | 
| 96MB | (2) 8M x 36 | (2) 2M x 36 | (2) 2M x 36 | 
| 104MB | (2) 8M x 36 | (2) 4M x 36 | (2) 1M x 36 | 
| 112MB | (2) 8M x 36 | (2) 4M x 36 | (2) 2M x 36 | 
| SIMM CONFIGURATION (CON’T) | |||
| Size | Bank 0 | Bank 1 | Bank 2 | 
| 128MB | (2) 8M x 36 | (2) 4M x 36 | (2) 4M x 36 | 
| 128MB | (2) 16M x 36 | None | None | 
| 128MB | (2) 8M x 36 | (2) 8M x 36 | None | 
| 136MB | (2) 8M x 36 | (2) 8M x 36 | (2) 1M x 36 | 
| 136MB | (2) 16M x 36 | (2) 1M x 36 | None | 
| 144MB | (2) 16M x 36 | (2) 2M x 36 | None | 
| 144MB | (2) 16M x 36 | (2) 1M x 36 | (2) 1M x 36 | 
| 152MB | (2) 16M x 36 | (2) 2M x 36 | (2) 1M x 36 | 
| 160MB | (2) 16M x 36 | (2) 4M x 36 | None | 
| 160MB | (2) 16M x 36 | (2) 2M x 36 | (2) 2M x 36 | 
| 168MB | (2) 16M x 36 | (2) 4M x 36 | (2) 1M x 36 | 
| 176MB | (2) 16M x 36 | (2) 4M x 36 | (2) 2M x 36 | 
| 192MB | (2) 16M x 36 | (2) 8M x 36 | None | 
| 192MB | (2) 16M x 36 | (2) 4M x 36 | (2) 4M x 36 | 
| 200MB | (2) 16M x 36 | (2) 8M x 36 | (2) 1M x 36 | 
| 208MB | (2) 16M x 36 | (2) 8M x 36 | (2) 2M x 36 | 
| 224MB | (2) 16M x 36 | (2) 8M x 36 | (2) 4M x 36 | 
| 256MB | (2) 16M x 36 | (2) 16M x 36 | None | 
| 256MB | (2) 16M x 36 | (2) 8M x 36 | (2) 8M x 36 | 
| 256MB | (2) 32M x 36 | None | None | 
| 264MB | (2) 16M x 36 | (2) 16M x 36 | (2) 1M x 36 | 
| 264MB | (2) 32M x 36 | (2) 1M x 36 | None | 
| 272MB | (2) 16M x 36 | (2) 16M x 36 | (2) 2M x 36 | 
| 272MB | (2) 32M x 36 | (2) 2M x 36 | None | 
| 288MB | (2) 16M x 36 | (2) 16M x 36 | (2) 4M x 36 | 
| 288MB | (2) 32M x 36 | (2) 4M x 36 | None | 
| 320MB | (2) 16M x 36 | (2) 16M x 36 | (2) 8M x 36 | 
| 320MB | (2) 32M x 36 | (2) 8M x 36 | None | 
| 384MB | (2) 16M x 36 | (2) 16M x 36 | (2) 16M x 36 | 
| 384MB | (2) 32M x 36 | (2) 16M x 36 | None | 
| 512MB | (2) 32M x 36 | (2) 32M x 36 | None | 
| 520MB | (2) 32M x 36 | (2) 32M x 36 | (2) 1M x 36 | 
| 528MB | (2) 32M x 36 | (2) 32M x 36 | (2) 2M x 36 | 
| 536MB | (2) 32M x 36 | (2) 32M x 36 | (2) 4M x 36 | 
| 576MB | (2) 32M x 36 | (2) 32M x 36 | (2) 8M x 36 | 
| 640MB | (2) 32M x 36 | (2) 32M x 36 | (2) 16M x 36 | 
| 768MB | (2) 32M x 36 | (2) 32M x 36 | (2) 32M x 36 | 
| Note: Board accepts EDO memory. | |||
| CACHE CONFIGURATION | 
| Note: 256KB/512KB cache is located on the Pentium II CPU. | 
| CPU SPEED SELECTION | ||||||
| CPU speed | Clock speed | Multiplier | SW1/1 | SW1/2 | SW1/3 | SW1/4 | 
| 200MHz | 66MHz | 3x | On | Off | On | On | 
| 233MHz | 66MHz | 3.5x | Off | Off | On | On | 
| 266MHz | 66MHz | 4x | On | On | Off | On | 
| 300MHz | 66MHz | 3x | Off | On | Off | On |