ELITEGROUP COMPUTER SYSTEMS, INC.
P5VX-A (VER 1.1 PCB 1.0)
|
Processor |
Pentium |
|
Processor Speed |
75/90/100/120/133/150/166/200MHz |
|
Chip Set |
Intel |
|
Video Chip Set |
None |
|
Maximum Onboard Memory |
128MB (EDO supported) |
|
Maximum Video Memory |
None |
|
Cache |
256/512KB |
|
BIOS |
Unidentified |
|
Dimensions |
330mm x 218mm |
|
I/O Options |
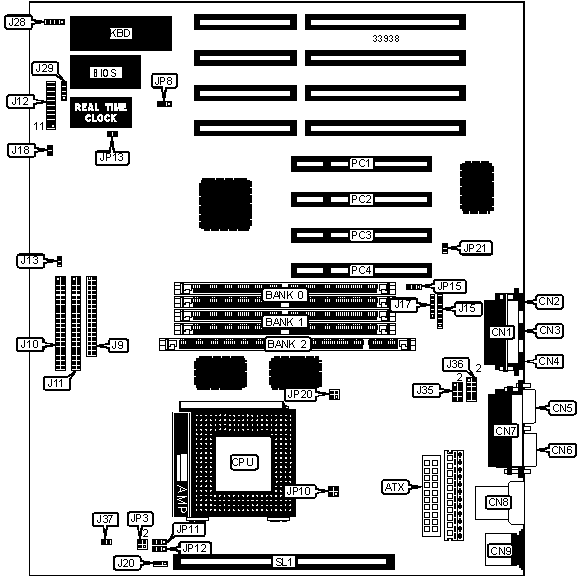
32-bit PCI slots (4), floppy drive interface, game port, green PC connector, IDE interfaces (2), parallel port, PS/2 mouse port, serial ports (2), cache slot, IR connectors (2), USB connectors (2), ATX power connector, microphone port, line in port, line out port, wavetable connector, modem/phone speaker connector, soft off power supply |
|
NPU Options |
None |
|
CONNECTIONS | |||
|
Purpose |
Location |
Purpose |
Location |
|
ATX power connector |
ATX |
Reset switch |
J12 pins 9 & 10 |
|
Game port |
CN1 |
Power LED & keylock |
J12 pins 11 - 15 |
|
Microphone port |
CN2 |
Speaker |
J12 pins 17 - 20 |
|
Line in port |
CN3 |
IDE interface LED |
J13 |
|
Line out port |
CN4 |
IR connector (fast) |
J15 |
|
Serial port 1 |
CN5 |
IR connector |
J17 |
|
Serial port 2 |
CN6 |
Green PC LED |
J18 |
|
Parallel port |
CN7 |
Chassis fan power |
J20 |
|
USB connectors |
CN8 |
CD-ROM connector |
J28 |
|
PS/2 mouse port |
CN9 |
Volume control connector |
J29 |
|
Floppy drive interface |
J9 |
Wavetable connector |
J35 |
|
IDE interface 1 |
J10 |
Modem/phone speaker connector |
J36 |
|
IDE interface 2 |
J11 |
Soft off power supply |
J37 |
|
Power on LED |
J12 pins 2 & 3 |
32-bit PCI slots |
PC1 - PC4 |
|
Green PC connector |
J12 pins 4 & 5 |
Cache slot |
SL1 |
|
USER CONFIGURABLE SETTINGS | |||
|
Function |
Label |
Position | |
|
» |
Flash BIOS voltage select 5v |
JP8 |
Pins 2 & 3 closed |
|
Flash BIOS voltage select 12v |
JP8 |
Pins 1 & 2 closed | |
|
» |
CMOS memory normal operation |
JP13 |
Open |
|
CMOS memory clear |
JP13 |
Closed | |
|
» |
Super I/O enabled |
JP15 |
Pins 1 & 2 closed |
|
Super I/O disabled |
JP15 |
Pins 2 & 3 closed | |
|
» |
3D sound enabled |
JP21 |
Closed |
|
3D sound disabled |
JP21 |
Open | |
|
DIMM/DRAM CONFIGURATION | |||
|
Size |
Bank 0 |
Bank 1 |
Bank 2 |
|
8MB |
(2) 1M x 36 |
None |
None |
|
8MB |
None |
None |
(1) 1M x 64 |
|
16MB |
(2) 2M x 36 |
None |
None |
|
16MB |
(2) 1M x 36 |
(2) 1M x 36 |
None |
|
16MB |
None |
None |
(1) 2M x 64 |
|
16MB |
(2) 1M x 36 |
None |
(1) 1M x 64 |
|
24MB |
(2) 2M x 36 |
(2) 1M x 36 |
None |
|
24MB |
(2) 2M x 36 |
None |
(1) 1M x 64 |
|
24MB |
(2) 1M x 36 |
None |
(1) 2M x 64 |
|
32MB |
(2) 4M x 36 |
None |
None |
|
32MB |
(2) 2M x 36 |
(2) 2M x 36 |
None |
|
32MB |
None |
None |
(1) 4M x 64 |
|
32MB |
(2) 2M x 36 |
None |
(1) 2M x 64 |
|
DIMM/DRAM CONFIGURATION (CON’T) | |||
|
Size |
Bank 0 |
Bank 1 |
Bank 2 |
|
40MB |
(2) 4M x 36 |
(2) 1M x 36 |
None |
|
40MB |
(2) 4M x 36 |
None |
(1) 1M x 64 |
|
40MB |
(2) 1M x 36 |
None |
(1) 4M x 64 |
|
48MB |
(2) 4M x 36 |
(2) 2M x 36 |
None |
|
48MB |
(2) 4M x 36 |
None |
(1) 2M x 64 |
|
48MB |
(2) 2M x 36 |
None |
(1) 4M x 64 |
|
64MB |
(2) 8M x 36 |
None |
None |
|
64MB |
(2) 4M x 36 |
(2) 4M x 36 |
None |
|
64MB |
None |
None |
(1) 8M x 64 |
|
64MB |
(2) 4M x 36 |
None |
(1) 4M x 64 |
|
72MB |
(2) 8M x 36 |
(2) 1M x 36 |
None |
|
72MB |
(2) 8M x 36 |
None |
(1) 1M x 64 |
|
72MB |
(2) 1M x 36 |
None |
(1) 8M x 64 |
|
80MB |
(2) 8M x 36 |
(2) 2M x 36 |
None |
|
80MB |
(2) 8M x 36 |
None |
(1) 2M x 64 |
|
80MB |
(2) 2M x 36 |
None |
(1) 8M x 64 |
|
96MB |
(2) 8M x 36 |
(2) 4M x 36 |
None |
|
96MB |
(2) 4M x 36 |
None |
(1) 8M x 64 |
|
96MB |
(2) 8M x 36 |
None |
(1) 4M x 64 |
|
128MB |
(2) 8M x 36 |
(2) 8M x 36 |
None |
|
128MB |
(2) 8M x 36 |
None |
(1) 8M x 64 |
|
Note: Board accepts EDO memory. | |||
|
CACHE CONFIGURATION | |
|
Size |
SL1 |
|
256KB |
256KB module installed |
|
512KB |
512KB module installed |
|
CPU SPEED SELECTION | |||||
|
CPU speed |
Clock speed |
Multiplier |
JP3 |
JP11 |
JP12 |
|
75MHz (P54C) |
50MHz |
1.5x |
Open |
1 & 2 |
1 & 2 |
|
90MHz (P54C) |
60MHz |
1.5x |
1 & 2 |
1 & 2 |
1 & 2 |
|
100MHz (P54C) |
66MHz |
1.5x |
3 & 4 |
1 & 2 |
1 & 2 |
|
120MHz (P54C) |
60MHz |
2x |
1 & 2 |
1 & 2 |
2 & 3 |
|
133MHz (P54C) |
66MHz |
2x |
3 & 4 |
1 & 2 |
2 & 3 |
|
150MHz (P54C) |
60MHz |
2.5x |
1 & 2 |
2 & 3 |
2 & 3 |
|
150MHz (P55C) |
60MHz |
2.5x |
1 & 2 |
2 & 3 |
2 & 3 |
|
166MHz (P54C) |
66MHz |
2.5x |
3 & 4 |
2 & 3 |
2 & 3 |
|
166MHz (P55C) |
66MHz |
2.5x |
3 & 4 |
2 & 3 |
1 & 2 |
|
200MHz (P54C) |
66MHz |
3x |
3 & 4 |
2 & 3 |
1 & 2 |
|
Note: Pins designated should be in the closed position. | |||||
|
CPU SPEED SELECTION (CON’T) | |||||
|
CPU speed |
Clock speed |
Multiplier |
JP16 |
JP17 |
JP18 |
|
75MHz (P54C) |
50MHz |
1.5x |
1 & 2 |
1 & 2 |
1 & 2 |
|
90MHz (P54C) |
60MHz |
1.5x |
1 & 2 |
1 & 2 |
1 & 2 |
|
100MHz (P54C) |
66MHz |
1.5x |
1 & 2 |
1 & 2 |
1 & 2 |
|
120MHz (P54C) |
60MHz |
2x |
1 & 2 |
1 & 2 |
1 & 2 |
|
133MHz (P54C) |
66MHz |
2x |
1 & 2 |
1 & 2 |
1 & 2 |
|
150MHz (P54C) |
60MHz |
2.5x |
1 & 2 |
1 & 2 |
1 & 2 |
|
150MHz (P55C) |
60MHz |
2.5x |
2 & 3 |
2 & 3 |
2 & 3 |
|
166MHz (P54C) |
66MHz |
2.5x |
1 & 2 |
1 & 2 |
1 & 2 |
|
166MHz (P55C) |
66MHz |
2.5x |
2 & 3 |
2 & 3 |
2 & 3 |
|
200MHz (P54C) |
66MHz |
3x |
1 & 2 |
1 & 2 |
1 & 2 |
|
Note: Pins designated should be in the closed position. JP16, JP17 & JP18 may not be present on all boards. The location is unidentified. | |||||
|
CPU VOLTAGE SELECTION (P54C) | ||
|
Voltage |
JP10 | |
|
3.3v |
Pins 1 & 2 closed | |
| » |
3.525v |
Pins 3 & 4 closed |
|
CPU VOLTAGE SELECTION (P55C) | |
|
Voltage |
JP20 |
|
2.5V |
Pins 1 & 2 closed |
|
2.8V |
Pins 3 & 4 closed |