EVEREX SYSTEMS, INC.
TEMPO LX (NOTEBOOK)
| Processor | 80386SX | 
| Processor Speed | 16/20/25MHZ | 
| Chip Set | C & T | 
| Max. Onboard DRAM | 5MB | 
| Cache | None | 
| BIOS | Phoenix | 
| Dimensions | 355mm x 304mm | 
| I/O Options | Floppy drive interface, IDE interface, modem card, parallel port, serial port, VGA port | 
| NPU Options | 80387SX | 
 
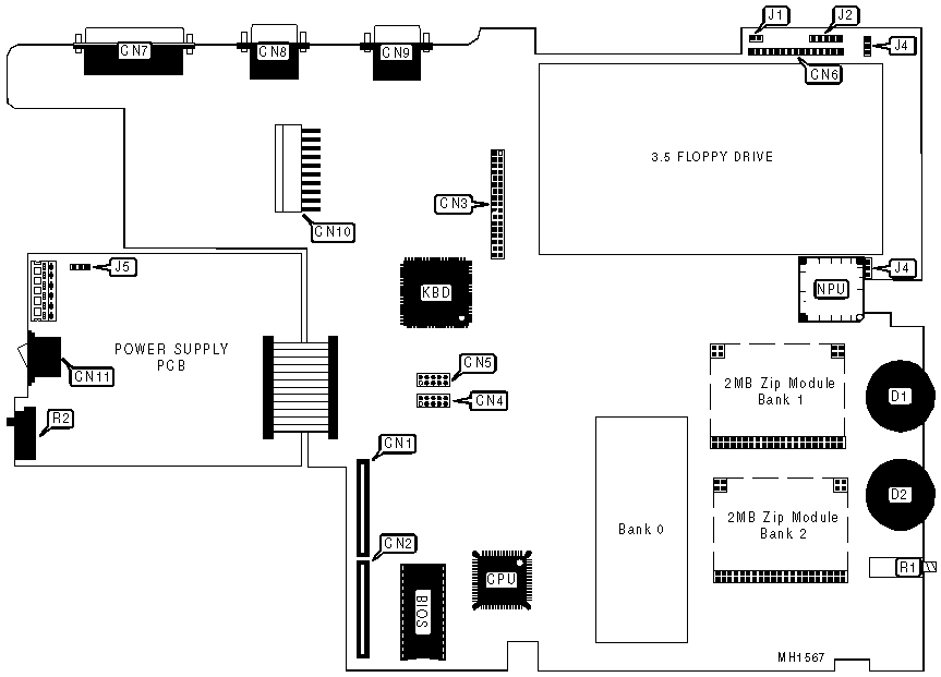
| CONNECTIONS | |||
| Purpose | Location | Purpose | Location | 
| IDE interface | CN1 & CN2 | Modem (COM2) | CN10 | 
| Floppy drive interface | CN3 | Power switch | CN11 | 
| Keyboard connector | CN4 & CN5 | Contrast dial | D1 | 
| LCD display | CN6 | Brightness dial | D2 | 
| Parallel port | CN7 | Reset switch | R1 | 
| Serial port (COM1) | CN8 | Circuit breaker reset switch | R2 | 
| VGA port | CN9 | ||
| USER CONFIGURABLE SETTINGS | |||
| Function | Jumper | Position | |
| » | Factory configured - do not alter | J1 | N/A | 
| » | Factory configured - do not alter | J2 | N/A | 
| » | Factory configured - do not alter | J3 | N/A | 
| » | Factory configured - do not alter | J4 | N/A | 
| » | Factory configured - do not alter | J5 | N/A | 
| DRAM CONFIGURATION | |||
| SIze | Bank 0 | Bank 1 | Bank 2 | 
| 1MB | 1MB | 1MB | 1MB | 
| 3MB | NONE | 2MB ZIP Module | 2MB ZIP Module | 
| 5MB | NONE | NONE | 2MB ZIP Module | 
| Note:1MB DRAM is soldered to the system board, 2MB ZIP modules can be installed the additional memory will be detected via the system BIOS. | |||
 
| CONNECTIONS | |||
| Purpose | Location | Purpose | Location | 
| Speaker | CN1 | RJ11 | CN2 | 
| MODEM CONFIGURATION | |||
| Function | SW1/switch 1 | SW1/switch 3 | SW1/switch 4 | 
| MNP enabled | On | On | On | 
| MNP disabled | Off | On | On | 
| Normal | On | On | On | 
| Self test | On | Off | On | 
| Relay test | On | On | Off | 
| Note:Switch #2 is factory configured and should not be altered. | |||