DTK
PAM-0057I (VER. 3.02)
|
Device Type |
Mainboard |
|
Processor |
CX 6X86/CX 6X86L/CX 6X86MX/AM K5/AM K6/Pentium/Pentium MMX |
|
Processor Speed |
90/100/110/120/133/150/166/200/233MHz |
|
Chip Set |
Intel 440TX |
|
Maximum Onboard Memory |
256MB (EDO & SDRAM supported) |
|
Cache |
256/512KB |
|
BIOS |
Award |
|
I/O Options |
32-bit PCI slots (4), floppy drive interface, IDE interface, parallel port, PS/2 mouse port, serial ports (2), USB connectors (2) |
|
Dimensions |
260mm x 220mm |
|
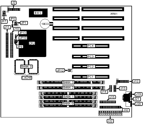
CONNECTIONS | |||
|
Purpose |
Location |
Purpose |
Location |
|
IDE interface LED |
J2/pins 1 & 2 |
IR connector |
J12/pins 16 - 20 |
|
Turbo LED |
J2/pins 3 & 4 |
Serial port 2 |
J13 |
|
SMI switch |
J2/pins 5 & 6 |
Serial port 1 |
J14 |
|
Reset switch |
J2/pins 9 & 10 |
32-bit PCI slots | |
|
Power LED & keylock |
J2/pins 11 - 15 |
Parallel port |
J15 |
|
Speaker |
J2/pins 17 - 20 |
Floppy drive interface |
J16 |
|
IDE interface 2 |
J10 |
PS/2 mouse port |
J19 |
|
IDE interface 1 |
J11 |
At keyboard connector |
J20 |
|
USB1 connector |
J12/pins 1 - 5 |
PS/2 keyboard connector |
J21 |
|
PS/2 mouse interface |
J12/pins 6 - 10 |
AT power connector |
J22 |
|
USB2 connector |
J12/pins 11 - 15 |
PCI slots |
PC1 - PC4 |
|
SIMM CONFIGURATION | ||
|
Size |
Bank 0 |
Bank 1 |
|
4MB |
(2) 1MB x 32 |
None |
|
8MB |
(2) 1MB x 32 |
(2) 1MB x 32 |
|
16MB |
(2) 4MB x 32 |
None |
|
20MB |
(2) 4MB x 32 |
(2) 1MB x 32 |
|
32MB |
(2) 4MB x 32 |
(2) 4MB x 32 |
|
32MB |
(2) 4MB x 32 |
None |
|
36MB |
(2) 4MB x 32 |
(2) 1MB x 32 |
|
48MB |
(2) 4MB x 32 |
(2) 4MB x 32 |
|
48MB |
(2) 4MB x 32 |
(2) 4MB x 32 |
|
64MB |
(2)16MB x 32 |
None |
|
64MB |
(2) 4MB x 32 |
(2) 4MB x 32 |
|
68MB |
(2) 16MB x 32 |
(2) 1MB x 32 |
|
80MB |
(2) 16MB x 32 |
(2) 4MB x 32 |
|
96MB |
(2) 16MB x 32 |
(2) 4MB x 32 |
|
128MB |
(2) 16MB x 32 |
(2) 16MB x 32 |
|
128MB |
(2) 16MB x 32 |
None |
|
136MB |
(2) 16MB x 32 |
(2) 1MB x 32 |
|
144MB |
(2) 16MB x 32 |
(2) 4MB x 32 |
|
160MB |
(2) 16MB x 32 |
(2) 4MB x 32 |
|
192MB |
(2) 16MB x 32 |
(2) 16MB x 32 |
|
192MB |
(2) 16MB x 32 |
(2) 16MB x 32 |
|
256MB |
(2) 16MB x 32 |
(2) 16MB x 32 |
|
DIMM CONFIGURATION | ||
|
Size |
Bank 2 |
Bank 3 |
|
16MB |
(1) 2MB x 64 |
None |
|
32MB |
(1) 2MB x 64 |
(1) 2MB x 64 |
|
32MB |
(1) 4MB x 64 |
None |
|
48MB |
(1) 4MB x 64 |
(1) 2MB x 64 |
|
64MB |
(1) 4MB x 64 |
(1) 4MB x 64 |
|
64MB |
(2) 4MB x 64 |
None |
|
80MB |
(2) 4MB x 64 |
(1) 2MB x 64 |
|
96MB |
(1) 4MB x 64 |
(2) 4MB x 64 |
|
96MB |
(2) 4MB x 64 |
(1) 4MB x 64 |
|
128MB |
(1) 16MB x 64 |
None |
|
128MB |
(2) 4MB x 64 |
(2) 4MB x 64 |
|
144MB |
(1) 16MB x 64 |
(1) 2MB x 64 |
|
160MB |
(1) 16MB x 64 |
(1) 4MB x 64 |
|
192MB |
(1) 16MB x 64 |
(2) 4MB x 64 |
|
256MB |
(1) 16MB x 64 |
(1) 16MB x 64 |
|
CACHE CONFIGURATION | ||
|
Cache size |
Bank 0 |
TAG |
|
256KB |
(2) 32K x 8 |
8K x 8/16K x 8 |
|
512KB |
(2) 64K x 8 |
16K x 8 |
|
CPU SPEED SELECTION (INTEL) | ||||||
|
CPU speed |
Clock speed |
Multiplier |
JP9 |
JP10 |
JP12 |
JP13 |
|
90MHz |
60MHz |
1.5x |
1 & 2 |
1 & 2 |
1 & 2, 3 & 4 |
1 & 2 |
|
100MHz |
66MHz |
1.5x |
1 & 2 |
1 & 2 |
1 & 2, 3 & 4 |
1 & 2 |
|
120MHz |
60MHz |
2x |
1 & 2 |
1 & 2 |
1 & 2, 3 & 4 |
2 & 3 |
|
133MHz |
66MHz |
2x |
1 & 2 |
1 & 2 |
1 & 2, 3 & 4 |
2 & 3 |
|
150MHz |
60MHz |
2.5x |
1 & 2 |
2 & 3 |
1 & 2, 3 & 4 |
2 & 3 |
|
166MHz |
66MHz |
2.5x |
1 & 2 |
2 & 3 |
1 & 2, 3 & 4 |
2 & 3 |
|
Note: Pins designated are in the closed position. | ||||||
|
CPU SPEED SELECTION (INTEL MMX) | ||||||
|
CPU speed |
Clock speed |
Multiplier |
JP9 |
JP10 |
JP12 |
JP13 |
|
200MHz |
66MHz |
3x |
1 & 2 |
2 & 3 |
1 & 2, 3 & 4 |
1 & 2 |
|
233MHz |
66MHz |
3.5x |
1 & 2 |
1 & 2 |
1 & 2, 3 & 4 |
1 & 2 |
|
266MHz |
66MHz |
4x |
1 & 2 |
1 & 2 |
2 & 3, 3 & 4 |
2 & 3 |
|
Note: Pins designated are in the closed position. | ||||||
|
CPU SPEED SELECTION (CX 6X86) | ||||||
|
CPU speed |
Clock speed |
Multiplier |
JP9 |
JP10 |
JP12 |
JP13 |
|
133MHz |
55MHz |
2x |
1 & 2 |
1 & 2 |
1 & 2, 3 & 4 |
2 & 3 |
|
150MHz |
60MHz |
2x |
1 & 2 |
1 & 2 |
1 & 2, 3 & 4 |
2 & 3 |
|
166MHz |
66MHz |
2x |
1 & 2 |
1 & 2 |
1 & 2, 3 & 4 |
2 & 3 |
|
200MHz |
75MHz |
2x |
1 & 2 |
1 & 2 |
1 & 2, 3 & 4 |
2 & 3 |
|
Note: Pins designated are in the closed position. | ||||||
|
CPU SPEED SELECTION (CX 6X86 MX) | ||||||
|
CPU speed |
Clock speed |
Multiplier |
JP9 |
JP10 |
JP12 |
JP13 |
|
166MHz |
60MHz |
2.5x |
1 & 2 |
2 & 3 |
1 & 2, 3 & 4 |
2 & 3 |
|
200MHz |
66MHz |
2.5x |
1 & 2 |
2 & 3 |
1 & 2, 3 & 4 |
2 & 3 |
|
Note: Pins designated are in the closed position. | ||||||
|
CPU SPEED SELECTION (AM K5) | ||||||
|
CPU speed |
Clock speed |
Multiplier |
JP9 |
JP10 |
JP12 |
JP13 |
|
90MHz |
60MHz |
1.5x |
1 & 2 |
1 & 2 |
1 & 2, 3 & 4 |
1 & 2 |
|
100MHz |
66MHz |
1.5x |
1 & 2 |
1 & 2 |
1 & 2, 3 & 4 |
1 & 2 |
|
120MHz |
60MHz |
2x |
1 & 2 |
1 & 2 |
1 & 2, 3 & 4 |
1 & 2 |
|
133MHz |
66MHz |
2x |
1 & 2 |
1 & 2 |
1 & 2, 3 & 4 |
2 & 3 |
|
150MHz |
60MHz |
2.5x |
1 & 2 |
1 & 2 |
1 & 2, 3 & 4 |
1 & 2 |
|
166MHz |
66MHz |
2.5x |
1 & 2 |
2 & 3 |
1 & 2, 3 & 4 |
2 & 3 |
|
Note: Pins designated are in the closed position. | ||||||
|
CPU SPEED SELECTION (AM K6) | ||||||
|
CPU speed |
Clock speed |
Multiplier |
JP9 |
JP10 |
JP12 |
JP13 |
|
166MHz |
66MHz |
2.5x |
1 & 2 |
2 & 3 |
1 & 2, 3 & 4 |
2 & 3 |
|
200MHz |
66MHz |
3x |
1 & 2 |
2 & 3 |
1 & 2, 3 & 4 |
1 & 2 |
|
233MHz |
66MHz |
3.5x |
1 & 2 |
1 & 2 |
1 & 2, 3 & 4 |
1 & 2 |
|
266MHz |
66MHz |
4x |
1 & 2 |
1 & 2 |
2 & 3, 3 & 4 |
2 & 3 |
|
Note: Pins designated are in the closed position. | ||||||
|
CPU VOLTAGE SELECTION (SINGLE) | ||||
|
Voltage |
JP1/pins 1 & 2 |
JP1/pins 3 & 4 |
JP1/pins 5 & 6 |
JP5 |
|
3.3v |
Closed |
Closed |
Closed |
Closed |
|
3.5v |
Closed |
Closed |
Closed |
Closed |
|
CPU VOLTAGE SELECTION (SINGLE, CONT.) | ||||
|
Voltage |
JP7/pins 1 & 2 |
JP7/pins 3 & 4 |
JP7/pins 5 & 6 |
JP7/pins 7 & 8 |
|
3.3v |
Open |
Closed |
Closed |
Closed |
|
3.5v |
Closed |
Closed |
Closed |
Closed |
|
CPU VOLTAGE SELECTION (DUAL) | |||||
|
V I/O |
V Core |
JP1/pins 1 & 2 |
JP1/pins 3 & 4 |
JP1/pins 5 & 6 |
JP5 |
|
3.3v |
2.2v |
Open |
Open |
Open |
Open |
|
3.3v |
2.8v |
Open |
Open |
Open |
Open |
|
3.3v |
2.9v |
Open |
Open |
Open |
Open |
|
3.3v |
3.2v |
Open |
Open |
Open |
Open |
|
CPU VOLTAGE SELECTION (DUAL, CONT.) | |||||
|
V I/O |
V Core |
JP7/pins 1 & 2 |
JP7/pins 3 & 4 |
JP7/pins 5 & 6 |
JP7/pins 7 & 8 |
|
3.3v |
2.2v |
Open |
Closed |
Open |
Open |
|
3.3v |
2.8v |
Open |
Open |
Open |
Closed |
|
3.3v |
2.9v |
Closed |
Open |
Open |
Closed |
|
3.3v |
3.2v |
Closed |
Open |
Closed |
Closed |