COMPAQ COMPUTER CORPORATION
PROLIANT 6500/6500R
|
Device Type |
Mainboard |
|
Processor |
Pentium Pro |
|
Processor Speed |
200MHz |
|
Chip Set |
Unidentified |
|
Video Chip Set |
Unidentified |
|
Maximum Onboard Memory |
4GB (EDO supported) |
|
Maximum Video Memory |
1MB |
|
Cache |
512/1024KB (located on Pentium Pro CPU) |
|
BIOS |
Unidentified |
|
Dimensions |
305mm x 244mm |
|
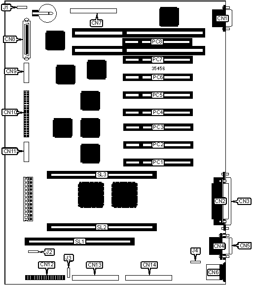
I/O Options |
32-bit PCI slots (8), floppy drive interface, IDE interface, SCSI interface, Wide Ultra SCSI interface, parallel port, PS/2 mouse port, serial ports (2), VGA port, CPU slots (2), memory slot |
|
NPU Options |
None |
|
CONNECTIONS | |||
|
Purpose |
Location |
Purpose |
Location |
|
VGA port |
CN1 |
IDE interface |
CN10 |
|
Parallel port |
CN2 |
Power sense connector |
CN11 |
|
SCSI interface |
CN3 |
Floppy drive interface |
CN12 |
|
Serial port 2 |
CN4 |
Power module connector |
CN13 |
|
Serial port 1 |
CN5 |
Power module connector |
CN14 |
|
PS/2 mouse port |
CN6 |
Memory slot |
SL1 |
|
I20 connector |
CN7 |
CPU slot |
SL2 |
|
Ultra Wide SCSI interface |
CN8 |
CPU slot |
SL3 |
|
Miscellaneous connector |
CN9 |
32-bit PCI slots |
PC1 – PC8 |
|
USER CONFIGURABLE SETTINGS | |||
|
Function |
Label |
Position | |
|
» |
Factory configured - do not alter |
J1 |
Unidentified |
|
» |
Factory configured - do not alter |
J2 |
Unidentified |
|
» |
Factory configured - do not alter |
J3 |
Unidentified |
|
» |
Factory configured - do not alter |
J4 |
Unidentified |
|
» |
On board video enabled |
SW1/1 |
Off |
|
On board video disabled |
SW1/1 |
On | |
|
» |
Setup access enabled |
SW1/2 |
Off |
|
Setup access disabled |
SW1/2 |
On | |
|
» |
System setup in a rack mount |
SW1/3 |
Off |
|
System setup in a tower |
SW1/3 |
On | |
|
» |
Floppy drive boot enabled |
SW1/4 |
Off |
|
Floppy drive boot disabled |
SW1/4 |
On | |
|
» |
Password normal operation |
SW1/5 |
Off |
|
Password clear |
SW1/5 |
On | |
|
» |
NVRAM is validated, configuration not lost |
SW1/6 |
Off |
|
NVRAM is invalidated, configuration is lost |
SW1/6 |
On | |
|
DIMM CONFIGURATION | ||||
|
Size |
Bank 0 |
Bank 1 |
Bank 2 |
Bank 3 |
|
64MB |
(4) 2M x 64 |
None |
None |
None |
|
128MB |
(4) 4M x 64 |
None |
None |
None |
|
128MB |
(4) 2M x 64 |
(4) 2M x 64 |
None |
None |
|
192MB |
(4) 2M x 64 |
(4) 2M x 64 |
(4) 2M x 64 |
None |
|
DIMM CONFIGURATION (CON’T) | ||||
|
Size |
Bank 0 |
Bank 1 |
Bank 2 |
Bank 3 |
|
256MB |
(4) 8M x 64 |
None |
None |
None |
|
256MB |
(4) 2M x 64 |
(4) 2M x 64 |
(4) 2M x 64 |
(4) 2M x 64 |
|
256MB |
(4) 4M x 64 |
(4) 4M x 64 |
None |
None |
|
384MB |
(4) 4M x 64 |
(4) 4M x 64 |
(4) 4M x 64 |
None |
|
512MB |
(4) 16M x 64 |
None |
None |
None |
|
512MB |
(4) 4M x 64 |
(4) 4M x 64 |
(4) 4M x 64 |
(4) 4M x 64 |
|
512MB |
(4) 8M x 64 |
(4) 8M x 64 |
None |
None |
|
768MB |
(4) 8M x 64 |
(4) 8M x 64 |
(4) 8M x 64 |
None |
|
1024MB |
(4) 32M x 64 |
None |
None |
None |
|
1024MB |
(4) 8M x 64 |
(4) 8M x 64 |
(4) 8M x 64 |
(4) 8M x 64 |
|
1024MB |
(4) 16M x 64 |
(4) 16M x 64 |
None |
None |
|
1536MB |
(4) 16M x 64 |
(4) 16M x 64 |
(4) 16M x 64 |
None |
|
2048MB |
(4) 16M x 64 |
(4) 16M x 64 |
(4) 16M x 64 |
(4) 16M x 64 |
|
2048MB |
(4) 32M x 64 |
(4) 32M x 64 |
None |
None |
|
3072MB |
(4) 32M x 64 |
(4) 32M x 64 |
(4) 32M x 64 |
None |
|
4096MB |
(4) 32M x 64 |
(4) 32M x 64 |
(4) 32M x 64 |
(4) 32M x 64 |
|
Note: Board accepts EDO memory. | ||||
|
CACHE CONFIGURATION |
|
Note: 512KB/1024KB cache is located on the Pentium Pro CPU. |
|
VIDEO MEMORY CONFIGURATION |
|
Note: The size and location of the video memory is unidentified. |
|
CPU SPEED SELECTION | ||||||
|
CPU speed |
Clock speed |
Multiplier |
SW3/1 |
SW3/2 |
SW4/1 |
SW4/2 |
|
200MHz |
66MHz |
3x |
On |
Off |
Off |
On |
|
Note: These switches are located on the processor board. | ||||||
|
CPU SPEED SELECTION (CON’T) | ||||||
|
CPU speed |
Clock speed |
Multiplier |
SW4/3 |
SW5/1 |
SW5/2 |
SW5/3 |
|
200MHz |
66MHz |
3x |
Off |
Off |
On |
Off |
|
Note: These switches are located on the processor board. | ||||||