ACER, INC.
ACERALTOS 9100 (M9N), M9N
|
Device Type |
Mainboard |
|
Processor |
Pentium II |
|
Processor Speed |
266/300MHz |
|
Chip Set |
Intel 440FX |
|
Video Chip Set |
Unidentified |
|
Maximum Onboard Memory |
128MB (EDO supported) |
|
Maximum Video Memory |
2MB |
|
Cache |
256/512KB (located on Pentium II CPU) |
|
BIOS |
Acer |
|
Dimensions |
305mm x 244mm |
|
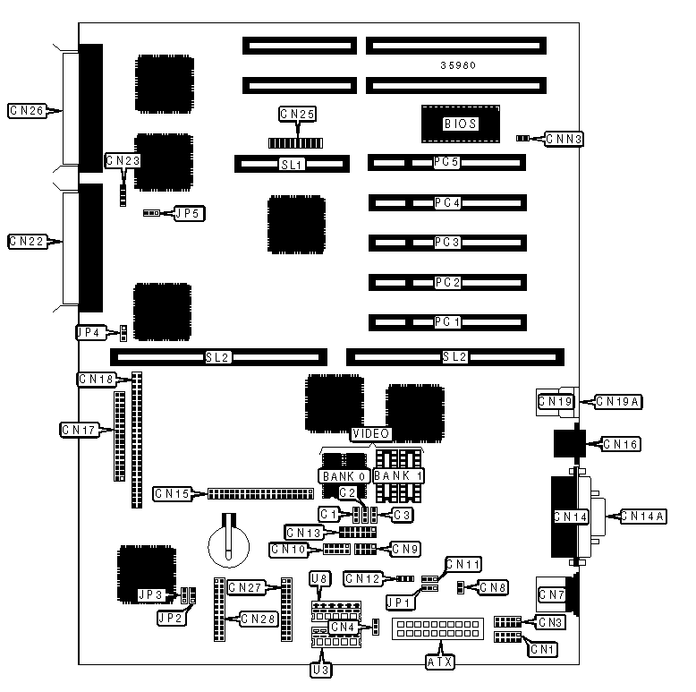
I/O Options |
32-bit PCI slots (5), Ethernet 10BaseT connector, floppy drive interface, IDE interface, SCSI interface, Wide Ultra SCSI interface, PS/2 mouse port, serial ports (2), VGA port, USB connectors (2), ATX power connector, CPU slot |

|
CONNECTIONS |
|||
|
Purpose |
Location |
Purpose |
Location |
|
ATX power connector |
ATX |
Ethernet 10BaseT connector |
CN16 |
|
Chassis fan power |
C1 |
Floppy drive interface |
CN17 |
|
Chassis fan power |
C2 |
SCSI interface |
CN18 |
|
Chassis fan power |
C3 |
USB connector 1 |
CN19 |
|
Serial port 1 |
CN1 |
USB connector 2 |
CN19A |
|
Serial port 2 |
CN3 |
External SCSI interface |
CN22 |
|
Software shutdown for 420 power |
CN4 |
IDE interface LED |
CN23 |
|
PS/2 mouse port |
CN7 |
SMM connector |
CN25 |
|
Soft off power supply |
CN8 |
External SCSI interface |
CN26 |
|
Power LED & keylock |
CN9 |
RDM connector |
CN27 |
|
Redundant power supply connector |
CN10 |
RDM connector |
CN28 |
|
Redundant power supply shutdown |
CN12 |
Chassis intrusion connector |
CNN3 |
|
LED connector |
CN13 |
32-bit PCI slots |
PC1 - PC5 |
|
Parallel port |
CN14 |
CPU slot |
SL2 |
|
VGA port |
CN14A |
3.3v power |
U3 |
|
IDE interface |
CN15 |
3.3v power |
U8 |
|
USER CONFIGURABLE SETTINGS |
|||
|
Function |
Label |
Position |
|
|
» |
Factory configured - do not alter |
CN11 |
Unidentified |
|
» |
Software shutdown for CN4 enabled |
JP1 |
Pins 1 & 2 closed |
|
|
Software shutdown for CN4 disabled |
JP1 |
Pins 2 & 3 closed |
|
» |
BIOS type select Acer |
JP2 |
Pins 1 & 2 closed |
|
|
BIOS type select OEM |
JP2 |
Pins 2 & 3 closed |
|
» |
Password disabled |
JP3 |
Pins 2 & 3 closed |
|
|
Password enabled |
JP3 |
Pins 1 & 2 closed |
|
» |
On board video enabled |
JP5 |
Pins 1 & 2 closed |
|
|
On board video disabled |
JP5 |
Pins 2 & 3 closed |
|
» |
Factory configured - do not alter |
SL1 |
Unidentified |
|
VIDEO MEMORY CONFIGURATION |
||
|
Size |
Bank 0 |
Bank 1 |
|
1MB |
(2) 256K x 16 |
None |
|
2MB |
(2) 256K x 16 |
(2) 256K x 16 |
|
SCSI TERMINATON SELECTION |
|
|
Setting |
JP4 |
|
Termination disabled |
Open |
|
Termination enabled |
Pins 1 & 2 closed |
|
» Termination switchable through SCSI select utility |
Pins 2 & 3 closed |

|
CONNECTIONS |
|||
|
Purpose |
Location |
Purpose |
Location |
|
Chassis fan power |
CN2 |
Chassis fan power |
JP3 |
|
Chassis fan power |
CN3 |
Chassis fan power |
JP4 |
|
DIMM CONFIGURATION |
||||
|
Size |
Bank 0 |
Bank 1 |
Bank 2 |
Bank 3 |
|
8MB |
(1) 1M x 64 |
None |
None |
None |
|
16MB |
(1) 2M x 64 |
None |
None |
None |
|
16MB |
(1) 1M x 64 |
(1) 1M x 64 |
None |
None |
|
24MB |
(1) 2M x 64 |
(1) 1M x 64 |
None |
None |
|
24MB |
(1) 1M x 64 |
(1) 1M x 64 |
(1) 1M x 64 |
None |
|
32MB |
(1) 4M x 64 |
None |
None |
None |
|
32MB |
(1) 2M x 64 |
(1) 2M x 64 |
None |
None |
|
32MB |
(1) 1M x 64 |
(1) 1M x 64 |
(1) 1M x 64 |
(1) 1M x 64 |
|
40MB |
(1) 4M x 64 |
(1) 1M x 64 |
None |
None |
|
48MB |
(1) 4M x 64 |
(1) 2M x 64 |
None |
None |
|
48MB |
(1) 2M x 64 |
(1) 2M x 64 |
(1) 2M x 64 |
None |
|
64MB |
(1) 2M x 64 |
(1) 2M x 64 |
(1) 2M x 64 |
(1) 2M x 64 |
|
64MB |
(1) 8M x 64 |
None |
None |
None |
|
64MB |
(1) 4M x 64 |
(1) 4M x 64 |
None |
None |
|
72MB |
(1) 8M x 64 |
(1) 1M x 64 |
None |
None |
|
80MB |
(1) 8M x 64 |
(1) 2M x 64 |
None |
None |
|
96MB |
(1) 8M x 64 |
(1) 4M x 64 |
None |
None |
|
96MB |
(1) 4M x 64 |
(1) 4M x 64 |
(1) 4M x 64 |
None |
|
DIMM CONFIGURATION (CON'T) |
||||
|
Size |
Bank 0 |
Bank 1 |
Bank 2 |
Bank 3 |
|
128MB |
(1) 16M x 64 |
None |
None |
None |
|
128MB |
(1) 8M x 64 |
(1) 8M x 64 |
None |
None |
|
128MB |
(1) 4M x 64 |
(1) 4M x 64 |
(1) 4M x 64 |
(1) 4M x 64 |
|
136MB |
(1) 16M x 64 |
(1) 1M x 64 |
None |
None |
|
144MB |
(1) 16M x 64 |
(1) 2M x 64 |
None |
None |
|
176MB |
(1) 16M x 64 |
(1) 2M x 64 |
(1) 2M x 64 |
(1) 2M x 64 |
|
192MB |
(1) 16M x 64 |
(1) 8M x 64 |
None |
None |
|
192MB |
(1) 8M x 64 |
(1) 8M x 64 |
(1) 8M x 64 |
None |
|
256MB |
(1) 16M x 64 |
(1) 16M x 64 |
None |
None |
|
256MB |
(1) 8M x 64 |
(1) 8M x 64 |
(1) 8M x 64 |
(1) 8M x 64 |
|
272MB |
(1) 16M x 64 |
(1) 16M x 64 |
(1) 1M x 64 |
(1) 1M x 64 |
|
288MB |
(1) 16M x 64 |
(1) 16M x 64 |
(1) 2M x 64 |
(1) 2M x 64 |
|
320MB |
(1) 16M x 64 |
(1) 16M x 64 |
(1) 4M x 64 |
(1) 4M x 64 |
|
384MB |
(1) 16M x 64 |
(1) 16M x 64 |
(1) 16M x 64 |
None |
|
512MB |
(1) 16M x 64 |
(1) 16M x 64 |
(1) 16M x 64 |
(1) 16M x 64 |
|
Note: Board accepts EDO memory. |
||||
|
CACHE CONFIGURATION |
|
Note: 256KB/512KB cache is located on the Pentium II CPU. |
|
CPU SPEED SELECTION |
|||||||
|
CPU speed |
Clock speed |
Multiplier |
JP1/pins 1 & 2 |
JP1/pins 3 & 4 |
JP1/pins 5 & 6 |
JP1/pins 7 & 8 |
JP5 |
|
266MHz |
66MHz |
4x |
Closed |
Closed |
Closed |
Open |
1 & 2 |
|
300MHz |
66MHz |
4.5x |
Closed |
Open |
Closed |
Open |
1 & 2 |
|
Note: Pins designated should be in the closed position. |
|||||||