ACER, INC.
MX58 PLUS
|
Device Type |
Mainboard |
|
Processor |
CX 6X86/CX 6X86L/CX 686MX/CX MII/IDT C6/AM K5/ AM K6/Pentium/Pentium MMX |
|
Processor Speed |
75/90/100/120/133/150/166/180/200/233/266/300MHz |
|
Chip Set |
SIS 5598 |
|
Video Chip Set |
Unidentified |
|
Maximum Onboard Memory |
256MB (EDO & SDRAM supported) |
|
Maximum Video Memory |
Unidentified |
|
Audio Chip Set |
Unidentified |
|
Cache |
512KB |
|
BIOS |
Award |
|
Dimensions |
245mm x 245mm |
|
I/O Options |
32-bit PCI slots (3), floppy drive interface, game/MIDI port, IDE interfaces (2), parallel port, PS/2 mouse port, serial ports (2), VGA port, USB connectors (2), ATX power connector, AGP slot, line in, line out, microphone in, audio in - CD-ROM |
|
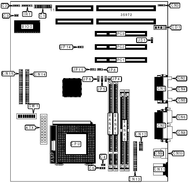
CONNECTIONS | |||
|
Purpose |
Location |
Purpose |
Location |
|
ATX power connector |
ATX |
Line in |
CN4 |
|
Keylock |
C1/pins 1 & 2 |
Line out |
CN5 |
|
ACPI LED |
C1/pins 3 - 5 |
VGA port |
CN6 |
|
Speaker |
C1/pins 7 - 10 |
Parallel port |
CN7 |
|
Reset switch |
C1/pins 19 & 20 |
Serial port 1 |
CN8 |
|
IDE interface LED |
C2 |
USB connector 1 |
CN9 |
|
Soft off power supply |
C3 |
USB connector 2 |
CN10 |
|
CPU fan power |
C4 |
PS/2 mouse port |
CN11 |
|
CPU fan power |
C5 |
Serial port 2 |
CN12 |
|
Audio in - CD-ROM |
CD1 |
Floppy drive interface |
CN13 |
|
Game/MIDI port |
CN1 |
IDE interface 2 |
CN14 |
|
Microphone in |
CN2 |
IDE interface 1 |
CN15 |
|
Mono in |
CN3/pins 1 & 2 |
IR connector |
IR1 |
|
Microphone out |
CN3/pins 3 & 4 |
32-bit PCI slots |
PC1 - PC3 |
|
USER CONFIGURABLE SETTINGS | |||
|
Function |
Label |
Position | |
|
» |
PCI CLK select synchronous |
JP8 |
Pins 1 & 2 closed |
|
PCI CLK select asynchronous |
JP8 |
Pins 2 & 3 closed | |
|
» |
On board video enabled |
JP11 |
Pins 1 & 2 closed |
|
On board video disabled |
JP11 |
Pins 2 & 3 closed | |
|
» |
CMOS memory normal operation |
JP14 |
Pins 1 & 2 closed |
|
CMOS memory clear |
JP14 |
Pins 2 & 3 closed | |
|
» |
On board sound enabled |
JS1 |
Pins 1 & 2 closed |
|
On board sound disabled |
JS1 |
Pins 2 & 3 closed | |
|
SIMM CONFIGURATION | |
|
Size |
Bank 0 |
|
8MB |
(2) 1M x 36 |
|
16MB |
(2) 2M x 36 |
|
32MB |
(2) 4M x 36 |
|
64MB |
(2) 8M x 36 |
|
128MB |
(2) 16M x 36 |
|
256MB |
(2) 32M x 36 |
|
Note: Board accepts EDO memory. | |
|
DIMM CONFIGURATION | ||
|
Size |
Bank 0 |
Bank 1 |
|
8MB |
(1) 1M x 64 |
None |
|
16MB |
(1) 2M x 64 |
None |
|
16MB |
(1) 1M x 64 |
(1) 1M x 64 |
|
24MB |
(1) 2M x 64 |
(1) 1M x 64 |
|
32MB |
(1) 4M x 64 |
None |
|
32MB |
(1) 2M x 64 |
(1) 2M x 64 |
|
40MB |
(1) 4M x 64 |
(1) 1M x 64 |
|
48MB |
(1) 4M x 64 |
(1) 2M x 64 |
|
64MB |
(1) 8M x 64 |
None |
|
64MB |
(1) 4M x 64 |
(1) 4M x 64 |
|
72MB |
(1) 8M x 64 |
(1) 1M x 64 |
|
80MB |
(1) 8M x 64 |
(1) 2M x 64 |
|
96MB |
(1) 8M x 64 |
(1) 4M x 64 |
|
128MB |
(1) 16M x 64 |
None |
|
128MB |
(1) 8M x 64 |
(1) 8M x 64 |
|
136MB |
(1) 16M x 64 |
(1) 1M x 64 |
|
144MB |
(1) 16M x 64 |
(1) 2M x 64 |
|
160MB |
(1) 16M x 64 |
(1) 4M x 64 |
|
192MB |
(1) 16M x 64 |
(1) 8M x 64 |
|
256MB |
(1) 16M x 64 |
(1) 16M x 64 |
|
Note: Board accepts SDRAM memory. | ||
|
CACHE CONFIGURATION |
|
Note: The location of the cache is unidentified. |
|
VIDEO MEMORY CONFIGURATION |
|
Note: The location of the video memory is unidentified. |
|
CPU SPEED SELECTION (CX 6X86) | ||||||||
|
CPU speed |
Clock speed |
Multiplier |
JP4 |
JP5 |
JP6 |
SW1/1 |
SW1/2 |
SW1/3 |
|
120MHz |
50MHz |
2x |
2 & 3 |
2 & 3 |
1 & 2 |
On |
Off |
Off |
|
133MHz |
55MHz |
2x |
2 & 3 |
2 & 3 |
2 & 3 |
On |
Off |
Off |
|
150MHz |
60MHz |
2x |
1 & 2 |
2 & 3 |
1 & 2 |
On |
Off |
Off |
|
166MHz |
66MHz |
2x |
2 & 3 |
1 & 2 |
1 & 2 |
On |
Off |
Off |
|
200MHz |
75MHz |
2x |
1 & 2 |
2 & 3 |
2 & 3 |
On |
Off |
Off |
|
Note: Pins designated should be in the closed position. | ||||||||
|
CPU SPEED SELECTION (CX 6X86L) | ||||||||
|
CPU speed |
Clock speed |
Multiplier |
JP4 |
JP5 |
JP6 |
SW1/1 |
SW1/2 |
SW1/3 |
|
120MHz |
50MHz |
2x |
2 & 3 |
2 & 3 |
1 & 2 |
On |
Off |
Off |
|
133MHz |
55MHz |
2x |
2 & 3 |
2 & 3 |
2 & 3 |
On |
Off |
Off |
|
150MHz |
60MHz |
2x |
1 & 2 |
2 & 3 |
1 & 2 |
On |
Off |
Off |
|
166MHz |
66MHz |
2x |
2 & 3 |
1 & 2 |
1 & 2 |
On |
Off |
Off |
|
200MHz |
75MHz |
2x |
1 & 2 |
2 & 3 |
2 & 3 |
On |
Off |
Off |
|
Note: Pins designated should be in the closed position. | ||||||||
|
CPU SPEED SELECTION (CX MII) | ||||||||
|
CPU speed |
Clock speed |
Multiplier |
JP4 |
JP5 |
JP6 |
SW1/1 |
SW1/2 |
SW1/3 |
|
166MHz |
60MHz |
2.5x |
1 & 2 |
2 & 3 |
1 & 2 |
On |
On |
Off |
|
200MHz |
66MHz |
2.5x |
2 & 3 |
1 & 2 |
1 & 2 |
On |
On |
Off |
|
200MHz |
75MHz |
2x |
1 & 2 |
2 & 3 |
2 & 3 |
On |
Off |
Off |
|
233MHz |
66MHz |
3x |
2 & 3 |
1 & 2 |
1 & 2 |
Off |
On |
Off |
|
233MHz |
83MHz |
2x |
2 & 3 |
1 & 2 |
2 & 3 |
On |
Off |
Off |
|
266MHz |
66MHz |
3.5x |
2 & 3 |
1 & 2 |
1 & 2 |
Off |
Off |
Off |
|
300MHz |
75MHz |
3x |
1 & 2 |
2 & 3 |
2 & 3 |
Off |
On |
Off |
|
300MHz |
66MHz |
3.5x |
2 & 3 |
1 & 2 |
1 & 2 |
Off |
Off |
Off |
|
300MHz |
60MHz |
4x |
1 & 2 |
2 & 3 |
1 & 2 |
On |
Off |
On |
|
CPU SPEED SELECTION (AM K5) | ||||||||
|
CPU speed |
Clock speed |
Multiplier |
JP4 |
JP5 |
JP6 |
SW1/1 |
SW1/2 |
SW1/3 |
|
75MHz |
50MHz |
1.5x |
2 & 3 |
2 & 3 |
1 & 2 |
Off |
Off |
Off |
|
90MHz |
60MHz |
1.5x |
1 & 2 |
2 & 3 |
1 & 2 |
Off |
Off |
Off |
|
100MHz |
66MHz |
1.5x |
2 & 3 |
1 & 2 |
1 & 2 |
Off |
Off |
Off |
|
120MHz |
60MHz |
1.5x |
1 & 2 |
2 & 3 |
1 & 2 |
Off |
Off |
Off |
|
133MHz |
66MHz |
1.5x |
2 & 3 |
1 & 2 |
1 & 2 |
Off |
Off |
Off |
|
166MHz |
66MHz |
1.75x |
2 & 3 |
1 & 2 |
1 & 2 |
On |
On |
Off |
|
Note: Pins designated should be in the closed position. | ||||||||
|
CPU SPEED SELECTION (AM K6) | ||||||||
|
CPU speed |
Clock speed |
Multiplier |
JP4 |
JP5 |
JP6 |
SW1/1 |
SW1/2 |
SW1/3 |
|
166MHz |
66MHz |
2.5x |
2 & 3 |
1 & 2 |
1 & 2 |
On |
On |
Off |
|
200MHz |
66MHz |
3x |
2 & 3 |
1 & 2 |
1 & 2 |
Off |
On |
Off |
|
233MHz |
66MHz |
3.5x |
2 & 3 |
1 & 2 |
1 & 2 |
Off |
Off |
Off |
|
266MHz |
66MHz |
4x |
2 & 3 |
1 & 2 |
1 & 2 |
On |
Off |
On |
|
300MHz |
66MHz |
4.5x |
2 & 3 |
1 & 2 |
1 & 2 |
On |
On |
On |
|
Note: Pins designated should be in the closed position. | ||||||||
|
CPU SPEED SELECTION (IDT C6) | ||||||||
|
CPU speed |
Clock speed |
Multiplier |
JP4 |
JP5 |
JP6 |
SW1/1 |
SW1/2 |
SW1/3 |
|
150MHz |
75MHz |
2x |
1 & 2 |
2 & 3 |
2 & 3 |
On |
Off |
Off |
|
180MHz |
60MHz |
3x |
1 & 2 |
2 & 3 |
1 & 2 |
Off |
On |
Off |
|
200MHz |
66MHz |
3x |
2 & 3 |
1 & 2 |
1 & 2 |
Off |
On |
Off |
|
Note: Pins designated should be in the closed position. | ||||||||
|
CPU SPEED SELECTION (INTEL) | ||||||||
|
CPU speed |
Clock speed |
Multiplier |
JP4 |
JP5 |
JP6 |
SW1/1 |
SW1/2 |
SW1/3 |
|
75MHz |
50MHz |
1.5x |
2 & 3 |
2 & 3 |
1 & 2 |
Off |
Off |
Off |
|
90MHz |
60MHz |
1.5x |
1 & 2 |
2 & 3 |
1 & 2 |
Off |
Off |
Off |
|
100MHz |
66MHz |
1.5x |
2 & 3 |
1 & 2 |
1 & 2 |
Off |
Off |
Off |
|
120MHz |
60MHz |
2x |
1 & 2 |
2 & 3 |
1 & 2 |
On |
Off |
Off |
|
133MHz |
66MHz |
2x |
2 & 3 |
1 & 2 |
1 & 2 |
On |
Off |
Off |
|
150MHz |
60MHz |
2.5x |
1 & 2 |
2 & 3 |
1 & 2 |
On |
On |
Off |
|
166MHz |
66MHz |
2.5x |
2 & 3 |
1 & 2 |
1 & 2 |
On |
On |
Off |
|
200MHz |
66MHz |
3x |
2 & 3 |
1 & 2 |
1 & 2 |
Off |
On |
Off |
|
Note: Pins designated should be in the closed position. | ||||||||
|
CPU SPEED SELECTION (INTEL MMX) | ||||||||
|
CPU speed |
Clock speed |
Multiplier |
JP4 |
JP5 |
JP6 |
SW1/1 |
SW1/2 |
SW1/3 |
|
150MHz |
60MHz |
2.5x |
1 & 2 |
2 & 3 |
1 & 2 |
On |
On |
Off |
|
166MHz |
66MHz |
2.5x |
2 & 3 |
1 & 2 |
1 & 2 |
On |
On |
Off |
|
200MHz |
66MHz |
3x |
2 & 3 |
1 & 2 |
1 & 2 |
Off |
On |
Off |
|
233MHz |
66MHz |
3.5x |
2 & 3 |
1 & 2 |
1 & 2 |
Off |
Off |
Off |
|
Note: Pins designated should be in the closed position. | ||||||||
|
CPU VOLTAGE SELECTION (SINGLE) | |||||
|
Voltage |
SW1/4 |
SW1/5 |
SW1/6 |
SW1/7 |
SW1/8 |
|
3.3v |
On |
Off |
On |
On |
Off |
|
3.45v |
Off |
On |
On |
On |
Off |
|
3.52v |
On |
On |
On |
On |
Off |
|
CPU VOLTAGE SELECTION (DUAL) | |||||
|
Voltage |
SW1/4 |
SW1/5 |
SW1/6 |
SW1/7 |
SW1/8 |
|
1.30v |
Off |
Off |
Off |
Off |
On |
|
1.35v |
On |
Off |
Off |
Off |
On |
|
1.40v |
Off |
On |
Off |
Off |
On |
|
1.45v |
On |
On |
Off |
Off |
On |
|
1.50v |
Off |
Off |
On |
Off |
On |
|
1.55v |
On |
Off |
On |
Off |
On |
|
1.60v |
Off |
On |
On |
Off |
On |
|
1.65v |
On |
On |
On |
Off |
On |
|
1.70v |
Off |
Off |
Off |
On |
On |
|
1.75v |
On |
Off |
Off |
On |
On |
|
1.80v |
Off |
On |
Off |
On |
On |
|
1.85v |
On |
On |
Off |
On |
On |
|
1.90v |
Off |
Off |
On |
On |
On |
|
1.95v |
On |
Off |
On |
On |
On |
|
2.0v |
Off |
On |
On |
On |
On |
|
2.05v |
On |
On |
On |
On |
On |
|
2.1v |
On |
Off |
Off |
Off |
Off |
|
2.2v |
Off |
On |
Off |
Off |
Off |
|
2.3v |
On |
On |
Off |
Off |
Off |
|
2.4v |
Off |
Off |
On |
Off |
Off |
|
2.5v |
On |
Off |
On |
Off |
Off |
|
2.6v |
Off |
On |
On |
Off |
Off |
|
2.7v |
On |
On |
On |
Off |
Off |
|
2.8v |
Off |
Off |
Off |
On |
Off |
|
2.9v |
On |
Off |
Off |
On |
Off |
|
3.0v |
Off |
On |
Off |
On |
Off |
|
3.1v |
On |
On |
Off |
On |
Off |
|
3.2v |
Off |
Off |
On |
On |
Off |
|
3.3v |
On |
Off |
On |
On |
Off |
|
3.4v |
Off |
On |
On |
On |
Off |
|
3.5v |
On |
On |
On |
On |
Off |