ASUS COMPUTER INTERNATIONAL

TX97-XE (REV. 3.02)

Device Type

Mainboard

Processor

CX 6X86/IBM 6X86/CX 6X86 MX/IBM 6X86MX/AM K5/AM K6/Pentium/Pentium MMX

Processor Speed

75/90/100/120/133/150/166/200/233MHz

Chip Set

Intel 430TX

Maximum Onboard Memory

256MB (EDO supported)

Cache

512KB

BIOS

Unidentified

Dimensions

305mm x 244mm

I/O Options

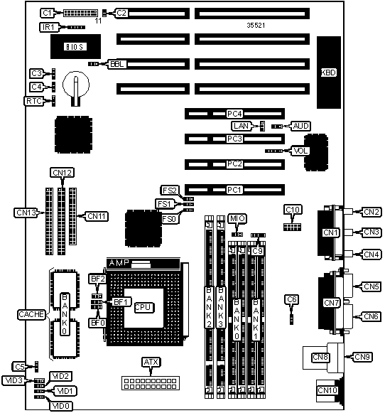
32-bit PCI slots (4), floppy drive interface, green PC connector, IDE interfaces (2), parallel port, PS/2 mouse port, serial ports (2), IR connector, USB connectors (2), ATX power connector, microphone in, line in, line out, Audio in - CD-ROM (1), game/MIDI port

CONNECTIONS

Purpose

Location

Purpose

Location

ATX power connector

ATX

Line in

CN3

Turbo LED

C1/pins 2 & 3

Line out

CN4

Green PC connector

C1/pins 4 & 5

Serial port 2

CN5

Reset switch

C1/pins 9 & 10

Serial port 1

CN6

Power LED & keylock

C1/pins 11 – 15

Parallel port

CN7

Speaker

C1/pins 17 - 20

USB connector 1

CN8

IDE interface LED

C2

USB connector 2

CN9

Chassis alarm

C3

PS/2 mouse port

CN10

Chassis fan power

C4

Floppy drive interface

CN11

CPU fan power

C5

IDE interface 2

CN12

Chassis fan power

C6

IDE interface 1

CN13

Audio in - CD-ROM (Sony)

C9

IR connector

IR1

Creative Modem connector

C10

Wake on LAN activity connector

LAN

Game/MIDI port

CN1

32-bit PCI slots

PC1 – PC4

Microphone in

CN2

Volume control

VOL

USER CONFIGURABLE SETTINGS

Function

Label

Position

»

On board audio enabled

AUD

Pins 2 & 3 closed

 

On board audio disabled

AUD

Pins 1 & 2 closed

 

Flash BIOS programming disabled

BBL

Pins 1 & 2 closed

 

Flash BIOS programming enabled

BBL

Pins 2 & 3 closed

»

On board I/O enabled

MIO

Pins 1 & 2 closed

 

On board I/O disabled

MIO

Pins 2 & 3 closed

»

CMOS memory normal operation

RTC

Pins 1 & 2 closed

 

CMOS memory clear

RTC

Pins 2 & 3 closed

SIMM CONFIGURATION

Size

Bank 0

Bank 1

8MB

(2) 1M x 36

None

16MB

(2) 2M x 36

None

16MB

(2) 1M x 36

(2) 1M x 36

24MB

(2) 2M x 36

(2) 1M x 36

32MB

(2) 4M x 36

None

32MB

(2) 2M x 36

(2) 2M x 36

40MB

(2) 4M x 36

(2) 1M x 36

48MB

(2) 4M x 36

(2) 2M x 36

64MB

(2) 8M x 36

None

64MB

(2) 4M x 36

(2) 4M x 36

72MB

(2) 8M x 36

(2) 1M x 36

80MB

(2) 8M x 36

(2) 2M x 36

SIMM CONFIGURATION (CON’T)

Size

Bank 0

Bank 1

96MB

(2) 8M x 36

(2) 4M x 36

128MB

(2) 8M x 36

(2) 8M x 36

128MB

(2) 16M x 36

None

136MB

(2) 16M x 36

(2) 1M x 36

144MB

(2) 16M x 36

(2) 2M x 36

160MB

(2) 16M x 36

(2) 4M x 36

192MB

(2) 16M x 36

(2) 8M x 36

256MB

(2) 16M x 36

(2) 16M x 36

Note: Board accepts EDO memory. Do not install SIMMS & DIMMs at the same time.

DIMM CONFIGURATION

Size

Bank 0

Bank 1

8MB

(1) 1M x 64

None

16MB

(1) 2M x 64

None

16MB

(1) 1M x 64

(1) 1M x 64

24MB

(1) 2M x 64

(1) 1M x 64

32MB

(1) 4M x 64

None

32MB

(1) 2M x 64

(1) 2M x 64

40MB

(1) 4M x 64

(1) 1M x 64

48MB

(1) 4M x 64

(1) 2M x 64

64MB

(1) 8M x 64

None

64MB

(1) 4M x 64

(1) 4M x 64

72MB

(1) 8M x 64

(1) 1M x 64

80MB

(1) 8M x 64

(1) 2M x 64

96MB

(1) 8M x 64

(1) 4M x 64

128MB

(1) 16M x 64

None

128MB

(1) 8M x 64

(1) 8M x 64

136MB

(1) 16M x 64

(1) 1M x 64

144MB

(1) 16M x 64

(1) 2M x 64

160MB

(1) 16M x 64

(1) 4M x 64

192MB

(1) 16M x 64

(1) 8M x 64

256MB

(1) 16M x 64

(1) 16M x 64

CACHE CONFIGURATION

Size

Bank 0

512KB

(2) 32K x 32

CPU SPEED SELECTION (CX 6X86)

CPU speed

Clock speed

Multiplier

BF0

BF1

BF2

FS0

FS1

FS2

166MHz

66MHz

2x

2 & 3

1 & 2

Open

2 & 3

1 & 2

2 & 3

Note: Pins designated should be in the closed position.

CPU SPEED SELECTION (IBM 6X86)

CPU speed

Clock speed

Multiplier

BF0

BF1

BF2

FS0

FS1

FS2

166MHz

66MHz

2x

2 & 3

1 & 2

Open

2 & 3

1 & 2

2 & 3

Note: Pins designated should be in the closed position.

CPU SPEED SELECTION (CX 6X86MX)

CPU speed

Clock speed

Multiplier

BF0

BF1

BF2

FS0

FS1

FS2

166MHz

60MHz

2.5x

2 & 3

2 & 3

Open

1 & 2

2 & 3

2 & 3

200MHz

66MHz

2.5x

2 & 3

2 & 3

Open

2 & 3

1 & 2

2 & 3

233MHz

66MHz

3x

1 & 2

2 & 3

Open

2 & 3

1 & 2

2 & 3

Note: Pins designated should be in the closed position.

CPU SPEED SELECTION (IBM 6X86MX)

CPU speed

Clock speed

Multiplier

BF0

BF1

BF2

FS0

FS1

FS2

166MHz

60MHz

2.5x

2 & 3

2 & 3

Open

1 & 2

2 & 3

2 & 3

200MHz

66MHz

2.5x

2 & 3

2 & 3

Open

2 & 3

1 & 2

2 & 3

233MHz

66MHz

3x

1 & 2

2 & 3

Open

2 & 3

1 & 2

2 & 3

Note: Pins designated should be in the closed position.

CPU SPEED SELECTION (AM K5)

CPU speed

Clock speed

Multiplier

BF0

BF1

BF2

FS0

FS1

FS2

75MHz

50MHz

1.5x

1 & 2

1 & 2

Open

2 & 3

2 & 3

2 & 3

90MHz

60MHz

1.5x

1 & 2

1 & 2

Open

1 & 2

2 & 3

2 & 3

100MHz

66MHz

1.5x

1 & 2

1 & 2

Open

2 & 3

1 & 2

2 & 3

120MHz

60MHz

1.5x

1 & 2

1 & 2

Open

2 & 3

2 & 3

2 & 3

133MHz

66MHz

1.5x

1 & 2

1 & 2

Open

2 & 3

1 & 2

2 & 3

Note: Pins designated should be in the closed position.

CPU SPEED SELECTION (AM K6)

CPU speed

Clock speed

Multiplier

BF0

BF1

BF2

FS0

FS1

FS2

166MHz

66MHz

2.5x

2 & 3

2 & 3

Open

2 & 3

1 & 2

2 & 3

200MHz

66MHz

3x

1 & 2

2 & 3

Open

2 & 3

1 & 2

2 & 3

233MHz

66MHz

3.5x

1 & 2

1 & 2

Open

2 & 3

1 & 2

2 & 3

Note: Pins designated should be in the closed position.

CPU SPEED SELECTION (INTEL)

CPU speed

Clock speed

Multiplier

BF0

BF1

BF2

FS0

FS1

FS2

75MHz

50MHz

1.5x

1 & 2

1 & 2

Open

2 & 3

2 & 3

2 & 3

90MHz

60MHz

1.5x

1 & 2

1 & 2

Open

1 & 2

2 & 3

2 & 3

100MHz

66MHz

1.5x

1 & 2

1 & 2

Open

2 & 3

1 & 2

2 & 3

120MHz

60MHz

2x

2 & 3

1 & 2

Open

1 & 2

2 & 3

2 & 3

133MHz

66MHz

2x

2 & 3

1 & 2

Open

2 & 3

1 & 2

2 & 3

150MHz

60MHz

2.5x

2 & 3

2 & 3

Open

1 & 2

2 & 3

2 & 3

166MHz

66MHz

2.5x

2 & 3

2 & 3

Open

2 & 3

1 & 2

2 & 3

200MHz

66MHz

3x

1 & 2

2 & 3

Open

2 & 3

1 & 2

2 & 3

Note: Pins designated should be in the closed position.

CPU SPEED SELECTION (INTEL MMX)

CPU speed

Clock speed

Multiplier

BF0

BF1

BF2

FS0

FS1

FS2

166MHz

66MHz

2.5x

2 & 3

2 & 3

Open

2 & 3

1 & 2

2 & 3

200MHz

66MHz

3x

1 & 2

2 & 3

Open

2 & 3

1 & 2

2 & 3

233MHz

66MHz

3.5x

1 & 2

1 & 2

Open

2 & 3

1 & 2

2 & 3

Note: Pins designated should be in the closed position.

CPU VOLTAGE SELECTION (SINGLE)

Voltage

VID0

VID1

VID2

3.4v

Pins 2 & 3 closed

Pins 2 & 3 closed

Pins 2 & 3 closed

3.5v

Pins 1 & 2 closed

Pins 2 & 3 closed

Pins 2 & 3 closed

CPU VOLTAGE SELECTION (DUAL)

Voltage

VID0

VID1

VID2

VID3

1.8v

Open

Open

Open

Pins 1 & 2 closed

1.9v

Open

Open

Open

Pins 2 & 3 closed

2.1v

Pins 1 & 2 closed

Pins 2 & 3 closed

Open

Open

2.5v

Pins 1 & 2 closed

Pins 2 & 3 closed

Pins 1 & 2 closed

Open

2.7v

Pins 1 & 2 closed

Pins 1 & 2 closed

Pins 1 & 2 closed

Open

2.8v

Pins 2 & 3 closed

Pins 2 & 3 closed

Pins 2 & 3 closed

Open

2.9v

Pins 1 & 2 closed

Pins 2 & 3 closed

Pins 2 & 3 closed

Open

3.2v

Pins 2 & 3 closed

Pins 2 & 3 closed

Pins 1 & 2 closed

Open