ACER, INC.
AX53
|
Device Type |
Mainboard |
|
Processor |
CX 6X86/AM K5/AM K6/Pentium/Pentium MMX |
|
Processor Speed |
75/90/100/120/133/150/166/200MHz |
|
Chip Set |
Intel |
|
Video Chip Set |
None |
|
Maximum Onboard Memory |
512MB (EDO & SDRAM supported) |
|
Maximum Video Memory |
None |
|
Cache |
256/512KB |
|
BIOS |
AMI |
|
Dimensions |
284mm x 208mm |
|
I/O Options |
32-bit PCI slots (4), floppy drive interface, green PC connector, IDE interfaces (2), parallel port, PS/2 mouse port, serial ports (2), cache slot, IR connector, USB connector, ATX power connector |
|
NPU Options |
None |
|
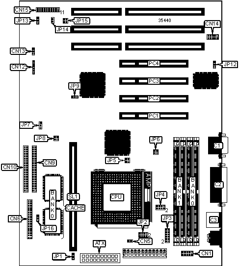
CONNECTIONS | |||
|
Purpose |
Location |
Purpose |
Location |
|
ATX power connector |
ATX |
IDE interface LED |
CN13 |
|
Serial port 2 |
C1 |
USB connector |
CN14 |
|
Parallel port |
C2 |
Power LED & keylock |
CN15/pins 1 - 5 |
|
PS/2 mouse port |
C3 |
Speaker |
CN15/pins 7 - 10 |
|
Serial port 1 |
CN1 |
Green PC LED |
CN15/pins 12 & 13 |
|
CPU fan power |
CN5 |
Green PC connector |
CN15/pins 15 - 17 |
|
Floppy drive interface |
CN6 |
Reset switch |
CN15/pins 19 & 20 |
|
IDE interface 2 |
CN9 |
32-bit PCI slots |
PC1 - PC4 |
|
IDE interface 1 |
CN10 |
Cache slot |
SL1 |
|
IR connector |
CN12 | ||
|
USER CONFIGURABLE SETTINGS | |||
|
Function |
Label |
Position | |
|
» |
ATX power supply enabled |
JP1 |
Pins 2 & 3 closed |
|
ATX power supply disabled |
JP1 |
Pins 1 & 2 closed | |
|
» |
CMOS memory normal operation |
JP9 |
Pins 1 & 2 closed |
|
CMOS memory clear |
JP9 |
Pins 2 & 3 closed | |
|
» |
On board I/O enabled |
JP12 |
Pins 1 & 2 closed |
|
On board I/O disabled |
JP12 |
Pins 2 & 3 closed | |
|
» |
Factory configured - do not alter |
JP13 |
Unidentified |
|
» |
PS/2 mouse enabled |
JP14 |
Closed |
|
PS/2 mouse disabled |
JP14 |
Open | |
|
» |
Keyboard clock select ISA clock |
JP15 |
Pins 1 & 2 closed |
|
Keyboard clock select 12MHz |
JP15 |
Pins 3 & 4 closed | |
|
SIMM CONFIGURATION | ||
|
Size |
Bank 0 |
Bank 1 |
|
8MB |
(2) 1M x 36 |
None |
|
16MB |
(2) 2M x 36 |
None |
|
16MB |
(2) 1M x 36 |
(2) 1M x 36 |
|
24MB |
(2) 2M x 36 |
(2) 1M x 36 |
|
32MB |
(2) 4M x 36 |
None |
|
32MB |
(2) 2M x 36 |
(2) 2M x 36 |
|
40MB |
(2) 4M x 36 |
(2) 1M x 36 |
|
48MB |
(2) 4M x 36 |
(2) 2M x 36 |
|
64MB |
(2) 8M x 36 |
None |
|
64MB |
(2) 4M x 36 |
(2) 4M x 36 |
|
72MB |
(2) 8M x 36 |
(2) 1M x 36 |
|
SIMM CONFIGURATION (CON'T) | ||
|
Size |
Bank 0 |
Bank 1 |
|
80MB |
(2) 8M x 36 |
(2) 2M x 36 |
|
96MB |
(2) 8M x 36 |
(2) 4M x 36 |
|
128MB |
(2) 8M x 36 |
(2) 8M x 36 |
|
128MB |
(2) 16M x 36 |
None |
|
136MB |
(2) 16M x 36 |
(2) 1M x 36 |
|
144MB |
(2) 16M x 36 |
(2) 2M x 36 |
|
160MB |
(2) 16M x 36 |
(2) 4M x 36 |
|
192MB |
(2) 16M x 36 |
(2) 8M x 36 |
|
256MB |
(2) 16M x 36 |
(2) 16M x 36 |
|
256MB |
(2) 32M x 36 |
None |
|
264MB |
(2) 32M x 36 |
(2) 1M x 36 |
|
272MB |
(2) 32M x 36 |
(2) 2M x 36 |
|
288MB |
(2) 32M x 36 |
(2) 4M x 36 |
|
320MB |
(2) 32M x 36 |
(2) 8M x 36 |
|
384MB |
(2) 32M x 36 |
(2) 16M x 36 |
|
512MB |
(2) 32M x 36 |
(2) 32M x 36 |
|
Note: Board accepts EDO memory. | ||
|
CACHE CONFIGURATION | ||
|
Size |
Bank 0 |
SL1 |
|
256KB |
(2) 32K x 32 |
Not installed |
|
512KB |
(2) 32K x 32 |
256KB module installed |
|
CACHE JUMPER CONFIGURATION | |
|
Size |
JP7 |
|
256KB |
Pins 1 & 2 closed |
|
512KB |
Pins 2 & 3 closed |
|
CACHE MODULE CONFIGURATION | |
|
Type |
JP16 |
|
Module with TAG |
Pins 2 & 3 closed |
|
Module without TAG |
Pins 1 & 2 closed |
|
CPU SPEED SELECTION (CX 6X86) | ||||||
|
CPU speed |
Clock speed |
Multiplier |
JP2 |
JP4 |
JP5 |
JP8 |
|
120MHz |
50MHz |
2x |
Open |
1 & 2, 3 & 4, 5 & 6 |
Open |
1 & 2, 3 & 4 |
|
133MHz |
55MHz |
2x |
Open |
1 & 2, 3 & 4, 5 & 6 |
Open |
Open |
|
150MHz |
60MHz |
2x |
Open |
1 & 2, 3 & 4, 5 & 6 |
Open |
1 & 2 |
|
Note: Pins designated should be in the closed position. | ||||||
|
CPU SPEED SELECTION (AM K5) | ||||||
|
CPU speed |
Clock speed |
Multiplier |
JP2 |
JP4 |
JP5 |
JP8 |
|
75MHz |
50MHz |
1.5x |
1 & 2 |
1 & 2, 3 & 4, 5 & 6 |
Open |
1 & 2, 3 & 4 |
|
90MHz |
60MHz |
1.5x |
1 & 2 |
1 & 2, 3 & 4, 5 & 6 |
Open |
1 & 2 |
|
100MHz |
66MHz |
1.5x |
1 & 2 |
1 & 2, 3 & 4, 5 & 6 |
Open |
3 & 4 |
|
Note: Pins designated should be in the closed position. | ||||||
|
CPU SPEED SELECTION (INTEL) | ||||||
|
CPU speed |
Clock speed |
Multiplier |
JP2 |
JP4 |
JP5 |
JP8 |
|
75MHz |
50MHz |
1.5x |
1 & 2, 3 & 4 |
1 & 2, 3 & 4, 5 & 6 |
Open |
1 & 2, 3 & 4 |
|
90MHz |
60MHz |
1.5x |
1 & 2, 3 & 4 |
1 & 2, 3 & 4, 5 & 6 |
Open |
1 & 2 |
|
100MHz |
66MHz |
1.5x |
1 & 2, 3 & 4 |
1 & 2, 3 & 4, 5 & 6 |
Open |
3 & 4 |
|
120MHz |
60MHz |
2x |
3 & 4, 5 & 6 |
1 & 2, 3 & 4, 5 & 6 |
Open |
1 & 2 |
|
133MHz |
66MHz |
2x |
3 & 4, 5 & 6 |
1 & 2, 3 & 4, 5 & 6 |
Open |
3 & 4 |
|
150MHz |
60MHz |
2.5x |
5 & 6, 7 & 8 |
1 & 2, 3 & 4, 5 & 6 |
Open |
1 & 2 |
|
166MHz |
66MHz |
2.5x |
5 & 6, 7 & 8 |
1 & 2, 3 & 4, 5 & 6 |
Open |
3 & 4 |
|
200MHz |
66MHz |
3x |
1 & 2, 7 & 8 |
1 & 2, 3 & 4, 5 & 6 |
Open |
3 & 4 |
|
Note: Pins designated should be in the closed position. | ||||||
|
CPU SPEED SELECTION (INTEL MMX) | ||||||
|
CPU speed |
Clock speed |
Multiplier |
JP2 |
JP4 |
JP5 |
JP8 |
|
150MHz |
60MHz |
2.5x |
5 & 6, 7 & 8 |
Open |
1 & 2, 3 & 4 |
1 & 2 |
|
166MHz |
66MHz |
2.5x |
5 & 6, 7 & 8 |
Open |
1 & 2, 3 & 4 |
3 & 4 |
|
200MHz |
66MHz |
3x |
1 & 2, 7 & 8 |
Open |
1 & 2, 3 & 4 |
3 & 4 |
|
Note: Pins designated should be in the closed position. | ||||||
|
CPU VOLTAGE SELECTION (SINGLE) | ||
|
Voltage |
JP6 | |
| » |
3.45v |
Pins 1 & 2 closed |
|
3.52v |
Pins 3 & 4 closed | |
|
CPU VOLTAGE SELECTION (DUAL) | ||
|
V core |
JP3 | |
|
2.5v |
Pins 11 & 12 closed | |
|
2.7v |
Pins 9 & 10 closed | |
|
2.8v |
Pins 7 & 8 closed | |
|
2.9v |
Pins 5 & 6 closed | |
| » |
3.43v |
Pins 3 & 4 closed |
|
3.52v |
Pins 1 & 2 closed | |