ACER, INC.
AX6F
| Device Type | Mainboard | 
| Processor | Pentium II | 
| Processor Speed | 200/233/266MHz | 
| Chip Set | Intel | 
| Video Chip Set | None | 
| Maximum Onboard Memory | 512MB (EDO supported) | 
| Maximum Video Memory | None | 
| Cache | 256/512KB (located on Pentium II CPU) | 
| BIOS | Award | 
| Dimensions | 305mm x 244mm | 
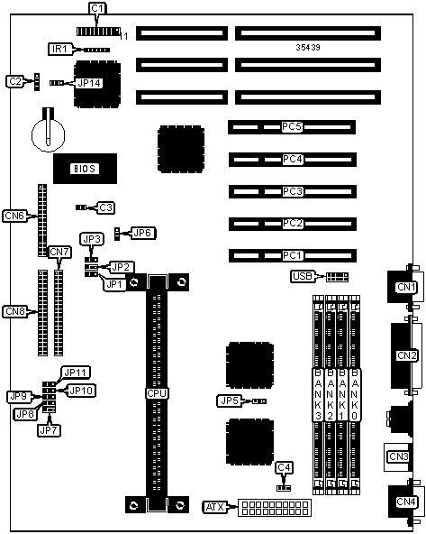
| I/O Options | 32-bit PCI slots (5), floppy drive interface, green PC connector, IDE interfaces (2), parallel port, PS/2 mouse port, serial ports (2), IR connector, USB connectors (2), ATX power connector | 
| NPU Options | None | 
 
| CONNECTIONS | |||
| Purpose | Location | Purpose | Location | 
| ATX power connector | ATX | Parallel port | CN2 | 
| Power LED & keylock | C1/pins 1 - 5 | PS/2 mouse port | CN3 | 
| Speaker | C1/pins 7 - 10 | Serial port 1 | CN4 | 
| Green PC LED | C1/pins 12 & 13 | Floppy drive interface | CN6 | 
| Green PC connector | C1/pins 15 - 17 | IDE interface 1 | CN7 | 
| Reset switch | C1/pins 19 & 20 | IDE interface 2 | CN8 | 
| IDE interface LED | C2 | IR connector | IR1 | 
| Soft off power supply | C3 | 32-bit PCI slots | PC1 - PC5 | 
| CPU fan power | C4 | USB connector | USB | 
| Serial port 2 | CN1 | ||
| USER CONFIGURABLE SETTINGS | |||
| Function | Label | Position | |
| » | Factory configured - do not alter | JP7 | Open | 
| » | Factory configured - do not alter | JP8 | Open | 
| » | Factory configured - do not alter | JP9 | Open | 
| » | Factory configured - do not alter | JP10 | Open | 
| » | Factory configured - do not alter | JP11 | Open | 
| » | CMOS memory normal operation | JP14 | Pins 1 & 2 closed | 
| CMOS memory clear | JP14 | Pins 2 & 3 closed | |
| SIMM CONFIGURATION | ||||
| Size | Bank 0 | Bank 1 | Bank 2 | Bank 3 | 
| 8MB | (2) 1M x 36 | None | None | None | 
| 16MB | (2) 2M x 36 | None | None | None | 
| 16MB | (2) 1M x 36 | (2) 1M x 36 | None | None | 
| 24MB | (2) 2M x 36 | (2) 1M x 36 | None | None | 
| 24MB | (2) 1M x 36 | (2) 1M x 36 | (2) 1M x 36 | None | 
| 32MB | (2) 4M x 36 | None | None | None | 
| 32MB | (2) 2M x 36 | (2) 2M x 36 | None | None | 
| 32MB | (2) 1M x 36 | (2) 1M x 36 | (2) 1M x 36 | (2) 1M x 36 | 
| 40MB | (2) 4M x 36 | (2) 1M x 36 | None | None | 
| 48MB | (2) 4M x 36 | (2) 2M x 36 | None | None | 
| 48MB | (2) 2M x 36 | (2) 2M x 36 | (2) 2M x 36 | None | 
| 64MB | (2) 2M x 36 | (2) 2M x 36 | (2) 2M x 36 | (2) 2M x 36 | 
| 64MB | (2) 8M x 36 | None | None | None | 
| SIMM CONFIGURATION (CON'T) | ||||
| Size | Bank 0 | Bank 1 | Bank 2 | Bank 3 | 
| 64MB | (2) 4M x 36 | (2) 4M x 36 | None | None | 
| 72MB | (2) 8M x 36 | (2) 1M x 36 | None | None | 
| 80MB | (2) 8M x 36 | (2) 2M x 36 | None | None | 
| 96MB | (2) 8M x 36 | (2) 4M x 36 | None | None | 
| 96MB | (2) 4M x 36 | (2) 4M x 36 | (2) 4M x 36 | None | 
| 128MB | (2) 16M x 36 | None | None | None | 
| 128MB | (2) 8M x 36 | (2) 8M x 36 | None | None | 
| 128MB | (2) 4M x 36 | (2) 4M x 36 | (2) 4M x 36 | (2) 4M x 36 | 
| 136MB | (2) 16M x 36 | (2) 1M x 36 | None | None | 
| 144MB | (2) 16M x 36 | (2) 2M x 36 | None | None | 
| 152MB | (2) 16M x 36 | (2) 1M x 36 | (2) 1M x 36 | (2) 1M x 36 | 
| 160MB | (2) 16M x 36 | (2) 4M x 36 | None | None | 
| 176MB | (2) 16M x 36 | (2) 2M x 36 | (2) 2M x 36 | (2) 2M x 36 | 
| 192MB | (2) 16M x 36 | (2) 8M x 36 | None | None | 
| 192MB | (2) 8M x 36 | (2) 8M x 36 | (2) 8M x 36 | None | 
| 224MB | (2) 16M x 36 | (2) 4M x 36 | (2) 4M x 36 | (2) 4M x 36 | 
| 256MB | (2) 16M x 36 | (2) 16M x 36 | None | None | 
| 256MB | (2) 8M x 36 | (2) 8M x 36 | (2) 8M x 36 | (2) 8M x 36 | 
| 272MB | (2) 16M x 36 | (2) 16M x 36 | (2) 1M x 36 | (2) 1M x 36 | 
| 288MB | (2) 16M x 36 | (2) 16M x 36 | (2) 2M x 36 | (2) 2M x 36 | 
| 320MB | (2) 16M x 36 | (2) 16M x 36 | (2) 4M x 36 | (2) 4M x 36 | 
| 320MB | (2) 16M x 36 | (2) 8M x 36 | (2) 8M x 36 | (2) 8M x 36 | 
| 384MB | (2) 16M x 36 | (2) 16M x 36 | (2) 16M x 36 | None | 
| 512MB | (2) 16M x 36 | (2) 16M x 36 | (2) 16M x 36 | (2) 16M x 36 | 
| Note: Board accepts EDO memory. | ||||
| CACHE CONFIGURATION | 
| Note: 256KB/512KB cache is located on the Pentium II CPU. | 
| CPU SPEED SELECTION | |||||||
| CPU speed | Clock speed | Multiplier | JP1 | JP2 | JP3 | JP5 | JP6 | 
| 200MHz | 66MHz | 3x | 1 & 2 | 2 & 3 | 1 & 2 | 1 & 2 | 1 & 2 | 
| 233MHz | 66MHz | 3.5x | 1 & 2 | 2 & 3 | 2 & 3 | 1 & 2 | 1 & 2 | 
| 266MHz | 66MHz | 4x | 2 & 3 | 1 & 2 | 1 & 2 | 1 & 2 | 1 & 2 | 
| Note: Pins designated should be in the closed position. | |||||||