ACER, INC.

AX5TC

Device Type

Mainboard

Processor

CX 6X86/CX 6X86L/CX 686MX/AM K5/AM K6/IDT/Pentium/Pentium MMX

Processor Speed

90/100/120/133/150/166/180/200/233/266/300MHz

Chip Set

Intel

Video Chip Set

None

Maximum Onboard Memory

256MB (EDO & SDRAM supported)

Maximum Video Memory

None

Cache

512KB

BIOS

Award

Dimensions

305mm x 208mm

I/O Options

32-bit PCI slots (4), floppy drive interface, green PC connector, IDE interfaces (2), parallel port, PS/2 mouse port, serial ports (2), IR connector, USB connectors (2), ATX power connector

NPU Options

None

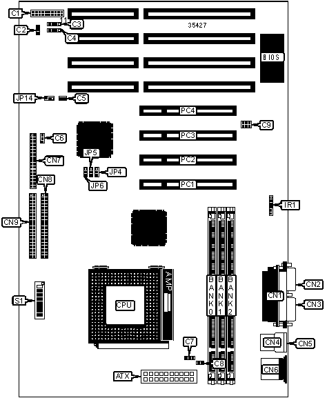
CONNECTIONS

Purpose

Location

Purpose

Location

ATX power connector

ATX

Parallel port

CN1

Power LED & keylock

C1/pins 1 - 5

Serial port 2

CN2

Speaker

C1/pins 7 - 10

Serial port 1

CN3

Reset switch

C1/pins 19 & 20

USB connector 1

CN4

Wake on LAN connector

C2

USB connector 2

CN5

Wake on modem connector

C3

PS/2 mouse port

CN6

IDE interface LED

C4

Floppy drive interface

CN7

Soft off power supply

C5

IDE interface 2

CN8

Chassis fan power

C6

IDE interface 1

CN9

Chassis fan power

C7

IR connector

IR1

Chassis fan power

C8

32-bit PCI slots

PC1 - PC4

SB link connector

C9

 

 

USER CONFIGURABLE SETTINGS

Function

Label

Position

»

CMOS memory normal operation

JP14

Pins 1 & 2 closed

 

CMOS memory clear

JP14

Pins 2 & 3 closed

DIMM CONFIGURATION

Size

Bank 0

Bank 1

Bank 2

8MB

(1) 1M x 64

None

None

16MB

(1) 2M x 64

None

None

16MB

(1) 1M x 64

(1) 1M x 64

None

24MB

(1) 2M x 64

(1) 1M x 64

None

24MB

(1) 1M x 64

(1) 1M x 64

(1) 1M x 64

32MB

(1) 4M x 64

None

None

32MB

(1) 2M x 64

(1) 1M x 64

(1) 1M x 64

32MB

(1) 2M x 64

(1) 2M x 64

None

40MB

(1) 4M x 64

(1) 1M x 64

None

40MB

(1) 2M x 64

(1) 2M x 64

(1) 1M x 64

48MB

(1) 4M x 64

(1) 1M x 64

(1) 1M x 64

48MB

(1) 4M x 64

(1) 2M x 64

None

48MB

(1) 2M x 64

(1) 2M x 64

(1) 2M x 64

56MB

(1) 4M x 64

(1) 2M x 64

(1) 1M x 64

64MB

(1) 8M x 64

None

None

64MB

(1) 4M x 64

(1) 2M x 64

(1) 2M x 64

64MB

(1) 4M x 64

(1) 4M x 64

None

DIMM CONFIGURATION (CON'T)

Size

Bank 0

Bank 1

Bank 2

72MB

(1) 8M x 64

(1) 1M x 64

None

72MB

(1) 4M x 64

(1) 4M x 64

(1) 1M x 64

80MB

(1) 8M x 64

(1) 1M x 64

(1) 1M x 64

80MB

(1) 8M x 64

(1) 2M x 64

None

80MB

(1) 4M x 64

(1) 4M x 64

(1) 2M x 64

88MB

(1) 8M x 64

(1) 2M x 64

(1) 1M x 64

96MB

(1) 8M x 64

(1) 2M x 64

(1) 2M x 64

96MB

(1) 8M x 64

(1) 4M x 64

None

96MB

(1) 4M x 64

(1) 4M x 64

(1) 4M x 64

104MB

(1) 8M x 64

(1) 4M x 64

(1) 1M x 64

112MB

(1) 8M x 64

(1) 4M x 64

(1) 2M x 64

128MB

(1) 16M x 64

None

None

128MB

(1) 8M x 64

(1) 4M x 64

(1) 4M x 64

128MB

(1) 8M x 64

(1) 8M x 64

None

136MB

(1) 16M x 64

(1) 1M x 64

None

136MB

(1) 8M x 64

(1) 8M x 64

(1) 1M x 64

144MB

(1) 16M x 64

(1) 1M x 64

(1) 1M x 64

144MB

(1) 16M x 64

(1) 2M x 64

None

144MB

(1) 8M x 64

(1) 8M x 64

(1) 2M x 64

152MB

(1) 16M x 64

(1) 2M x 64

(1) 1M x 64

160MB

(1) 16M x 64

(1) 2M x 64

(1) 2M x 64

160MB

(1) 16M x 64

(1) 4M x 64

None

160MB

(1) 8M x 64

(1) 8M x 64

(1) 4M x 64

168MB

(1) 16M x 64

(1) 4M x 64

(1) 1M x 64

176MB

(1) 16M x 64

(1) 4M x 64

(1) 2M x 64

192MB

(1) 16M x 64

(1) 4M x 64

(1) 4M x 64

192MB

(1) 16M x 64

(1) 8M x 64

None

192MB

(1) 8M x 64

(1) 8M x 64

(1) 8M x 64

200MB

(1) 16M x 64

(1) 8M x 64

(1) 1M x 64

208MB

(1) 16M x 64

(1) 8M x 64

(1) 2M x 64

224MB

(1) 16M x 64

(1) 8M x 64

(1) 4M x 64

256MB

(1) 16M x 64

(1) 8M x 64

(1) 8M x 64

Note: Board accepts EDO & SDRAM memory.

CACHE CONFIGURATION

Note: The location of the cache is unidentified.

CPU SPEED SELECTION (CX 6X86)

CPU speed

Clock speed

Multiplier

S1/1

S1/2

S1/3

JP4

JP5

JP6

150MHz

60MHz

2x

On

Off

Off

2 & 3

1 & 2

1 & 2

166MHz

66MHz

2x

On

Off

Off

1 & 2

1 & 2

1 & 2

200MHz

75MHz

2x

On

Off

Off

1 & 2

2 & 3

1 & 2

Note: Pins designated should be in the closed position.

CPU SPEED SELECTION (CX 6X86L)

CPU speed

Clock speed

Multiplier

S1/1

S1/2

S1/3

JP4

JP5

JP6

150MHz

60MHz

2x

On

Off

Off

2 & 3

1 & 2

1 & 2

166MHz

66MHz

2x

On

Off

Off

1 & 2

1 & 2

1 & 2

200MHz

75MHz

2x

On

Off

Off

1 & 2

2 & 3

1 & 2

Note: Pins designated should be in the closed position.

CPU SPEED SELECTION (CX 6X86MX)

CPU speed

Clock speed

Multiplier

S1/1

S1/2

S1/3

JP4

JP5

JP6

166MHz

60MHz

2.5x

On

On

Off

2 & 3

1 & 2

1 & 2

200MHz

66MHz

2.5x

On

On

Off

1 & 2

1 & 2

1 & 2

200MHz

75MHz

2x

On

Off

Off

1 & 2

2 & 3

1 & 2

233MHz

66MHz

3x

Off

On

Off

1 & 2

1 & 2

1 & 2

233MHz

83MHz

2x

On

Off

Off

2 & 3

1 & 2

2 & 3

266MHz

66MHz

3.5x

Off

Off

Off

1 & 2

1 & 2

1 & 2

Note: Pins designated should be in the closed position.

CPU SPEED SELECTION (AM K5)

CPU speed

Clock speed

Multiplier

S1/1

S1/2

S1/3

JP4

JP5

JP6

90MHz

60MHz

1.5x

Off

Off

Off

2 & 3

1 & 2

1 & 2

100MHz

66MHz

1.5x

Off

Off

Off

1 & 2

1 & 2

1 & 2

120MHz

60MHz

1.5x

Off

Off

Off

2 & 3

1 & 2

1 & 2

133MHz

66MHz

1.5x

Off

Off

Off

1 & 2

1 & 2

1 & 2

166MHz

66MHz

1.75x

On

On

Off

1 & 2

1 & 2

1 & 2

Note: Pins designated should be in the closed position.

CPU SPEED SELECTION (AM K6)

CPU speed

Clock speed

Multiplier

S1/1

S1/2

S1/3

JP4

JP5

JP6

166MHz

66MHz

2.5x

On

On

Off

1 & 2

1 & 2

1 & 2

200MHz

66MHz

3x

Off

On

Off

1 & 2

1 & 2

1 & 2

233MHz

66MHz

3.5x

Off

Off

Off

1 & 2

1 & 2

1 & 2

266MHz

66MHz

4x

On

Off

On

1 & 2

1 & 2

1 & 2

300MHz

66MHz

4.5x

On

On

On

1 & 2

1 & 2

1 & 2

Note: Pins designated should be in the closed position.

CPU SPEED SELECTION (IDT C6)

CPU speed

Clock speed

Multiplier

S1/1

S1/2

S1/3

JP4

JP5

JP6

150MHz

75MHz

2x

On

Off

Off

1 & 2

2 & 3

1 & 2

180MHz

60MHz

3x

Off

On

Off

2 & 3

1 & 2

1 & 2

200MHz

66MHz

3x

Off

On

Off

1 & 2

1 & 2

1 & 2

Note: Pins designated should be in the closed position.

CPU SPEED SELECTION (INTEL)

CPU speed

Clock speed

Multiplier

S1/1

S1/2

S1/3

JP4

JP5

JP6

90MHz

60MHz

1.5x

Off

Off

Off

2 & 3

1 & 2

1 & 2

100MHz

66MHz

1.5x

Off

Off

Off

1 & 2

1 & 2

1 & 2

120MHz

60MHz

2x

On

Off

Off

2 & 3

1 & 2

1 & 2

133MHz

66MHz

2x

On

Off

Off

1 & 2

1 & 2

1 & 2

150MHz

60MHz

2.5x

On

On

Off

2 & 3

1 & 2

1 & 2

166MHz

66MHz

2.5x

On

On

Off

1 & 2

1 & 2

1 & 2

200MHz

66MHz

3x

Off

On

Off

1 & 2

1 & 2

1 & 2

Note: Pins designated should be in the closed position.

CPU SPEED SELECTION (INTEL MMX)

CPU speed

Clock speed

Multiplier

S1/1

S1/2

S1/3

JP4

JP5

JP6

150MHz

60MHz

2.5x

On

On

Off

2 & 3

1 & 2

1 & 2

166MHz

66MHz

2.5x

On

On

Off

1 & 2

1 & 2

1 & 2

200MHz

66MHz

3x

Off

On

Off

1 & 2

1 & 2

1 & 2

233MHz

66MHz

3.5x

Off

Off

Off

1 & 2

1 & 2

1 & 2

Note: Pins designated should be in the closed position.

CPU VOLTAGE SELECTION

Voltage

S1/4

S1/5

S1/6

S1/7

S1/8

1.30v

Off

Off

Off

Off

On

1.35v

On

Off

Off

Off

On

1.40v

Off

On

Off

Off

On

1.45v

On

On

Off

Off

On

1.50v

Off

Off

On

Off

On

1.55v

On

Off

On

Off

On

1.60v

Off

On

On

Off

On

1.65v

On

On

On

Off

On

1.70v

Off

Off

Off

On

On

1.75v

On

Off

Off

On

On

1.80v

Off

On

Off

On

On

1.85v

On

On

Off

On

On

1.90v

Off

Off

On

On

On

1.95v

On

Off

On

On

On

2.00v

Off

On

On

On

On

2.05v

On

On

On

On

On

2.0v

Off

Off

Off

Off

Off

2.1v

On

Off

Off

Off

Off

2.2v

Off

On

Off

Off

Off

2.3v

On

On

Off

Off

Off

2.4v

Off

Off

On

Off

Off

2.5v

On

Off

On

Off

Off

2.6v

Off

On

On

Off

Off

2.7v

On

On

On

Off

Off

2.8v

Off

Off

Off

On

Off

2.9v

On

Off

Off

On

Off

3.0v

Off

On

Off

On

Off

3.1v

On

On

Off

On

Off

3.2v

Off

Off

On

On

Off

3.3v

On

Off

On

On

Off

3.4v

Off

On

On

On

Off

3.5v

On

On

On

On

Off