ABIT COMPUTER CORPORATION

AB-AX5

Processor

CX 6X86/CX 6X86L/CX 686MX/AM K5/AM K6/Pentium

Processor Speed

100/120/133/150/166/180/200/233/266/300MHz

Chip Set

Intel

Video Chip Set

None

Maximum Onboard Memory

256MB (EDO supported)

Maximum Video Memory

1MB

Cache

512KB

BIOS

Award

Dimensions

254mm x 218mm

I/O Options

32-bit PCI slots (4), floppy drive interface, green PC connector, IDE interfaces (2), parallel port, PS/2 mouse port, serial ports (2), IR connector, USB connectors (2), ATX power connector

NPU Options

None

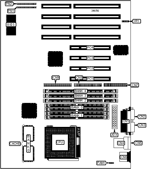
CONNECTIONS

Purpose

Location

Purpose

Location

ATX power connector

ATX

CPU fan power

FAN1

Parallel port

CN1

IR connector

IR1

Serial port 2

CN2

32-bit PCI slots

PC1 - PC4

Serial port 1

CN3

Power LED & keylock

PN1/pins 1 - 5

USB connector

CN4

IDE interface LED

PN1/pins 7 & 8

USB connector

CN5

Soft off power supply

PN1/pins 10 & 11

PS/2 mouse port

CN6

Green PC connector

PN1/pins 13 & 14

Floppy drive interface

CN7

Reset switch

PN2/pins 1 & 2

IDE interface 2

CN8

Speaker

PN2/pins 4 - 7

IDE interface 1

CN9

Green PC LED

PN2/pins 9 & 10

USER CONFIGURABLE SETTINGS

Function

Label

Position

»

CMOS memory normal operation

CMOS

Pins 1 & 2 closed

 

CMOS memory clear

CMOS

Pins 2 & 3 closed

Note: The location of CMOS is unidentified.

SIMM CONFIGURATION

Size

Bank 0

Bank 1

8MB

(2) 1M x 36

None

16MB

(2) 2M x 36

None

16MB

(2) 1M x 36

(2) 1M x 36

24MB

(2) 2M x 36

(2) 1M x 36

32MB

(2) 4M x 36

None

32MB

(2) 2M x 36

(2) 2M x 36

40MB

(2) 4M x 36

(2) 1M x 36

48MB

(2) 4M x 36

(2) 2M x 36

64MB

(2) 8M x 36

None

64MB

(2) 4M x 36

(2) 4M x 36

72MB

(2) 8M x 36

(2) 1M x 36

80MB

(2) 8M x 36

(2) 2M x 36

96MB

(2) 8M x 36

(2) 4M x 36

128MB

(2) 8M x 36

(2) 8M x 36

128MB

(2) 16M x 36

None

136MB

(2) 16M x 36

(2) 1M x 36

144MB

(2) 16M x 36

(2) 2M x 36

160MB

(2) 16M x 36

(2) 4M x 36

192MB

(2) 16M x 36

(2) 8M x 36

256MB

(2) 16M x 36

(2) 16M x 36

Note: Board accepts EDO memory.

DIMM CONFIGURATION

Size

Bank 2

Bank 3

Bank 4

8MB

(1) 1M x 64

None

None

16MB

(1) 2M x 64

None

None

16MB

(1) 1M x 64

(1) 1M x 64

None

24MB

(1) 2M x 64

(1) 1M x 64

None

24MB

(1) 1M x 64

(1) 1M x 64

(1) 1M x 64

32MB

(1) 4M x 64

None

None

32MB

(1) 2M x 64

(1) 2M x 64

None

40MB

(1) 4M x 64

(1) 1M x 64

None

48MB

(1) 4M x 64

(1) 2M x 64

None

48MB

(1) 2M x 64

(1) 2M x 64

(1) 2M x 64

64MB

(1) 8M x 64

None

None

64MB

(1) 4M x 64

(1) 4M x 64

None

72MB

(1) 8M x 64

(1) 1M x 64

None

80MB

(1) 8M x 64

(1) 2M x 64

None

96MB

(1) 8M x 64

(1) 4M x 64

None

96MB

(1) 4M x 64

(1) 4M x 64

(1) 4M x 64

128MB

(1) 16M x 64

None

None

128MB

(1) 8M x 64

(1) 8M x 64

None

136MB

(1) 16M x 64

(1) 1M x 64

None

144MB

(1) 16M x 64

(1) 2M x 64

None

160MB

(1) 16M x 64

(1) 4M x 64

None

192MB

(1) 16M x 64

(1) 8M x 64

None

192MB

(1) 8M x 64

(1) 8M x 64

(1) 8M x 64

256MB

(1) 16M x 64

(1) 16M x 64

None

Note: Board accepts EDO memory.

CACHE CONFIGURATION

Size

Bank 0

512KB

(2) 64K x 32