BCM ADVANCED RESEARCH, INC.

SQ578

Processor

CX 6X86/CX 6X86L/CX 686MX/IDT-C6/AM K5/Pentium

Processor Speed

75/90/100/120/133/150/166/200/233/266/300MHz

Chip Set

SIS

Video Chip Set

Unidentified

Maximum Onboard Memory

256MB

Maximum Video Memory

Unidentified

Cache

256/512KB

BIOS

Unidentified

Dimensions

270mm x 220mm

I/O Options

32-bit PCI slots (4), floppy drive interface, green PC connector, IDE interfaces (2), parallel port, PS/2 mouse interface, serial ports (2), VGA feature connector, VGA interface, IR connector, USB connector

NPU Options

None

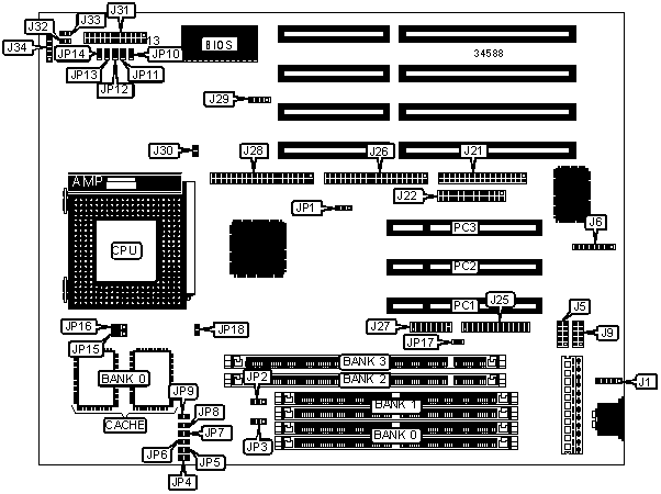
CONNECTIONS

Purpose

Location

Purpose

Location

PS/2 mouse interface

J1

External battery

J29

Serial port 1

J5

Chassis fan power

J30

USB connector

J6

Power LED & keylock

J31/pins 1 - 5

Serial port 2

J9

Speaker

J31/pins 7 - 10

Floppy drive interface

J21

IDE interface LED

J31/pins 12 & 24

Parallel port

J22

Reset switch

J31/pins 21 & 22

VGA feature connector

J25

Green PC connector

J32

IDE interface 2

J26

Green PC LED

J33

VGA interface

J27

IR connector

J34

IDE interface 1

J28

32-bit PCI slots

PC1 – PC4

USER CONFIGURABLE SETTINGS

Function

Label

Position

»

CMOS memory normal operation

JP1

Pins 1 & 2 closed

 

CMOS memory clear

JP1

Pins 2 & 3 closed

 

Cyrix linear bust mode select interleave burst

JP18

Open

 

Cyrix linear bust mode select linear burst

JP18

Closed

SIMM CONFIGURATION

Size

Bank 0

Bank 1

8MB

(2) 1M x 36

None

16MB

(2) 2M x 36

None

16MB

(2) 1M x 36

(2) 1M x 36

24MB

(2) 2M x 36

(2) 1M x 36

32MB

(2) 4M x 36

None

32MB

(2) 2M x 36

(2) 2M x 36

40MB

(2) 4M x 36

(2) 1M x 36

48MB

(2) 4M x 36

(2) 2M x 36

64MB

(2) 8M x 36

None

64MB

(2) 4M x 36

(2) 4M x 36

72MB

(2) 8M x 36

(2) 1M x 36

80MB

(2) 8M x 36

(2) 2M x 36

96MB

(2) 8M x 36

(2) 4M x 36

128MB

(2) 8M x 36

(2) 8M x 36

128MB

(2) 16M x 36

None

136MB

(2) 16M x 36

(2) 1M x 36

144MB

(2) 16M x 36

(2) 2M x 36

160MB

(2) 16M x 36

(2) 4M x 36

192MB

(2) 16M x 36

(2) 8M x 36

256MB

(2) 16M x 36

(2) 16M x 36

Note: Board accepts EDO memory.

DIMM CONFIGURATION

Size

Bank 0

Bank 1

8MB

(1) 1M x 64

None

16MB

(1) 2M x 64

None

16MB

(1) 1M x 64

(1) 1M x 64

24MB

(1) 2M x 64

(1) 1M x 64

32MB

(1) 4M x 64

None

32MB

(1) 2M x 64

(1) 2M x 64

40MB

(1) 4M x 64

(1) 1M x 64

48MB

(1) 4M x 64

(1) 2M x 64

64MB

(1) 8M x 64

None

64MB

(1) 4M x 64

(1) 4M x 64

72MB

(1) 8M x 64

(1) 1M x 64

80MB

(1) 8M x 64

(1) 2M x 64

96MB

(1) 8M x 64

(1) 4M x 64

128MB

(1) 16M x 64

None

128MB

(1) 8M x 64

(1) 8M x 64

136MB

(1) 16M x 64

(1) 1M x 64

144MB

(1) 16M x 64

(1) 2M x 64

160MB

(1) 16M x 64

(1) 4M x 64

192MB

(1) 16M x 64

(1) 8M x 64

256MB

(1) 16M x 64

(1) 16M x 64

DIMM VOLTAGE CONFIGURATION

Voltage

JP2

3.3v

Pins 2 & 3 closed

5v

Pins 1 & 2 closed

CACHE CONFIGURATION

Size

Bank 0

256KB

(2) 32K x 32

512KB

(2) 64K x 32

CPU SPEED SELECTION (CX 6X86/6X86L)

CPU speed

Clock speed

Multiplier

JP4

JP5

JP6

JP7

JP8

JP9

120MHz

50MHz

2x

Closed

Closed

Open

Closed

Open

Open

133MHz

55MHz

2x

Open

Open

Open

Closed

Open

Open

150MHz

60MHz

2x

Open

Closed

Open

Closed

Open

Open

166MHz

66MHz

2x

Closed

Open

Open

Closed

Open

Open

200MHz

75MHz

2x

Closed

Closed

Closed

Closed

Open

Open

CPU SPEED SELECTION (CX 6X86MX)

CPU speed

Clock speed

Multiplier

JP4

JP5

JP6

JP7

JP8

JP9

133MHz

50MHz

2x

Closed

Closed

Open

Closed

Open

Open

133MHz

55MHz

2x

Open

Open

Open

Closed

Open

Open

150MHz

60MHz

2x

Open

Closed

Open

Closed

Open

Open

150MHz

50MHz

2.5x

Closed

Closed

Open

Closed

Closed

Open

166MHz

66MHz

2x

Closed

Open

Open

Closed

Open

Open

166MHz

75MHz

2.5x

Open

Open

Open

Closed

Closed

Open

166MHz

50MHz

3x

Closed

Closed

Open

Open

Closed

Open

166MHz

60MHz

2.5x

Open

Closed

Open

Closed

Closed

Open

200MHz

75MHz

2x

Closed

Closed

Closed

Closed

Open

Open

200MHz

75MHz

3x

Open

Open

Open

Open

Closed

Open

200MHz

55MHz

2.5x

Closed

Open

Open

Closed

Closed

Open

200MHz

60MHz

3x

Open

Closed

Open

Open

Closed

Open

233MHz

75MHz

2.5x

Closed

Closed

Closed

Closed

Closed

Open

233MHz

66MHz

3x

Closed

Open

Open

Open

Closed

Open

266MHz

66MHz

3.5x

Closed

Open

Open

Open

Open

Open

266MHz

75MHz

3x

Closed

Closed

Closed

Open

Closed

Open

CPU SPEED SELECTION (AMD)

CPU speed

Clock speed

Multiplier

JP4

JP5

JP6

JP7

JP8

JP9

75MHz

50MHz

1.5x

Closed

Closed

Open

Open

Open

Open

90MHz

60MHz

1.5x

Open

Closed

Open

Open

Open

Open

100MHz

66MHz

1.5x

Closed

Open

Open

Open

Open

Open

120MHz

60MHz

2x

Open

Closed

Open

Closed

Open

Open

133MHz

66MHz

2x

Closed

Open

Open

Closed

Open

Open

150MHz

60MHz

2.5x

Open

Closed

Open

Closed

Closed

Open

166MHz

66MHz

2.5x

Closed

Open

Open

Closed

Closed

Open

200MHz

66MHz

3x

Closed

Open

Open

Open

Closed

Open

233MHz

66MHz

3.5x

Closed

Open

Open

Open

Open

Open

266MHz

66MHz

4x

Closed

Open

Open

Closed

Open

Closed

300MHz

66MHz

4.5x

Closed

Open

Open

Closed

Closed

Closed

CPU SPEED SELECTION (IDT-C6)

CPU speed

Clock speed

Multiplier

JP4

JP5

JP6

JP7

JP8

JP9

150MHz

50MHz

3x

Closed

Closed

Open

Open

Closed

Open

150MHz

75MHz

2x

Closed

Closed

Closed

Closed

Open

Open

180MHz

60MHz

3x

Open

Closed

Open

Open

Closed

Open

200MHz

66MHz

3x

Closed

Open

Open

Open

Closed

Open

CPU SPEED SELECTION (INTEL)

CPU speed

Clock speed

Multiplier

JP4

JP5

JP6

JP7

JP8

JP9

75MHz

50MHz

1.5x

Closed

Closed

Open

Open

Open

Open

90MHz

60MHz

1.5x

Open

Closed

Open

Open

Open

Open

100MHz

66MHz

1.5x

Closed

Open

Open

Open

Open

Open

120MHz

60MHz

2x

Open

Closed

Open

Closed

Open

Open

133MHz

66MHz

2x

Closed

Open

Open

Closed

Open

Open

150MHz

60MHz

2.5x

Open

Closed

Open

Closed

Closed

Open

166MHz

66MHz

2.5x

Closed

Open

Open

Closed

Closed

Open

200MHz

66MHz

3x

Closed

Open

Open

Open

Closed

Open

233MHz

66MHz

3.5x

Closed

Open

Open

Open

Open

Open

266MHz

66MHz

4x

Closed

Open

Open

Closed

Open

Closed

300MHz

66MHz

4.5x

Closed

Open

Open

Closed

Closed

Closed

CPU VOLTAGE SELECTION (SINGLE)

Voltage

JP10

JP11

JP12

JP13

JP14

JP15

JP16

3.38v

Open

Open

Open

Closed

Open

1 & 2

1 & 2

3.52v

Open

Open

Open

Open

Closed

1 & 2

1 & 2

Note: Pins designated should be in the closed position.

CPU VOLTAGE SELECTION (DUAL)

Voltage

V core

JP10

JP11

JP12

JP13

JP14

JP15

JP16

3.3v

2.1

Open

Open

Open

Open

Open

2 & 3

2 & 3

3.3v

2.8

Closed

Open

Open

Open

Open

2 & 3

2 & 3

3.3v

2.9

Open

Closed

Open

Open

Open

2 & 3

2 & 3

3.3v

3.2

Open

Open

Closed

Open

Open

2 & 3

2 & 3

Note: Pins designated should be in the closed position.

ON BOARD VGA SELECTION

Setting

JP3

JP17

Enabled

Pins 2 & 3 closed

Open

Disabled

Pins 1 & 2 closed

Closed

Note: these jumpers are optional and may not be present.